电脑桌面
添加蜗牛文库到电脑桌面
安装后可以在桌面快捷访问

12.2.2用DIS测电源的电动势和内阻配套训练AB卷.docVIP免费

12.2.2用DIS测电源的电动势和内阻配套训练AB卷.doc_第1页
12.2.2用DIS测电源的电动势和内阻配套训练AB卷.doc_第2页
12.2.2用DIS测电源的电动势和内阻配套训练AB卷.doc_第3页
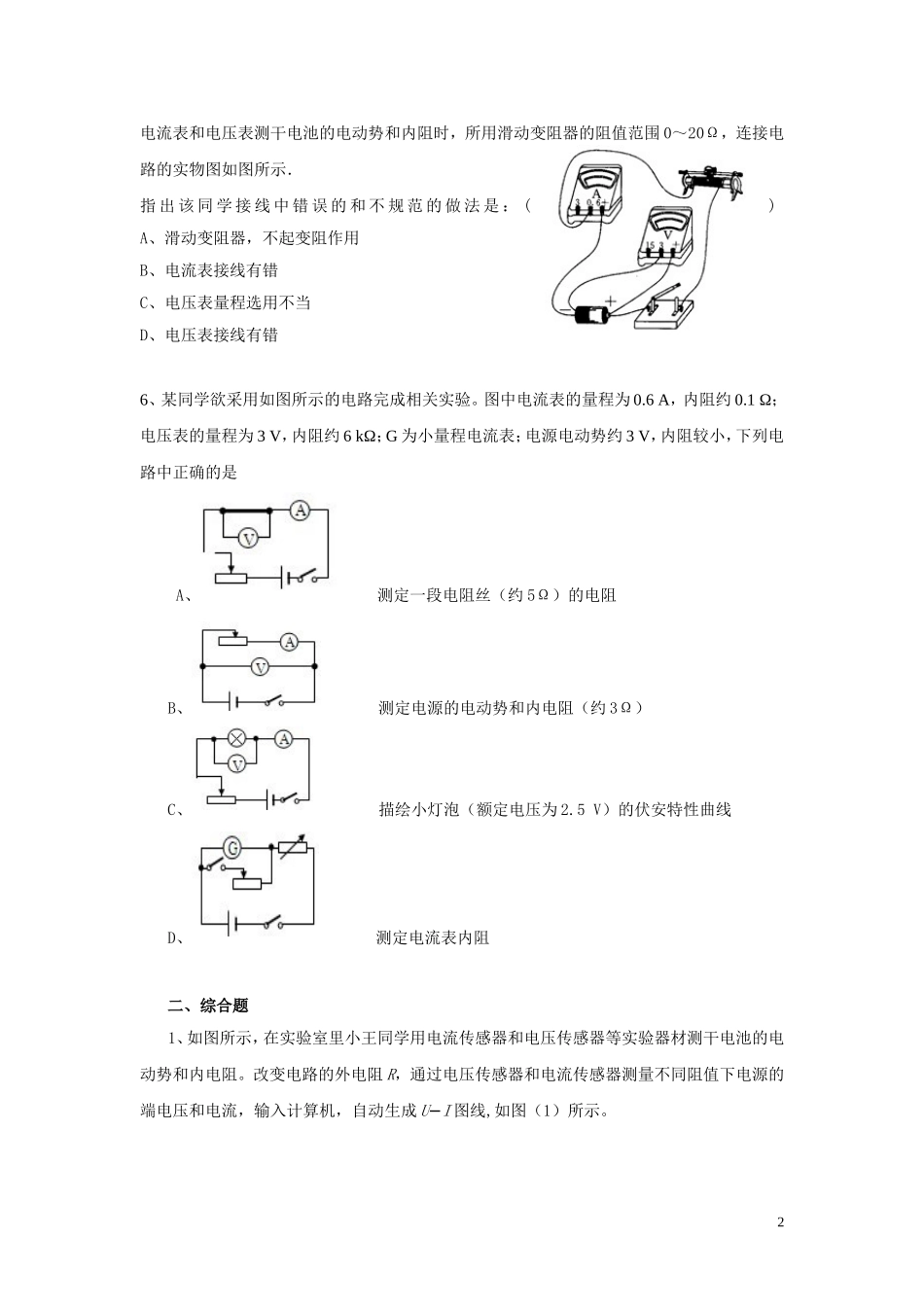
第十二章电路§12.2.2用DIS测电源的电动势和内阻配套练习A卷一、选择题1、用伏安法测电池的电动势和内电阻的实验中,下列注意事项中错误的是()A、应选用旧的干电池作为被测电源,以使电压表示数的变化比较明显B、移动变阻器的触头时,不能使滑动变阻器短路造成电流表过载C、根据实验记录的数据作U一I图象时,应通过尽可能多的点画一条直线,并使不在直线上的点大致均匀分布在直线两侧D、出于安全考虑,在选择电表时,量程越大越好2、下面给出多种用伏安法测电池电动势和内电阻的数据处理方法,其中既能减小偶然误差,又直观、简便的方法是()A、测出两组I、U的数据,代人方程组:E=U1十I1r和E=U2十I2r,求出E和rB、多测几组I、U的数据,求出几组E、r,最后分别求出其平均值C、测出多组I、U的数据,画出U-I图象,再根据图象求E、rD、多测出几组I、U数据,分别求出I和U的平均值,用电压表测出断路时的路端电压即为电动势E,再用闭合电路欧姆定律求出内电阻3、图所示为《测定电源电动势和内阻》的电路图,下列说法中正确的是()A、该电路图有错误,缺少一只与电流表相串联的保护电阻B、用一节干电池做电源,稍旧电池比全新电池效果好C、几节相串联的干电池比单独一节干电池做电源效果好D、实验中滑动变阻器不能短路4、在测量电池的电动势和内阻的实验中,电源的电动势约为6V,内阻约为0.5Ω,电流表的内阻为0.5Ω,电压表的内阻为6kΩ。为了减小实验的误差,应当采用的电路是如图所示中的:()5、某同学用1电流表和电压表测干电池的电动势和内阻时,所用滑动变阻器的阻值范围0~20Ω,连接电路的实物图如图所示.指出该同学接线中错误的和不规范的做法是:()A、滑动变阻器,不起变阻作用B、电流表接线有错C、电压表量程选用不当D、电压表接线有错6、某同学欲采用如图所示的电路完成相关实验。图中电流表的量程为0.6A,内阻约0.1Ω;电压表的量程为3V,内阻约6kΩ;G为小量程电流表;电源电动势约3V,内阻较小,下列电路中正确的是A、测定一段电阻丝(约5Ω)的电阻B、测定电源的电动势和内电阻(约3Ω)C、描绘小灯泡(额定电压为2.5V)的伏安特性曲线D、测定电流表内阻二、综合题1、如图所示,在实验室里小王同学用电流传感器和电压传感器等实验器材测干电池的电动势和内电阻。改变电路的外电阻R,通过电压传感器和电流传感器测量不同阻值下电源的端电压和电流,输入计算机,自动生成U−I图线,如图(1)所示。2AabRPS(1)由图可得干电池的电动...

1、当您付费下载文档后,您只拥有了使用权限,并不意味着购买了版权,文档只能用于自身使用,不得用于其他商业用途(如 [转卖]进行直接盈利或[编辑后售卖]进行间接盈利)。
2、本站所有内容均由合作方或网友上传,本站不对文档的完整性、权威性及其观点立场正确性做任何保证或承诺!文档内容仅供研究参考,付费前请自行鉴别。
3、如文档内容存在违规,或者侵犯商业秘密、侵犯著作权等,请点击“违规举报”。

碎片内容

蜗牛文库的最新文档

二年级数学下册其中检测卷二年级数学下册其中检测卷附答案#期中测试卷.pdf
10.00金币
0下载
二年级数学下册期末质检卷(苏教版)二年级数学下册期末质检卷(苏教版)#期末复习 #期末测试卷 #二年级数学 #二年级数学下册#关注我持续更新小学知识.pdf
10.00金币
0下载
二年级数学下册期末混合运算专项练习二年级数学下册期末混合运算专项练习#二年级#二年级数学下册#关注我持续更新小学知识 #知识分享 #家长收藏孩子受益.pdf
10.00金币
1下载
二年级数学下册年月日三类周期问题解题方法二年级数学下册年月日三类周期问题解题方法#二年级#二年级数学下册#知识分享 #关注我持续更新小学知识 #家长收藏孩子受益.pdf
10.00金币
0下载
二年级数学下册解决问题专项训练二年级数学下册解决问题专项训练#专项训练#解决问题#二年级#二年级数学下册#知识分享.pdf
10.00金币
1下载
二年级数学下册还原问题二年级数学下册还原问题#二年级#二年级数学#关注我持续更新小学知识 #知识分享 #家长收藏孩子受益.pdf
10.00金币
1下载
二年级数学下册第六单元考试卷家长打印出来给孩子测试测试争取拿到高分!#小学二年级试卷分享 #二年级第六单考试数学 #第六单考试#二年级数学下册.pdf
10.00金币
0下载
二年级数学下册必背顺口溜口诀汇总二年级数学下册必背顺口溜口诀汇总#二年级#二年级数学下册 #知识分享 #家长收藏孩子受益 #关注我持续更新小学知识.pdf
10.00金币
0下载
二年级数学下册《重点难点思维题》两大问题解决技巧和方法巧算星期几解决周期问题还原问题强化思维训练老师精心整理家长可以打印出来给孩子练习#家长收藏孩子受益 #学霸秘籍 #思维训练 #二年级 #知识点总结.pdf
10.00金币
0下载
二年级数学下册 必背公式大全寒假提前背一背开学更轻松#二年级 #二年级数学 #二年级数学下册 #寒假充电计划 #公式.pdf
10.00金币
0下载
蜗牛文库+ 关注
实名认证
内容提供者

提供各种专业文档内容

确认删除?
QQ
  • QQ点击这里给我发消息
微信客服
  • 微信客服
回到顶部