电脑桌面
添加蜗牛文库到电脑桌面
安装后可以在桌面快捷访问

12.2.1多用表测电阻、电压和电流配套训练AB卷.docVIP免费

12.2.1多用表测电阻、电压和电流配套训练AB卷.doc_第1页
12.2.1多用表测电阻、电压和电流配套训练AB卷.doc_第2页
12.2.1多用表测电阻、电压和电流配套训练AB卷.doc_第3页
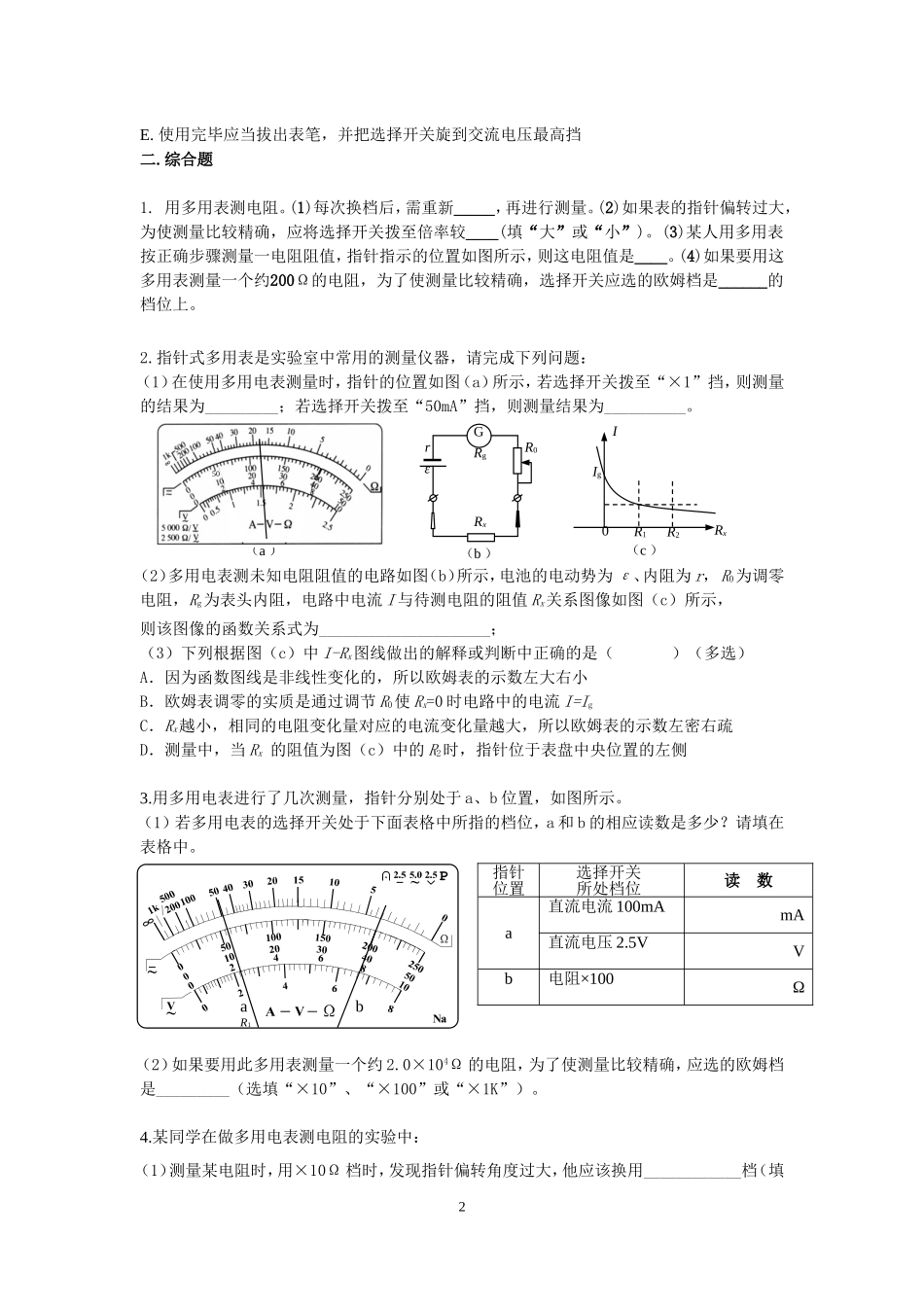
第十二章电路§12.2.1用多用表测电阻、电压和电流配套练习A卷一.选择题1.欧姆表是由表头、干电池和调零电阻等串联而成的,有关欧姆表的使用和连接,正确的叙述是()A.测电阻前要使红黑表笔相接,调节调零电阻,使表头的指针指零B.红表笔与表内电池的正极相接,黑表笔与表内电池的负极相接C.红表笔与表内电池的负极相接,黑表笔与表内电池的正极相接D.测电阻时,表针偏转角度越大,待测电阻值越大2.甲、乙两同学使用欧姆挡测同一个电阻时,他们都把选择开关旋到“×100”挡,并能正确操作.他们发现指针偏角太小,于是甲就把开关旋到“×1k”挡,乙把选择开关旋到“×10”挡,但乙重新调零,而甲没有重新调零,则以下说法正确的是()A.甲选挡错误,而操作正确B.乙选挡正确,而操作错误C.甲选挡错误,操作也错误D.乙选挡错误,而操作正确3.用欧姆表测一个电阻R的阻值,选择旋钮置于“×10”挡,测量时指针指在100与200刻度的正中间,可以确定()A.R=150ΩB.R=1500ΩC.1000Ω

1、当您付费下载文档后,您只拥有了使用权限,并不意味着购买了版权,文档只能用于自身使用,不得用于其他商业用途(如 [转卖]进行直接盈利或[编辑后售卖]进行间接盈利)。
2、本站所有内容均由合作方或网友上传,本站不对文档的完整性、权威性及其观点立场正确性做任何保证或承诺!文档内容仅供研究参考,付费前请自行鉴别。
3、如文档内容存在违规,或者侵犯商业秘密、侵犯著作权等,请点击“违规举报”。

碎片内容

蜗牛文库的最新文档

二年级数学下册其中检测卷二年级数学下册其中检测卷附答案#期中测试卷.pdf
10.00金币
0下载
二年级数学下册期末质检卷(苏教版)二年级数学下册期末质检卷(苏教版)#期末复习 #期末测试卷 #二年级数学 #二年级数学下册#关注我持续更新小学知识.pdf
10.00金币
0下载
二年级数学下册期末混合运算专项练习二年级数学下册期末混合运算专项练习#二年级#二年级数学下册#关注我持续更新小学知识 #知识分享 #家长收藏孩子受益.pdf
10.00金币
1下载
二年级数学下册年月日三类周期问题解题方法二年级数学下册年月日三类周期问题解题方法#二年级#二年级数学下册#知识分享 #关注我持续更新小学知识 #家长收藏孩子受益.pdf
10.00金币
0下载
二年级数学下册解决问题专项训练二年级数学下册解决问题专项训练#专项训练#解决问题#二年级#二年级数学下册#知识分享.pdf
10.00金币
1下载
二年级数学下册还原问题二年级数学下册还原问题#二年级#二年级数学#关注我持续更新小学知识 #知识分享 #家长收藏孩子受益.pdf
10.00金币
1下载
二年级数学下册第六单元考试卷家长打印出来给孩子测试测试争取拿到高分!#小学二年级试卷分享 #二年级第六单考试数学 #第六单考试#二年级数学下册.pdf
10.00金币
0下载
二年级数学下册必背顺口溜口诀汇总二年级数学下册必背顺口溜口诀汇总#二年级#二年级数学下册 #知识分享 #家长收藏孩子受益 #关注我持续更新小学知识.pdf
10.00金币
0下载
二年级数学下册《重点难点思维题》两大问题解决技巧和方法巧算星期几解决周期问题还原问题强化思维训练老师精心整理家长可以打印出来给孩子练习#家长收藏孩子受益 #学霸秘籍 #思维训练 #二年级 #知识点总结.pdf
10.00金币
0下载
二年级数学下册 必背公式大全寒假提前背一背开学更轻松#二年级 #二年级数学 #二年级数学下册 #寒假充电计划 #公式.pdf
10.00金币
0下载
蜗牛文库+ 关注
实名认证
内容提供者

提供各种专业文档内容

确认删除?
QQ
  • QQ点击这里给我发消息
微信客服
  • 微信客服