电脑桌面
添加蜗牛文库到电脑桌面
安装后可以在桌面快捷访问

二结构设计.docVIP免费

二结构设计.doc_第1页
二结构设计.doc_第2页
二结构设计.doc_第3页
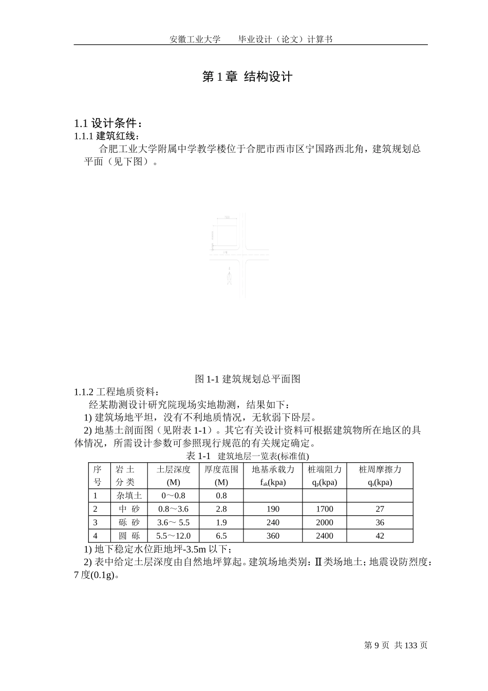
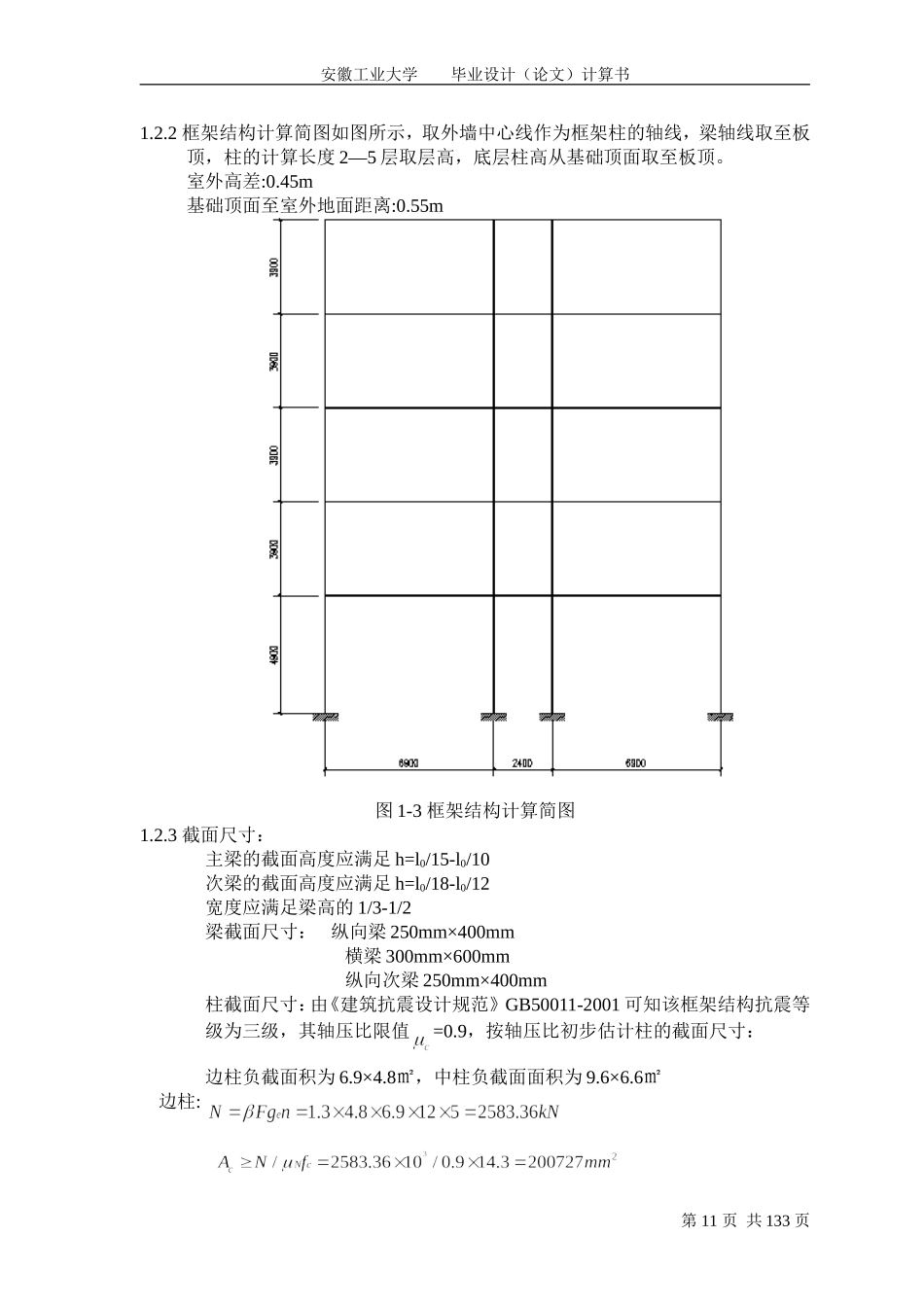
安徽工业大学毕业设计(论文)计算书第1章结构设计1.1设计条件:1.1.1建筑红线:合肥工业大学附属中学教学楼位于合肥市西市区宁国路西北角,建筑规划总平面(见下图)。图1-1建筑规划总平面图1.1.2工程地质资料:经某勘测设计研究院现场实地勘测,结果如下:1)建筑场地平坦,没有不利地质情况,无软弱下卧层。2)地基土剖面图(见附表1-1)。其它有关设计资料可根据建筑物所在地区的具体情况,所需设计参数可参照现行规范的有关规定确定。表1-1建筑地层一览表(标准值)序号岩土分类土层深度(M)厚度范围(M)地基承载力fak(kpa)桩端阻力qp(kpa)桩周摩擦力qs(kpa)1杂填土0~0.80.82中砂0.8~3.62.81901700273砾砂3.6~5.51.92402000364圆砾5.5~12.06.53602400421)地下稳定水位距地坪-3.5m以下;2)表中给定土层深度由自然地坪算起。建筑场地类别:Ⅱ类场地土;地震设防烈度:7度(0.1g)。第9页共133页安徽工业大学毕业设计(论文)计算书1.2框架结构布置及计算简图:1.2.1框架结构布置图:图1-2框架结构布置图第10页共133页安徽工业大学毕业设计(论文)计算书1.2.2框架结构计算简图如图所示,取外墙中心线作为框架柱的轴线,梁轴线取至板顶,柱的计算长度2—5层取层高,底层柱高从基础顶面取至板顶。室外高差:0.45m基础顶面至室外地面距离:0.55m图1-3框架结构计算简图1.2.3截面尺寸:主梁的截面高度应满足h=l0/15-l0/10次梁的截面高度应满足h=l0/18-l0/12宽度应满足梁高的1/3-1/2梁截面尺寸:纵向梁250mm×400mm横梁300mm×600mm纵向次梁250mm×400mm柱截面尺寸:由《建筑抗震设计规范》GB50011-2001可知该框架结构抗震等级为三级,其轴压比限值=0.9,按轴压比初步估计柱的截面尺寸:边柱负截面积为6.9×4.8㎡,中柱负截面面积为9.6×6.6㎡边柱:第11页共133页安徽工业大学毕业设计(论文)计算书中柱:则边柱截面尺寸取为:400mm×600mm中柱截面尺寸取为:500mm×500mm1.3荷载计算:1.3.1恒荷载标准值:上人屋面:30厚细石混凝土保护层0.03×22=0.66kN/m240~120厚(1%找坡)膨胀珍珠岩保温层(0.04+0.12)÷2×7=0.56kN/m2三毡四油防水层0.4kN/m220厚水泥砂浆找平0.02×20=0.4kN/m2100厚现浇钢筋混凝土板0.1×25=2.5kN/m220厚石灰砂浆抹底0.02×17=0.34kN/m2小计4.86kN/m2楼面:水磨石面层0.65kN/m220厚水泥混凝土找平0.02×20=0.40kN/m2100mm厚钢筋混凝土楼板0.1×25=2.50kN/m220mm厚石灰砂浆抹底0.02×17=0.34kN/m2小计3.89kN/m21.3.2活载标准值:上人屋...

1、当您付费下载文档后,您只拥有了使用权限,并不意味着购买了版权,文档只能用于自身使用,不得用于其他商业用途(如 [转卖]进行直接盈利或[编辑后售卖]进行间接盈利)。
2、本站所有内容均由合作方或网友上传,本站不对文档的完整性、权威性及其观点立场正确性做任何保证或承诺!文档内容仅供研究参考,付费前请自行鉴别。
3、如文档内容存在违规,或者侵犯商业秘密、侵犯著作权等,请点击“违规举报”。

碎片内容

蜗牛文库的最新文档

二年级数学下册其中检测卷二年级数学下册其中检测卷附答案#期中测试卷.pdf
10.00金币
0下载
二年级数学下册期末质检卷(苏教版)二年级数学下册期末质检卷(苏教版)#期末复习 #期末测试卷 #二年级数学 #二年级数学下册#关注我持续更新小学知识.pdf
10.00金币
0下载
二年级数学下册期末混合运算专项练习二年级数学下册期末混合运算专项练习#二年级#二年级数学下册#关注我持续更新小学知识 #知识分享 #家长收藏孩子受益.pdf
10.00金币
1下载
二年级数学下册年月日三类周期问题解题方法二年级数学下册年月日三类周期问题解题方法#二年级#二年级数学下册#知识分享 #关注我持续更新小学知识 #家长收藏孩子受益.pdf
10.00金币
0下载
二年级数学下册解决问题专项训练二年级数学下册解决问题专项训练#专项训练#解决问题#二年级#二年级数学下册#知识分享.pdf
10.00金币
1下载
二年级数学下册还原问题二年级数学下册还原问题#二年级#二年级数学#关注我持续更新小学知识 #知识分享 #家长收藏孩子受益.pdf
10.00金币
1下载
二年级数学下册第六单元考试卷家长打印出来给孩子测试测试争取拿到高分!#小学二年级试卷分享 #二年级第六单考试数学 #第六单考试#二年级数学下册.pdf
10.00金币
0下载
二年级数学下册必背顺口溜口诀汇总二年级数学下册必背顺口溜口诀汇总#二年级#二年级数学下册 #知识分享 #家长收藏孩子受益 #关注我持续更新小学知识.pdf
10.00金币
0下载
二年级数学下册《重点难点思维题》两大问题解决技巧和方法巧算星期几解决周期问题还原问题强化思维训练老师精心整理家长可以打印出来给孩子练习#家长收藏孩子受益 #学霸秘籍 #思维训练 #二年级 #知识点总结.pdf
10.00金币
0下载
二年级数学下册 必背公式大全寒假提前背一背开学更轻松#二年级 #二年级数学 #二年级数学下册 #寒假充电计划 #公式.pdf
10.00金币
0下载
蜗牛文库+ 关注
实名认证
内容提供者

提供各种专业文档内容

确认删除?
QQ
  • QQ点击这里给我发消息
微信客服
  • 微信客服
回到顶部