电脑桌面
添加蜗牛文库到电脑桌面
安装后可以在桌面快捷访问

9、3基础设计.docVIP免费

9、3基础设计.doc_第1页
9、3基础设计.doc_第2页
9、3基础设计.doc_第3页
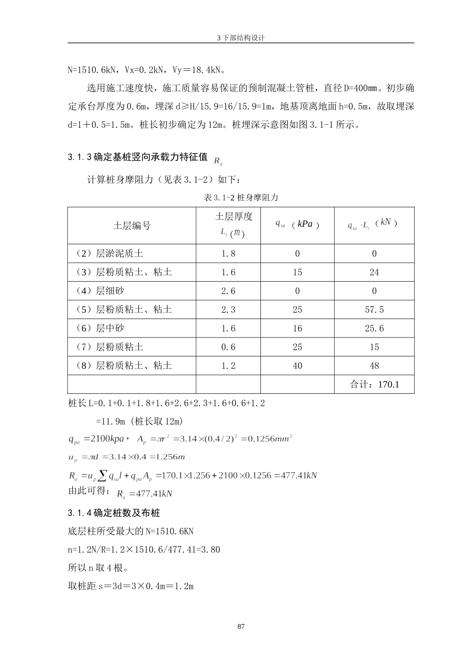
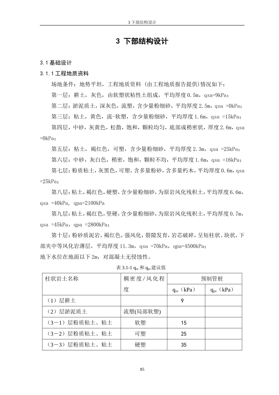
3下部结构设计3下部结构设计3.1基础设计3.1.1工程地质资料场地条件:地势平坦,工程地质资料(由工程地质报告提供)情况如下:第一层:耕土,灰色,由软塑状粘性土组成,平均厚度0.5m,qsa=9kPa;第二层:淤泥质土,深灰色,流塑,含少量粉细砂,平均厚度2.5m,qsa=0kPa;第三层:粘土,黄色,流-软塑,含少量粉细砂,平均厚度1.6m,qsa=15kPa;第四层,中砂,灰黄色,松散,饱和,颗粒均匀,底部成稍密状,厚度2.6m,qsa=0kPa;第五层:粘土,褐红色,可塑,含少量粉细砂,平均厚度2.3m,qsa=25kPa;第六层:中砂,灰白色,稍密,饱和,颗粒不均,平均厚度1.6m,qsa=16kPa;第七层:粉质粘土,灰黑色,可塑,含多量粉砂,含多量朽木,平均厚度0.6m,qsa=25kPa;第八层:粘土,褐红色,硬塑,含少量粉细砂,为原岩风化残积土,平均厚度6.6m,qsa=40kPa,qpa=2100kPa第九层:粘土,褐红色,坚硬,含少量粉细砂,为原岩风化残积土,平均厚度0.7m,qsa=45kPa,qpa=2800kPa;第十层:粉砂质泥岩,褐红色,强风化,裂隙发育,岩芯破碎,呈短柱状、块状,下部夹中等风化岩薄层,平均厚度11.3m,qsa=70kPa,qpa=4500kPa;地下水位在地面以下2m,对混凝土无侵蚀性。表3.1-1qsa和qpa建议值柱状岩土名称稠密度/风化程度预制管桩qsa(kPa)qpa(kPa)(1)层耕土9(2)层淤泥质土流塑(局部软塑)(3-1)层粉质粘土、粘土软塑15(3-2)层粉质粘土、粘土可塑25(3-3)层粉质粘土、粘土硬塑3585广州大学土木工程学院(毕业设计)学士学位论文(3-4)层粉质粘土、粘土坚硬40(4-1)层粉土松散-稍密11(4-2)层粉土中密25(5a-1)层粉、细砂松散(5a-2)层粉、细砂稍密10(5a-3)层中、细砂中密25(5b-1)层粉、粗、砾砂松散(5b-2)层粉、粗、砾砂稍密16(5b-3)层粉、粗、砾砂中密32(5b-4)层粉、粗、砾砂密实45(6-1)层粉质粘土、粘土软塑20(6-2)层粉质粘土、粘土可塑30(6-3)层粉质粘土、粘土硬塑402100(6-4)层粉质粘土、粘土坚硬452800(7-C)层泥质粉砂岩、泥岩全风化553000(7-I)层泥质粉砂岩、泥岩强风化704500(7-M)层泥质粉砂岩、泥岩中风化1205500(7-S)层泥质粉砂岩、泥岩微风化75003.1.2方案选型根据工程地质资料可知,本场地第四系松软土层约3~19m,上部以淤泥、粉细纱等松软土层为主,工程性质差,砂土层层厚较大,分布广泛,地下水丰富。第(5)层松散粉、细、中、粗砂,属液化等级中等,因此,本工程不宜采用天然地基。经基础方...

1、当您付费下载文档后,您只拥有了使用权限,并不意味着购买了版权,文档只能用于自身使用,不得用于其他商业用途(如 [转卖]进行直接盈利或[编辑后售卖]进行间接盈利)。
2、本站所有内容均由合作方或网友上传,本站不对文档的完整性、权威性及其观点立场正确性做任何保证或承诺!文档内容仅供研究参考,付费前请自行鉴别。
3、如文档内容存在违规,或者侵犯商业秘密、侵犯著作权等,请点击“违规举报”。

碎片内容

蜗牛文库的最新文档

二年级数学下册其中检测卷二年级数学下册其中检测卷附答案#期中测试卷.pdf
10.00金币
0下载
二年级数学下册期末质检卷(苏教版)二年级数学下册期末质检卷(苏教版)#期末复习 #期末测试卷 #二年级数学 #二年级数学下册#关注我持续更新小学知识.pdf
10.00金币
0下载
二年级数学下册期末混合运算专项练习二年级数学下册期末混合运算专项练习#二年级#二年级数学下册#关注我持续更新小学知识 #知识分享 #家长收藏孩子受益.pdf
10.00金币
1下载
二年级数学下册年月日三类周期问题解题方法二年级数学下册年月日三类周期问题解题方法#二年级#二年级数学下册#知识分享 #关注我持续更新小学知识 #家长收藏孩子受益.pdf
10.00金币
0下载
二年级数学下册解决问题专项训练二年级数学下册解决问题专项训练#专项训练#解决问题#二年级#二年级数学下册#知识分享.pdf
10.00金币
1下载
二年级数学下册还原问题二年级数学下册还原问题#二年级#二年级数学#关注我持续更新小学知识 #知识分享 #家长收藏孩子受益.pdf
10.00金币
1下载
二年级数学下册第六单元考试卷家长打印出来给孩子测试测试争取拿到高分!#小学二年级试卷分享 #二年级第六单考试数学 #第六单考试#二年级数学下册.pdf
10.00金币
0下载
二年级数学下册必背顺口溜口诀汇总二年级数学下册必背顺口溜口诀汇总#二年级#二年级数学下册 #知识分享 #家长收藏孩子受益 #关注我持续更新小学知识.pdf
10.00金币
0下载
二年级数学下册《重点难点思维题》两大问题解决技巧和方法巧算星期几解决周期问题还原问题强化思维训练老师精心整理家长可以打印出来给孩子练习#家长收藏孩子受益 #学霸秘籍 #思维训练 #二年级 #知识点总结.pdf
10.00金币
0下载
二年级数学下册 必背公式大全寒假提前背一背开学更轻松#二年级 #二年级数学 #二年级数学下册 #寒假充电计划 #公式.pdf
10.00金币
0下载
蜗牛文库+ 关注
实名认证
内容提供者

提供各种专业文档内容

确认删除?
QQ
  • QQ点击这里给我发消息
微信客服
  • 微信客服
回到顶部