电脑桌面
添加蜗牛文库到电脑桌面
安装后可以在桌面快捷访问

12.1测定瞬时速度和加速度.docVIP免费

12.1测定瞬时速度和加速度.doc_第1页
12.1测定瞬时速度和加速度.doc_第2页
12.1测定瞬时速度和加速度.doc_第3页
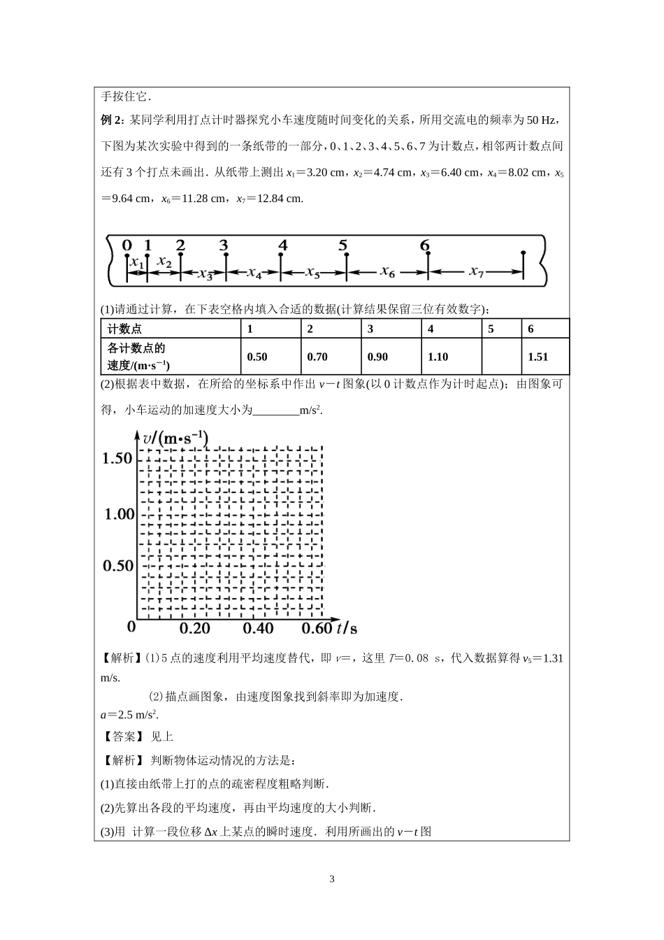
源于名校,成就所托标准教案12.1测定瞬时速度和加速度高考对应考点:1、用DIS测定位移和速度(学生实验)(学习水平B)2、用DIS测定加速度(学生实验)(学习水平B)课时目标:1、掌握测定测定速度和加速度的方法重点难点:1、数据的图像处理知识精要:[实验目的]1.练习使用打点计时器,学习利用打上点的纸带研究物体的运动。2.学习用打点计时器测定瞬时速度和加速度。[实验原理]1.打点计时器是一种使用交流电源的计时仪器,它每隔0.02s打一次点(由于电源频率是50Hz),因此纸带上的点就表示了和纸带相连的运动物体在不同时刻的位置,研究纸带上点之间的间隔,就可以了解物体运动的情况。2.由纸带判断物体做匀变速直线运动的方法:如图所示,0、1、2……为时间间隔相等的各计数点,s1、s2、s3、……为相邻两计数点间的距离,若△s=s2-s1=s3-s2=……=恒量,即若连续相等的时间间隔内的位移之差为恒量,则与纸带相连的物体的运动为匀变速直线运动。3.由纸带求物体运动加速度的方法:(1)用“逐差法”求加速度:即根据s4-s1=s5-s2=s6-s3=3aT2(T为相邻两计数点间的时间间隔)求出、、,再算出a1、a2、a3的平均值即为物体运动的加速度。(2)用v-t图法:即先根据求出打第n点时纸带的瞬时速度,后作出v-t图线,图线的斜率即为物体运动的加速度。[实验器材]小车,细绳,钩码,一端附有定滑轮的长木板,打点计时器,低压交流电源,导线两根,纸带,米尺。[实验步骤]11.把一端附有定滑轮的长木板平放在实验桌上,并使滑轮伸出桌面,把打点计时器固定在长木板上没有滑轮的一端,连接好电路,如图所示。2.把一条细绳拴在小车上,细绳跨过滑轮,并在细绳的另一端挂上合适的钩码,试放手后,小车能在长木板上平稳地加速滑行一段距离,把纸带穿过打点计时器,并把它的一端固定在小车的后面。3.把小车停在靠近打点计时器处,先接通电源,再放开小车,让小车运动,打点计时器就在纸带上打下一系列的点,取下纸带,换上新纸带,重复实验三次。4.选择一条比较理想的纸带,舍掉开头的比较密集的点子,确定好计数始点0,标明计数点,正确使用毫米刻度尺测量两点间的距离,用逐差法求出加速度值,最后求其平均值。也可求出各计数点对应的速度,作v-t图线,求得直线的斜率即为物体运动的加速度。[注意事项]1.纸带打完后及时断开电源。2.小车的加速度应适当大一些,以能在纸带上长约50cm的范围内清楚地取7~8个计数点为宜。3.应区别计时器打出的轨迹点与人...

1、当您付费下载文档后,您只拥有了使用权限,并不意味着购买了版权,文档只能用于自身使用,不得用于其他商业用途(如 [转卖]进行直接盈利或[编辑后售卖]进行间接盈利)。
2、本站所有内容均由合作方或网友上传,本站不对文档的完整性、权威性及其观点立场正确性做任何保证或承诺!文档内容仅供研究参考,付费前请自行鉴别。
3、如文档内容存在违规,或者侵犯商业秘密、侵犯著作权等,请点击“违规举报”。

碎片内容

蜗牛文库的最新文档

二年级数学下册其中检测卷二年级数学下册其中检测卷附答案#期中测试卷.pdf
10.00金币
0下载
二年级数学下册期末质检卷(苏教版)二年级数学下册期末质检卷(苏教版)#期末复习 #期末测试卷 #二年级数学 #二年级数学下册#关注我持续更新小学知识.pdf
10.00金币
0下载
二年级数学下册期末混合运算专项练习二年级数学下册期末混合运算专项练习#二年级#二年级数学下册#关注我持续更新小学知识 #知识分享 #家长收藏孩子受益.pdf
10.00金币
1下载
二年级数学下册年月日三类周期问题解题方法二年级数学下册年月日三类周期问题解题方法#二年级#二年级数学下册#知识分享 #关注我持续更新小学知识 #家长收藏孩子受益.pdf
10.00金币
0下载
二年级数学下册解决问题专项训练二年级数学下册解决问题专项训练#专项训练#解决问题#二年级#二年级数学下册#知识分享.pdf
10.00金币
1下载
二年级数学下册还原问题二年级数学下册还原问题#二年级#二年级数学#关注我持续更新小学知识 #知识分享 #家长收藏孩子受益.pdf
10.00金币
1下载
二年级数学下册第六单元考试卷家长打印出来给孩子测试测试争取拿到高分!#小学二年级试卷分享 #二年级第六单考试数学 #第六单考试#二年级数学下册.pdf
10.00金币
0下载
二年级数学下册必背顺口溜口诀汇总二年级数学下册必背顺口溜口诀汇总#二年级#二年级数学下册 #知识分享 #家长收藏孩子受益 #关注我持续更新小学知识.pdf
10.00金币
0下载
二年级数学下册《重点难点思维题》两大问题解决技巧和方法巧算星期几解决周期问题还原问题强化思维训练老师精心整理家长可以打印出来给孩子练习#家长收藏孩子受益 #学霸秘籍 #思维训练 #二年级 #知识点总结.pdf
10.00金币
0下载
二年级数学下册 必背公式大全寒假提前背一背开学更轻松#二年级 #二年级数学 #二年级数学下册 #寒假充电计划 #公式.pdf
10.00金币
0下载
蜗牛文库+ 关注
实名认证
内容提供者

提供各种专业文档内容

确认删除?
QQ
  • QQ点击这里给我发消息
微信客服
  • 微信客服
回到顶部