电脑桌面
添加蜗牛文库到电脑桌面
安装后可以在桌面快捷访问

练 14nr7.docxVIP免费

练 14nr7.docx_第1页
练 14nr7.docx_第2页
练 14nr7.docx_第3页
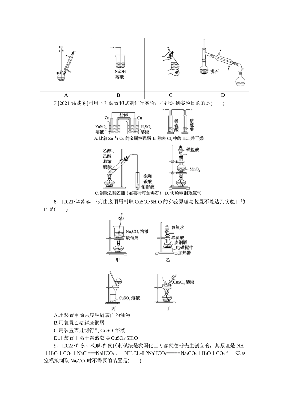
练14熟练掌握化学实验仪器及基本操作1.[2022·湖南卷]化学实验操作是进行科学实验的基础。下列操作符合规范的是()A.碱式滴定管排气泡B.溶液加热C.试剂存放D.溶液滴加2.[2022·广东卷]实验室用MnO2和浓盐酸反应生成Cl2后,按照净化、收集、性质检验及尾气处理的顺序进行实验。下列装置(“→”表示气流方向)不能达到实验目的的是()3.[2021·山东卷]关于下列仪器使用的说法错误的是()A.①、④不可加热B.②、④不可用作反应容器C.③、⑤可用于物质分离D.②、④、⑤使用前需检漏4.[2021·河北卷]下列操作规范且能达到实验目的的是()5.[2021·北京卷]实验室制备下列气体所选试剂、制备装置及收集方法均正确的是()气体试剂制备装置收集方法AO2KMnO4adBH2Zn+稀H2SO4beCNOCu+稀HNO3bcDCO2石灰石+稀H2SO4bc6.[2021·湖北卷]某兴趣小组为制备1氯2甲基丙烷(沸点69℃),将2甲基1丙醇和POCl3溶于CH2Cl2中,加热回流(伴有HCl气体产生)。反应完全后倒入冰水中分解残余的POCl3,分液收集CH2Cl2层,无水MgSO4干燥,过滤、蒸馏后得到目标产物。上述过程中涉及的装置或操作错误的是(夹持及加热装置略)()ABCD7.[2021·福建卷]利用下列装置和试剂进行实验,不能达到实验目的的是()8.[2021·江苏卷]下列由废铜屑制取CuSO4·5H2O的实验原理与装置不能达到实验目的的是()A.用装置甲除去废铜屑表面的油污B.用装置乙溶解废铜屑C.用装置丙过滤得到CuSO4溶液D.用装置丁蒸干溶液获得CuSO4·5H2O9.[2022·广东六校联考]侯氏制碱法是我国化工专家侯德榜先生创立的,其原理是NH3+H2O+CO2+NaCl===NaHCO3↓+NH4Cl和2NaHCO3=====Na2CO3+H2O+CO2↑,实验室模拟制取Na2CO3时不需要的装置是()10.[2022·山东潍坊期中]下列关于仪器使用的说法错误的是()A.仪器①为蒸发皿,可用于蒸发或浓缩溶液B.仪器②③加热时需要垫石棉网C.仪器③为蒸馏烧瓶,主要用于混合液体的蒸馏和分馏D.仪器④为容量瓶,使用前应检查是否漏水11.[2021·福建中学期中]下列是一些装置检查气密性的方法,其中正确的是()12.[2022·山东潍坊期中]下列图示的实验,能够实现相应实验目的的是()A.利用甲装置用CCl4从碘水中萃取碘B.利用乙装置制取并收集少量纯净的氯气C.利用丙装置控制制取氧气的速率D.利用丁装置验证SO2的漂白性13.[2022·江苏南通重点高中期初]下列实验中,所选装置或实验设计合理的是()A.用图①所示装置可以除去Na2CO3溶液中的CaCO3杂质B.用乙醇萃取溴水中的溴选择图②所示装置C.用图③...

1、当您付费下载文档后,您只拥有了使用权限,并不意味着购买了版权,文档只能用于自身使用,不得用于其他商业用途(如 [转卖]进行直接盈利或[编辑后售卖]进行间接盈利)。
2、本站所有内容均由合作方或网友上传,本站不对文档的完整性、权威性及其观点立场正确性做任何保证或承诺!文档内容仅供研究参考,付费前请自行鉴别。
3、如文档内容存在违规,或者侵犯商业秘密、侵犯著作权等,请点击“违规举报”。

碎片内容

蜗牛文库的最新文档

二年级数学下册其中检测卷二年级数学下册其中检测卷附答案#期中测试卷.pdf
10.00金币
0下载
二年级数学下册期末质检卷(苏教版)二年级数学下册期末质检卷(苏教版)#期末复习 #期末测试卷 #二年级数学 #二年级数学下册#关注我持续更新小学知识.pdf
10.00金币
0下载
二年级数学下册期末混合运算专项练习二年级数学下册期末混合运算专项练习#二年级#二年级数学下册#关注我持续更新小学知识 #知识分享 #家长收藏孩子受益.pdf
10.00金币
1下载
二年级数学下册年月日三类周期问题解题方法二年级数学下册年月日三类周期问题解题方法#二年级#二年级数学下册#知识分享 #关注我持续更新小学知识 #家长收藏孩子受益.pdf
10.00金币
0下载
二年级数学下册解决问题专项训练二年级数学下册解决问题专项训练#专项训练#解决问题#二年级#二年级数学下册#知识分享.pdf
10.00金币
1下载
二年级数学下册还原问题二年级数学下册还原问题#二年级#二年级数学#关注我持续更新小学知识 #知识分享 #家长收藏孩子受益.pdf
10.00金币
1下载
二年级数学下册第六单元考试卷家长打印出来给孩子测试测试争取拿到高分!#小学二年级试卷分享 #二年级第六单考试数学 #第六单考试#二年级数学下册.pdf
10.00金币
0下载
二年级数学下册必背顺口溜口诀汇总二年级数学下册必背顺口溜口诀汇总#二年级#二年级数学下册 #知识分享 #家长收藏孩子受益 #关注我持续更新小学知识.pdf
10.00金币
0下载
二年级数学下册《重点难点思维题》两大问题解决技巧和方法巧算星期几解决周期问题还原问题强化思维训练老师精心整理家长可以打印出来给孩子练习#家长收藏孩子受益 #学霸秘籍 #思维训练 #二年级 #知识点总结.pdf
10.00金币
0下载
二年级数学下册 必背公式大全寒假提前背一背开学更轻松#二年级 #二年级数学 #二年级数学下册 #寒假充电计划 #公式.pdf
10.00金币
0下载
蜗牛文库+ 关注
实名认证
内容提供者

提供各种专业文档内容

确认删除?
QQ
  • QQ点击这里给我发消息
微信客服
  • 微信客服
回到顶部