电脑桌面
添加蜗牛文库到电脑桌面
安装后可以在桌面快捷访问

PDCA循环_PDCA Cycle_.pdfVIP免费

PDCA循环_PDCA Cycle_.pdf_第1页
PDCA循环_PDCA Cycle_.pdf_第2页
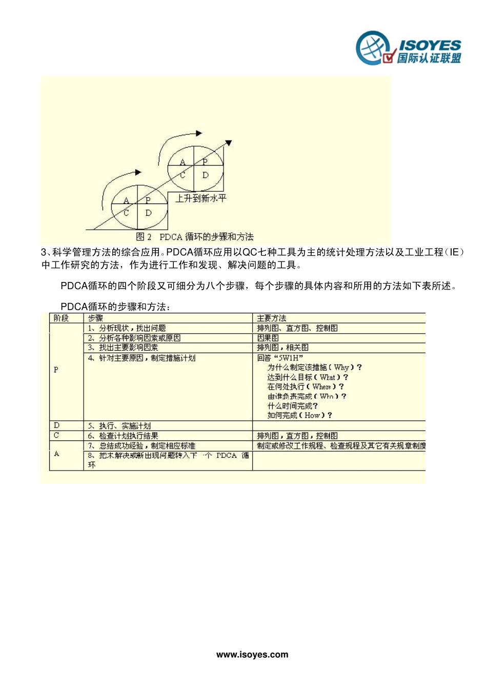
www.isoyes.comPDCA循环(PDCACycle)PDCA循环的概念最早是由美国质量管理专家戴明提出来的,所以又称为“戴明环”。它是全面质量管理所应遵循的科学程序。全面质量管理活动的全部过程,就是质量计划的制订和组织实现的过程,这个过程就是按照PDCA循环,不停顿地周而复始地运转的。PDCA四个英文字母及其在PDCA循环中所代表的含义如下:1、P(Plan)--计划,确定方针和目标,确定活动计划;2、D(Do)--执行,实地去做,实现计划中的内容;3、C(Check)--检查,总结执行计划的结果,注意效果,找出问题;4、A(Action)--行动,对总结检查的结果进行处理,成功的经验加以肯定并适当推广、标准化;失败的教训加以总结,以免重现,未解决的问题放到下一个PDCA循环。PDCA循环实际上是有效进行任何一项工作的合乎逻辑的工作程序。在质量管理中,PDCA循环得到了广泛的应用,并取得了很好的效果,因此有人称PDCA循环是质量管理的基本方法。之所以将其称之为PDCA循环,是因为这四个过程不是运行一次就完结,而是要周而复始地进行。一个循环完了,解决了一部分的问题,可能还有其它问题尚未解决,或者又出现了新的问题,再进行下一次循环,其基本模型如下图1所示。PDCA循环有如下三个特点:1、大环带小环。如果把整个企业的工作作为一个大的PDCA循环,那么各个部门、小组还有各自小的PDCA循环,就像一个行星轮系一样,大环带动小环,一级带一级,有机地构成一个运转的体系。2、阶梯式上升。PDCA循环不是在同一水平上循环,每循环一次,就解决一部分问题,取得一部分成果,工作就前进一步,水平就提高一步。到了下一次循环,又有了新的目标和内容,更上一层楼。下面图2表示了这个阶梯式上升的过程。www.isoyes.com3、科学管理方法的综合应用。PDCA循环应用以QC七种工具为主的统计处理方法以及工业工程(IE)中工作研究的方法,作为进行工作和发现、解决问题的工具。PDCA循环的四个阶段又可细分为八个步骤,每个步骤的具体内容和所用的方法如下表所述。PDCA循环的步骤和方法:

1、当您付费下载文档后,您只拥有了使用权限,并不意味着购买了版权,文档只能用于自身使用,不得用于其他商业用途(如 [转卖]进行直接盈利或[编辑后售卖]进行间接盈利)。
2、本站所有内容均由合作方或网友上传,本站不对文档的完整性、权威性及其观点立场正确性做任何保证或承诺!文档内容仅供研究参考,付费前请自行鉴别。
3、如文档内容存在违规,或者侵犯商业秘密、侵犯著作权等,请点击“违规举报”。

碎片内容

蜗牛文库的最新文档

二年级数学下册其中检测卷二年级数学下册其中检测卷附答案#期中测试卷.pdf
10.00金币
0下载
二年级数学下册期末质检卷(苏教版)二年级数学下册期末质检卷(苏教版)#期末复习 #期末测试卷 #二年级数学 #二年级数学下册#关注我持续更新小学知识.pdf
10.00金币
0下载
二年级数学下册期末混合运算专项练习二年级数学下册期末混合运算专项练习#二年级#二年级数学下册#关注我持续更新小学知识 #知识分享 #家长收藏孩子受益.pdf
10.00金币
1下载
二年级数学下册年月日三类周期问题解题方法二年级数学下册年月日三类周期问题解题方法#二年级#二年级数学下册#知识分享 #关注我持续更新小学知识 #家长收藏孩子受益.pdf
10.00金币
0下载
二年级数学下册解决问题专项训练二年级数学下册解决问题专项训练#专项训练#解决问题#二年级#二年级数学下册#知识分享.pdf
10.00金币
1下载
二年级数学下册还原问题二年级数学下册还原问题#二年级#二年级数学#关注我持续更新小学知识 #知识分享 #家长收藏孩子受益.pdf
10.00金币
1下载
二年级数学下册第六单元考试卷家长打印出来给孩子测试测试争取拿到高分!#小学二年级试卷分享 #二年级第六单考试数学 #第六单考试#二年级数学下册.pdf
10.00金币
0下载
二年级数学下册必背顺口溜口诀汇总二年级数学下册必背顺口溜口诀汇总#二年级#二年级数学下册 #知识分享 #家长收藏孩子受益 #关注我持续更新小学知识.pdf
10.00金币
0下载
二年级数学下册《重点难点思维题》两大问题解决技巧和方法巧算星期几解决周期问题还原问题强化思维训练老师精心整理家长可以打印出来给孩子练习#家长收藏孩子受益 #学霸秘籍 #思维训练 #二年级 #知识点总结.pdf
10.00金币
0下载
二年级数学下册 必背公式大全寒假提前背一背开学更轻松#二年级 #二年级数学 #二年级数学下册 #寒假充电计划 #公式.pdf
10.00金币
0下载
蜗牛文库+ 关注
实名认证
内容提供者

提供各种专业文档内容

确认删除?
QQ
  • QQ点击这里给我发消息
微信客服
  • 微信客服
回到顶部