电脑桌面
添加蜗牛文库到电脑桌面
安装后可以在桌面快捷访问

2016上海初三二模电学综合计算题汇编教师版.docVIP免费

2016上海初三二模电学综合计算题汇编教师版.doc_第1页
2016上海初三二模电学综合计算题汇编教师版.doc_第2页
2016上海初三二模电学综合计算题汇编教师版.doc_第3页
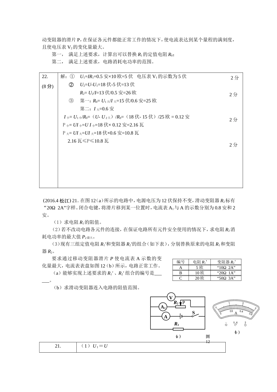
(2016.4长宁)21.在图12所示的电路中,电源电压保持不变,电阻R1的阻值为30欧,滑动变阻器铭牌已模糊不清,只能辨识出标有“1A”字样。电键S断开时,电流表A的示数为0.4安。①求电源电压U。②闭合电键S,将滑动变阻器滑片P移到某点M处,然后将滑片P从M点向左移动,发现电流表A的示数的最大变化量为0.2安,将滑片P从M点向右移动,发现电流表A的示数的最大变化量也为0.2安,求滑片P在M点时电流表A的示数。③求在第②小题滑片P移动过程中,滑动变阻器R2的取值范围。21.(8分)①U=U1=I1×R11分=0.4安×30欧=12伏1分②因为I2max=1安,所以滑动变阻器滑片P在M点时,I2=0.8安,1分则I=I1+I2=0.8安+0.4安=1.2安;1分③U=U1=U2=12伏,1分1分1分即滑动变阻器的取值范围为12欧~20欧。1分(2016.4闸北)22.在图12所示的电路中,电源电压为12伏且保持不变。电阻R1的阻值为20欧,滑动变阻器上标有“50Ω2A”字样。闭合电键S。①求通过R1的电流I1。②若变阻器连入电路中的阻值为50欧时,求干路的电流I总。③当滑动变阻器阻值从30欧开始,两次移动滑动变阻器的滑片P,使变阻器R2连入电路中的电阻变化均为10欧,求两个电流表示数的变化量。图12R1PR2AS图12A2A122.(9分)①I1=U/R1=12伏/20欧=0.6安3分②I总=I1+I2=0.6安+12伏/50欧=0.84安3分③R2=30欧时,I2=12伏/30欧=0.4安I总=0.4安+0.6安=1安R2=40欧时,I2=12伏/40欧=0.3安I总=0.3安+0.6安=0.9安R2=50欧时,I2=12伏/50欧=0.24安I总=0.24安+0.6安=0.84安两个电流表示数的变化量均为0.1安和0.06安。R2=20欧时,I2=12伏/20欧=0.6安I总=0.6安+0.6安=1.2安R2=10欧时,I2=12伏/10欧=1.2安I总=1.2安+0.6安=1.8安两个电流表示数的变化量均为0.2安和0.6安。说明:在计算中,有关单位错写、漏写,总扣1分。(2016.4杨浦)27.如图15(a)所示电路中电源电压保持不变,定值电阻R2阻值为10欧,闭合电键后,通过R2的电流为0.6安,干路中的电流为1安。求:①电源电压U;②定值电阻R1消耗的电功率P1。③现有标有“20Ω2Α”、“50Ω2Α”字样的滑动变阻器可供选择,有表盘如图15(b)所示的电流表可接入电路。选择变阻器替换其中的一个电阻,并将电流表串联在电路中,闭合电键S,移动变阻器的滑片P,使电流表示数的变化范围为0.8安~2.6安。请通过计算说明选择变阻器_______替换_______(选填“R1”或“R2”),并求出滑动变阻器的阻值范围。27(7分)①U=U2=I2R2=0.6A×10Ω=...

1、当您付费下载文档后,您只拥有了使用权限,并不意味着购买了版权,文档只能用于自身使用,不得用于其他商业用途(如 [转卖]进行直接盈利或[编辑后售卖]进行间接盈利)。
2、本站所有内容均由合作方或网友上传,本站不对文档的完整性、权威性及其观点立场正确性做任何保证或承诺!文档内容仅供研究参考,付费前请自行鉴别。
3、如文档内容存在违规,或者侵犯商业秘密、侵犯著作权等,请点击“违规举报”。

碎片内容

蜗牛文库的最新文档

二年级数学下册其中检测卷二年级数学下册其中检测卷附答案#期中测试卷.pdf
10.00金币
0下载
二年级数学下册期末质检卷(苏教版)二年级数学下册期末质检卷(苏教版)#期末复习 #期末测试卷 #二年级数学 #二年级数学下册#关注我持续更新小学知识.pdf
10.00金币
0下载
二年级数学下册期末混合运算专项练习二年级数学下册期末混合运算专项练习#二年级#二年级数学下册#关注我持续更新小学知识 #知识分享 #家长收藏孩子受益.pdf
10.00金币
1下载
二年级数学下册年月日三类周期问题解题方法二年级数学下册年月日三类周期问题解题方法#二年级#二年级数学下册#知识分享 #关注我持续更新小学知识 #家长收藏孩子受益.pdf
10.00金币
0下载
二年级数学下册解决问题专项训练二年级数学下册解决问题专项训练#专项训练#解决问题#二年级#二年级数学下册#知识分享.pdf
10.00金币
1下载
二年级数学下册还原问题二年级数学下册还原问题#二年级#二年级数学#关注我持续更新小学知识 #知识分享 #家长收藏孩子受益.pdf
10.00金币
1下载
二年级数学下册第六单元考试卷家长打印出来给孩子测试测试争取拿到高分!#小学二年级试卷分享 #二年级第六单考试数学 #第六单考试#二年级数学下册.pdf
10.00金币
0下载
二年级数学下册必背顺口溜口诀汇总二年级数学下册必背顺口溜口诀汇总#二年级#二年级数学下册 #知识分享 #家长收藏孩子受益 #关注我持续更新小学知识.pdf
10.00金币
0下载
二年级数学下册《重点难点思维题》两大问题解决技巧和方法巧算星期几解决周期问题还原问题强化思维训练老师精心整理家长可以打印出来给孩子练习#家长收藏孩子受益 #学霸秘籍 #思维训练 #二年级 #知识点总结.pdf
10.00金币
0下载
二年级数学下册 必背公式大全寒假提前背一背开学更轻松#二年级 #二年级数学 #二年级数学下册 #寒假充电计划 #公式.pdf
10.00金币
0下载
蜗牛文库+ 关注
实名认证
内容提供者

提供各种专业文档内容

确认删除?
QQ
  • QQ点击这里给我发消息
微信客服
  • 微信客服
回到顶部