电脑桌面
添加蜗牛文库到电脑桌面
安装后可以在桌面快捷访问

物质对β射线的吸收 (8).docVIP免费

物质对β射线的吸收 (8).doc_第1页
物质对β射线的吸收 (8).doc_第2页
物质对β射线的吸收 (8).doc_第3页
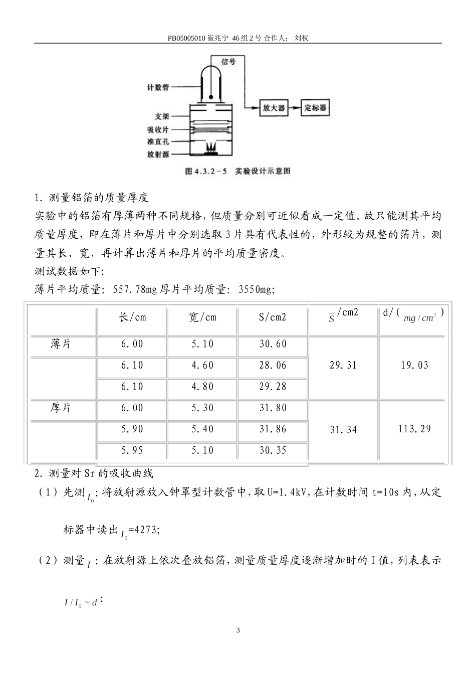
PB05005010崔兆宁46组2号合作人:刘权物质对β射线的吸收(实验报告)一、实验目的:学习和掌握与物质对射线吸收的有关知识和实验方法,测量吸收曲线并求出β射线的射程和最大能量。同时进一步加深对计数管、定标器等仪器的了解。二、实验原理:电子与物质相互作用的机制主要有三种:第一,电离损失。电离损失的能量损失可由下式给出:此式适用于非相对论情况。(1)第二,辐射损失,当电子能量较高时辐射损失占优势。(2)第三,β射线在物质中与原子核的库仑场发生弹性散射,使β粒子改变运动方向称为反散射。β射线通过物质时主要以上述三种相互作用方式损失能量使强度减弱。发生三种相互作用的概率与β粒子的能量、吸收物质的原子序数等因素有关。考虑一束初始强度为I0的单能电子束,当穿过厚度为x的物质时,强度减弱为I,其示意图见图4.3.2-1。强度I随厚度x的增加而减小且服从指数规律,可表示为(3)1PB05005010崔兆宁46组2号合作人:刘权常用质量厚度来代替线性厚度x,于是式(3)变为:;原子核β衰变放出高速电子的同时,还放出中微子,因此图4.3.2-2是典型的β衰变的能谱图。放射性核素β衰变还可能伴随γ射线,加之轫致辐射的影响,伴有X射线,使吸收曲线的尾部偏离指数规律,如图4.3.2-3中的(b)、(c)所示。处,得到β射线的射程R。β射线的射程与β射线的最大能量之间,有经验公式相联系,如吸收物质是铝,则当射程时,(5)三、实验内容及数据处理:仪器如下图所示2PB05005010崔兆宁46组2号合作人:刘权1.测量铝箔的质量厚度实验中的铝箔有厚薄两种不同规格,但质量分别可近似看成一定值。故只能测其平均质量厚度,即在薄片和厚片中分别选取3片具有代表性的,外形较为规整的箔片,测量其长、宽,再计算出薄片和厚片的平均质量密度。测试数据如下:薄片平均质量:557.78mg厚片平均质量:3550mg;长/cm宽/cmS/cm2/cm2d/()薄片6.005.1030.6029.3119.036.104.6028.066.104.8029.28厚片6.005.3031.8031.34113.295.905.4031.865.955.1030.352.测量对Sr的吸收曲线(1)先测:将放射源放入钟罩型计数管中,取U=1.4kV,在计数时间t=10s内,从定标器中读出=4273;(2)测量:在放射源上依次叠放铝箔,测量质量厚度逐渐增加时的I值,列表表示:3PB05005010崔兆宁46组2号合作人:刘权d/()19.0338.0657.09170.38189.41302.70321.73340.76458527626624093852242191921d/()586.37605.40624.43643.46756.75775.78794.81908.1010243.939.734.9...

1、当您付费下载文档后,您只拥有了使用权限,并不意味着购买了版权,文档只能用于自身使用,不得用于其他商业用途(如 [转卖]进行直接盈利或[编辑后售卖]进行间接盈利)。
2、本站所有内容均由合作方或网友上传,本站不对文档的完整性、权威性及其观点立场正确性做任何保证或承诺!文档内容仅供研究参考,付费前请自行鉴别。
3、如文档内容存在违规,或者侵犯商业秘密、侵犯著作权等,请点击“违规举报”。

碎片内容

蜗牛文库的最新文档

二年级数学下册其中检测卷二年级数学下册其中检测卷附答案#期中测试卷.pdf
10.00金币
0下载
二年级数学下册期末质检卷(苏教版)二年级数学下册期末质检卷(苏教版)#期末复习 #期末测试卷 #二年级数学 #二年级数学下册#关注我持续更新小学知识.pdf
10.00金币
0下载
二年级数学下册期末混合运算专项练习二年级数学下册期末混合运算专项练习#二年级#二年级数学下册#关注我持续更新小学知识 #知识分享 #家长收藏孩子受益.pdf
10.00金币
1下载
二年级数学下册年月日三类周期问题解题方法二年级数学下册年月日三类周期问题解题方法#二年级#二年级数学下册#知识分享 #关注我持续更新小学知识 #家长收藏孩子受益.pdf
10.00金币
0下载
二年级数学下册解决问题专项训练二年级数学下册解决问题专项训练#专项训练#解决问题#二年级#二年级数学下册#知识分享.pdf
10.00金币
1下载
二年级数学下册还原问题二年级数学下册还原问题#二年级#二年级数学#关注我持续更新小学知识 #知识分享 #家长收藏孩子受益.pdf
10.00金币
1下载
二年级数学下册第六单元考试卷家长打印出来给孩子测试测试争取拿到高分!#小学二年级试卷分享 #二年级第六单考试数学 #第六单考试#二年级数学下册.pdf
10.00金币
0下载
二年级数学下册必背顺口溜口诀汇总二年级数学下册必背顺口溜口诀汇总#二年级#二年级数学下册 #知识分享 #家长收藏孩子受益 #关注我持续更新小学知识.pdf
10.00金币
0下载
二年级数学下册《重点难点思维题》两大问题解决技巧和方法巧算星期几解决周期问题还原问题强化思维训练老师精心整理家长可以打印出来给孩子练习#家长收藏孩子受益 #学霸秘籍 #思维训练 #二年级 #知识点总结.pdf
10.00金币
0下载
二年级数学下册 必背公式大全寒假提前背一背开学更轻松#二年级 #二年级数学 #二年级数学下册 #寒假充电计划 #公式.pdf
10.00金币
0下载
蜗牛文库+ 关注
实名认证
内容提供者

提供各种专业文档内容

确认删除?
QQ
  • QQ点击这里给我发消息
微信客服
  • 微信客服
回到顶部