电脑桌面
添加蜗牛文库到电脑桌面
安装后可以在桌面快捷访问

激光散斑测量 (3).docVIP免费

激光散斑测量 (3).doc_第1页
激光散斑测量 (3).doc_第2页
激光散斑测量 (3).doc_第3页
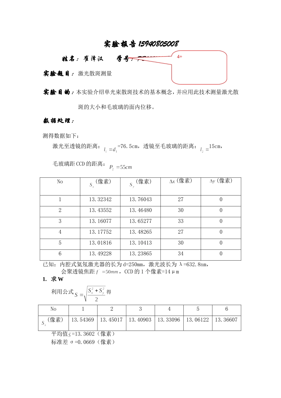
实验报告15940805008姓名:崔泽汉学号:PB05210079系别:05006实验题目:激光散斑测量实验目的:本实验介绍单光束散斑技术的基本概念,并应用此技术测量激光散斑的大小和毛玻璃的面内位移。数据处理:测得数据如下:激光至透镜的距离:=76.5cm,透镜至毛玻璃的距离:15cm,毛玻璃距CCD的距离:No(像素)(像素)(像素)(像素)113.3234213.76043270213.4355213.46480300313.1607713.65277330413.1775213.48265270513.0181613.10413300613.4922813.23865340已知:内腔式氦氖激光器的长为d=250mm,激光波长为λ=632.8nm,会聚透镜焦距,CCD的1个像素=14μm1.求W利用公式得No123456(像素)13.5436913.4501713.4090313.3309613.0612213.36607平均值=13.3602(像素)标准差σ=0.0669(像素)4+S的A类标准不确定度:查表得,P=0.95由于仪器的最大允差十分小,故B类不确定度同A类不确定度相比可忽略不计.故S的合成不确定度为(像素)P=0.95故S=13.3602±0.0702(像素)P=0.95又1像素=14μm,所以S=mmP=0.95由及不确定度传递公式得W=0.592mmP=0.952.求激光管口处腰束半径为:经过透镜后高斯光束束腰到透镜的距离为所以求得的平均值(像素)标准差σ=1.1949(像素)的A类标准不确定度:查表得,P=0.95由于仪器的最大允差十分小,故B类不确定度同A类不确定度相比可忽略不计.故的合成不确定度为(像素)P=0.95故=30.167±1.254(像素)P=0.95又1像素=14μm,所以=mmP=0.95由及不确定度传递公式得=0.063mmP=0.95实验分析:1.相对误差的计算:理论值:相对误差:W::2.误差分析:由上面的计算可知误差比较大,由于激光散斑是一种随机过程,故散斑现象受很多原因影响,如光路调得不好,以及光学仪器表面不干净等,会对测量数据带来较大误差,而这是不可避免的,应在调节光路时尽量使得各光学元件中心要等高使激光束要穿过各元件的中心,保持仪器和透镜清洁无污染。另外,用偏振片调得合适得光强.思考题:1.激光散斑测量的光路参数(P1,P2)选择是根据什么?答:为了得到对散斑光强分布的良好的统计结果,应考虑散斑大小与CCD像元大小的关系,选择适当的距离P1,P2使CCD上可以拍摄到较多的散斑,而且每个主要问题还是没有拟合好?散斑又占据足够多的像元数.2.为什么在本实验中散斑的大小用CCD象元,而毛玻璃与CCD表面的距离可以用卷尺(最小刻度为1毫米)?答:由于散斑的大小非常小,小于卷尺的最小刻度,故要用更加精密的仪器CCD测量,而毛玻璃与CCD表面的距离同散斑的大小相比大的多,用卷尺(最小...

1、当您付费下载文档后,您只拥有了使用权限,并不意味着购买了版权,文档只能用于自身使用,不得用于其他商业用途(如 [转卖]进行直接盈利或[编辑后售卖]进行间接盈利)。
2、本站所有内容均由合作方或网友上传,本站不对文档的完整性、权威性及其观点立场正确性做任何保证或承诺!文档内容仅供研究参考,付费前请自行鉴别。
3、如文档内容存在违规,或者侵犯商业秘密、侵犯著作权等,请点击“违规举报”。

碎片内容

蜗牛文库的最新文档

二年级数学下册其中检测卷二年级数学下册其中检测卷附答案#期中测试卷.pdf
10.00金币
0下载
二年级数学下册期末质检卷(苏教版)二年级数学下册期末质检卷(苏教版)#期末复习 #期末测试卷 #二年级数学 #二年级数学下册#关注我持续更新小学知识.pdf
10.00金币
0下载
二年级数学下册期末混合运算专项练习二年级数学下册期末混合运算专项练习#二年级#二年级数学下册#关注我持续更新小学知识 #知识分享 #家长收藏孩子受益.pdf
10.00金币
1下载
二年级数学下册年月日三类周期问题解题方法二年级数学下册年月日三类周期问题解题方法#二年级#二年级数学下册#知识分享 #关注我持续更新小学知识 #家长收藏孩子受益.pdf
10.00金币
0下载
二年级数学下册解决问题专项训练二年级数学下册解决问题专项训练#专项训练#解决问题#二年级#二年级数学下册#知识分享.pdf
10.00金币
1下载
二年级数学下册还原问题二年级数学下册还原问题#二年级#二年级数学#关注我持续更新小学知识 #知识分享 #家长收藏孩子受益.pdf
10.00金币
1下载
二年级数学下册第六单元考试卷家长打印出来给孩子测试测试争取拿到高分!#小学二年级试卷分享 #二年级第六单考试数学 #第六单考试#二年级数学下册.pdf
10.00金币
0下载
二年级数学下册必背顺口溜口诀汇总二年级数学下册必背顺口溜口诀汇总#二年级#二年级数学下册 #知识分享 #家长收藏孩子受益 #关注我持续更新小学知识.pdf
10.00金币
0下载
二年级数学下册《重点难点思维题》两大问题解决技巧和方法巧算星期几解决周期问题还原问题强化思维训练老师精心整理家长可以打印出来给孩子练习#家长收藏孩子受益 #学霸秘籍 #思维训练 #二年级 #知识点总结.pdf
10.00金币
0下载
二年级数学下册 必背公式大全寒假提前背一背开学更轻松#二年级 #二年级数学 #二年级数学下册 #寒假充电计划 #公式.pdf
10.00金币
0下载
蜗牛文库+ 关注
实名认证
内容提供者

提供各种专业文档内容

确认删除?
QQ
  • QQ点击这里给我发消息
微信客服
  • 微信客服
回到顶部