电脑桌面
添加蜗牛文库到电脑桌面
安装后可以在桌面快捷访问

固体杨氏模量的测量.docVIP免费

固体杨氏模量的测量.doc_第1页
固体杨氏模量的测量.doc_第2页
固体杨氏模量的测量.doc_第3页
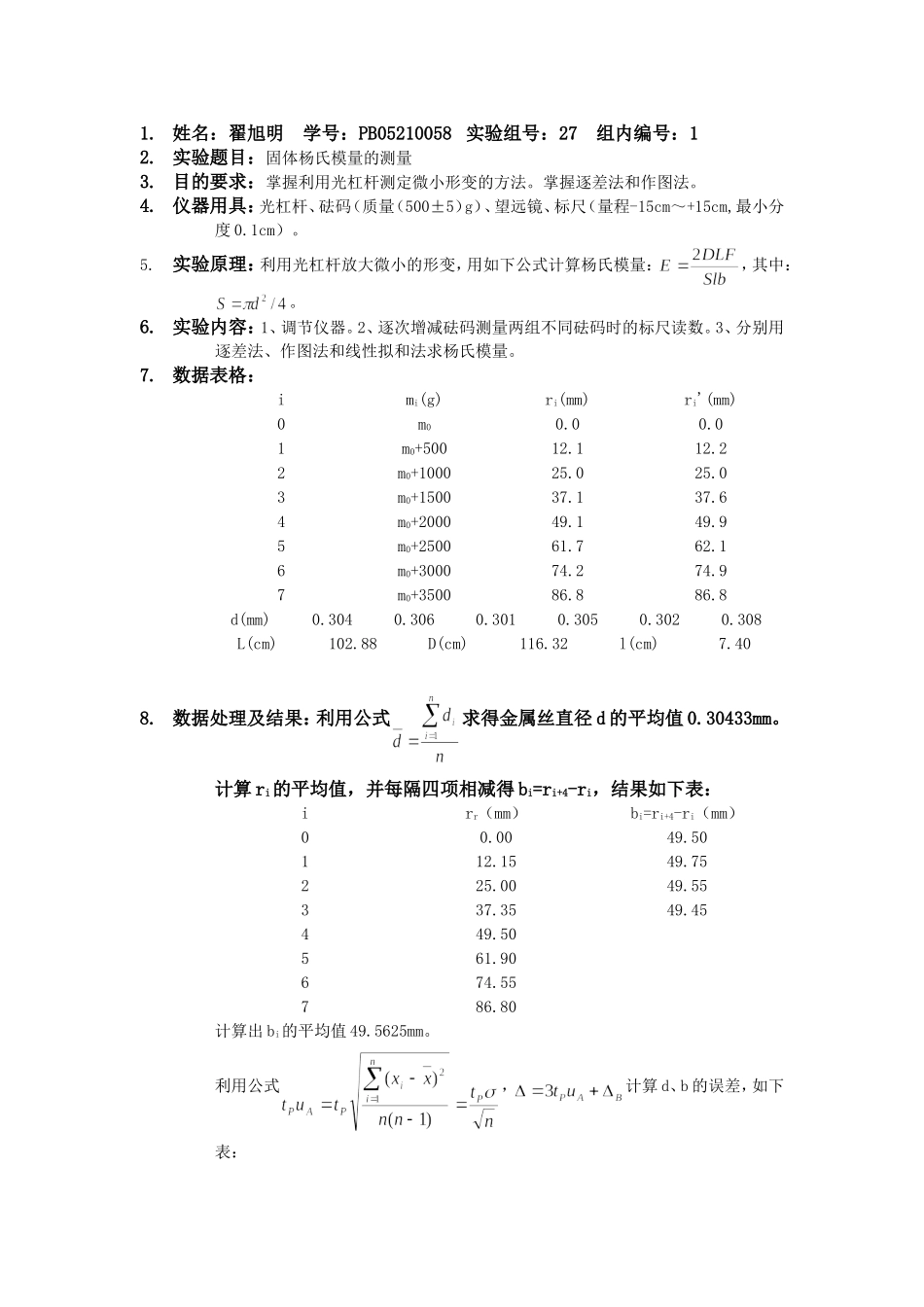
1.姓名:翟旭明学号:PB05210058实验组号:27组内编号:12.实验题目:固体杨氏模量的测量3.目的要求:掌握利用光杠杆测定微小形变的方法。掌握逐差法和作图法。4.仪器用具:光杠杆、砝码(质量(500±5)g)、望远镜、标尺(量程-15cm~+15cm,最小分度0.1cm)。5.实验原理:利用光杠杆放大微小的形变,用如下公式计算杨氏模量:,其中:。6.实验内容:1、调节仪器。2、逐次增减砝码测量两组不同砝码时的标尺读数。3、分别用逐差法、作图法和线性拟和法求杨氏模量。7.数据表格:imi(g)ri(mm)ri'(mm)0m00.00.01m0+50012.112.22m0+100025.025.03m0+150037.137.64m0+200049.149.95m0+250061.762.16m0+300074.274.97m0+350086.886.8d(mm)0.3040.3060.3010.3050.3020.308L(cm)102.88D(cm)116.32l(cm)7.408.数据处理及结果:利用公式求得金属丝直径d的平均值0.30433mm。计算ri的平均值,并每隔四项相减得bi=ri+4-ri,结果如下表:irr(mm)bi=ri+4-ri(mm)00.0049.50112.1549.75225.0049.55337.3549.45449.50561.90674.55786.80计算出bi的平均值49.5625mm。利用公式,计算d、b的误差,如下表:tPΔBuAΔb1.200.10mm0.06575mm0.29725mmd1.110.004mm0.00105mm0.00715mm利用如下公式计算杨氏模量E:再将下表数据代入下面的公式计算杨氏模量误差:项目D(cm)L(cm)F(g)d(mm)l(cm)b(mm)值116.32102.885000.304337.4049.5625误差0.20.250.007150.020.29725测量结果:钢丝的杨氏模量E=(176±12)GPa。将杨氏模量公式改写为:,其中。绘制出r-F散点图,并进行直线拟合,得出如下图:图中直线拟合的结果为:直线解析式y=0.02481x;相关系数R=0.99999,p<0.0001。将直线斜率M带入公式中计算杨氏模量得:最终结果E=176GPa。可见两种方法计算出来的杨氏模量结果大致相等。9.作业题:思考题1:可以通过增加D/l来提高放大率,这样做可以减小r读数的不确定度,但是也有限度。不能过度减小l,不然光杠杆的偏转角度θ会增大,此时θ≈tanθ的公式不再适用,计算公式就必须修正成更精确的形式,不然结果就会和实际情况偏差较远。然而增大D的限制则没有这么严格,因为增大D并不会引起θ的增大,因而不会增大公式的误差,故只要标尺足够长,望远镜放大倍率足够大,可以大大增加D的取值。事实上,在硬件条件许可的情况下,应该尽量减小l,并通过增大D来增大光杠杆放大倍数(2D/l),这样才能在不破坏原有公式精确度的情况下尽可能精确地测量和计算钢丝的杨氏模量E。10.讨论:

1、当您付费下载文档后,您只拥有了使用权限,并不意味着购买了版权,文档只能用于自身使用,不得用于其他商业用途(如 [转卖]进行直接盈利或[编辑后售卖]进行间接盈利)。
2、本站所有内容均由合作方或网友上传,本站不对文档的完整性、权威性及其观点立场正确性做任何保证或承诺!文档内容仅供研究参考,付费前请自行鉴别。
3、如文档内容存在违规,或者侵犯商业秘密、侵犯著作权等,请点击“违规举报”。

碎片内容

蜗牛文库的最新文档

二年级数学下册其中检测卷二年级数学下册其中检测卷附答案#期中测试卷.pdf
10.00金币
0下载
二年级数学下册期末质检卷(苏教版)二年级数学下册期末质检卷(苏教版)#期末复习 #期末测试卷 #二年级数学 #二年级数学下册#关注我持续更新小学知识.pdf
10.00金币
0下载
二年级数学下册期末混合运算专项练习二年级数学下册期末混合运算专项练习#二年级#二年级数学下册#关注我持续更新小学知识 #知识分享 #家长收藏孩子受益.pdf
10.00金币
1下载
二年级数学下册年月日三类周期问题解题方法二年级数学下册年月日三类周期问题解题方法#二年级#二年级数学下册#知识分享 #关注我持续更新小学知识 #家长收藏孩子受益.pdf
10.00金币
0下载
二年级数学下册解决问题专项训练二年级数学下册解决问题专项训练#专项训练#解决问题#二年级#二年级数学下册#知识分享.pdf
10.00金币
1下载
二年级数学下册还原问题二年级数学下册还原问题#二年级#二年级数学#关注我持续更新小学知识 #知识分享 #家长收藏孩子受益.pdf
10.00金币
1下载
二年级数学下册第六单元考试卷家长打印出来给孩子测试测试争取拿到高分!#小学二年级试卷分享 #二年级第六单考试数学 #第六单考试#二年级数学下册.pdf
10.00金币
0下载
二年级数学下册必背顺口溜口诀汇总二年级数学下册必背顺口溜口诀汇总#二年级#二年级数学下册 #知识分享 #家长收藏孩子受益 #关注我持续更新小学知识.pdf
10.00金币
0下载
二年级数学下册《重点难点思维题》两大问题解决技巧和方法巧算星期几解决周期问题还原问题强化思维训练老师精心整理家长可以打印出来给孩子练习#家长收藏孩子受益 #学霸秘籍 #思维训练 #二年级 #知识点总结.pdf
10.00金币
0下载
二年级数学下册 必背公式大全寒假提前背一背开学更轻松#二年级 #二年级数学 #二年级数学下册 #寒假充电计划 #公式.pdf
10.00金币
0下载
蜗牛文库+ 关注
实名认证
内容提供者

提供各种专业文档内容

确认删除?
QQ
  • QQ点击这里给我发消息
微信客服
  • 微信客服
回到顶部