电脑桌面
添加蜗牛文库到电脑桌面
安装后可以在桌面快捷访问

铁磁共振批改版5.docVIP免费

铁磁共振批改版5.doc_第1页
铁磁共振批改版5.doc_第2页
铁磁共振批改版5.doc_第3页
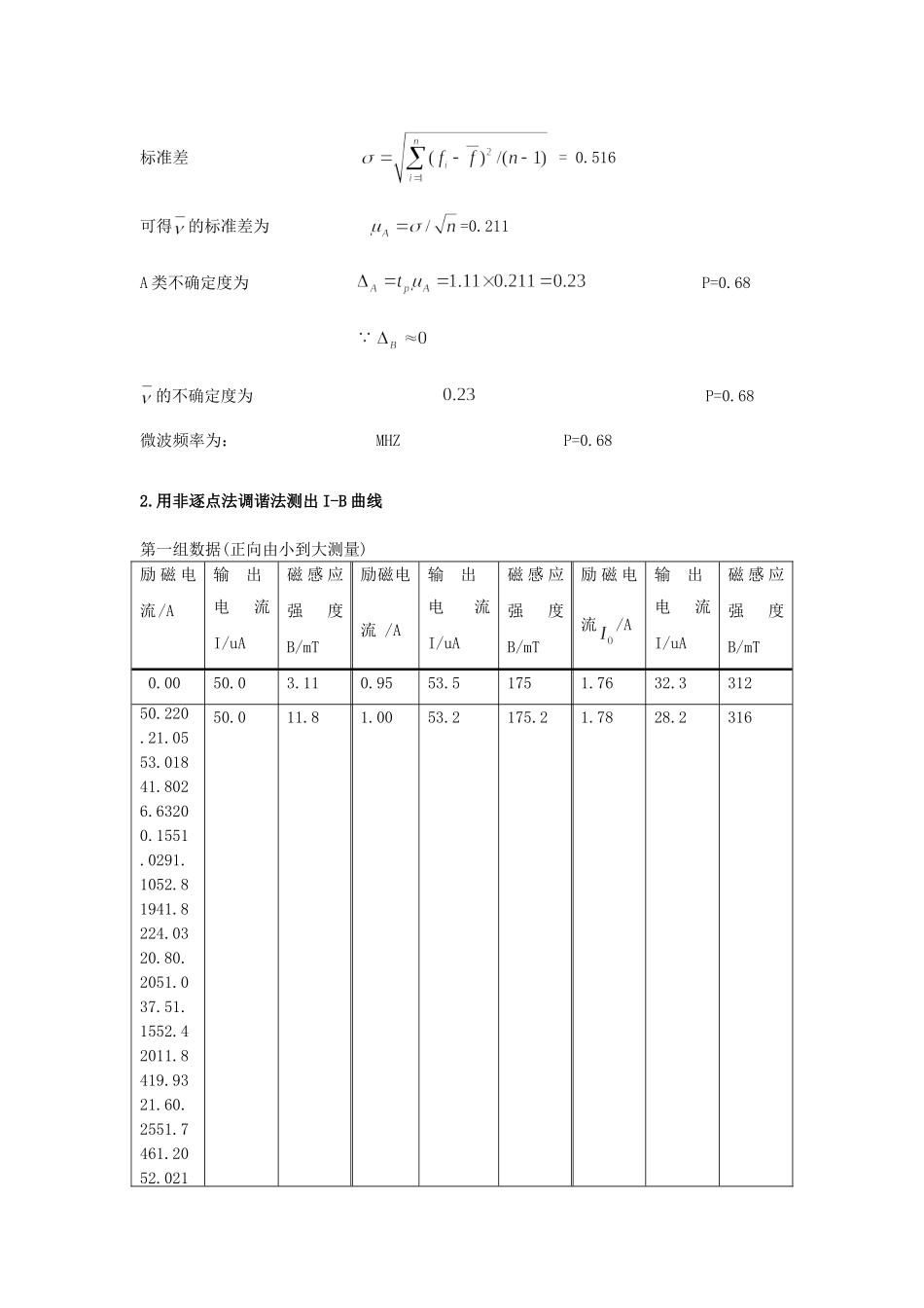
实验报告4+——0406李季PB04210049实验题目:铁磁共振实验目的:本试验要求学习用传输式谐振腔法研究铁磁共振现象,测量YIG小球(多晶)的共振曲线和g因子。实验原理:铁磁共振:在微波波段,只有铁氧体对微波吸收最小。当满足一定条件时,铁磁性物质从微波磁场中强烈吸收能量的现象称为铁磁共振。当外加稳恒磁场B时,铁氧体对微波的吸收剧烈变化,在处吸收最强烈,成为共振吸收,此现象极为铁磁共振。这里为微波磁场的角频率,为铁磁物质的磁旋比。铁磁共振试验通常采用谐振腔法,该法灵敏度高,但测量频率较窄。本试验用传输式谐振腔,其传输系数与样品共振吸收的关系简单,便于计算,但难以用抵消法提高灵敏度。将铁氧小球置于谐振腔微波磁场的最大处,使其处于相互垂直的稳恒磁场B和微波磁场Hm中,保持微波发生器输出功率恒定,调节谐振腔或微波发生器,使谐振腔的频率与微波磁场的频率相等,当改变B的大小时,由于铁磁共振,在谐振腔始终调谐时,在输入功率不变的情况下,输出功率为:(为腔的品质因数)。因而的变化可通过的变化来测量。然后通过P-B曲线可得。必须注意的是,当B改变时,磁导率的变化会引起谐振腔谐振频率的变化(频散效应),故实验时,每改变一次B都要调节谐振腔(或微波发生器频率),使它与输入微波磁场的频率调谐,以满足上式的关系,这种测量称逐点调谐,可以获得真实的共振吸收曲线,如图2.3.2-5,此时,对应于B1、B2的输出功率为式中P0、Pr、和P1/2分别是远离共振点、共振点和共振幅度半高处对应的输出功率。因此根据测得曲线,计算出P1/2,既能确定出。试验时直接测量的不是功率,而是检波电流I。缺少实验过程数据处理:1.通过波长求解微波频率123456波长(mm)2.9412.9402.9412.9402.9402.940频率(MHz)90029001900290019001数据有误由上表求得微波频率标准差=0.516可得的标准差为=0.211A类不确定度为P=0.68的不确定度为P=0.68微波频率为:MHZP=0.682.用非逐点法调谐法测出I-B曲线第一组数据(正向由小到大测量)励磁电流/A输出电流I/uA磁感应强度B/mT励磁电流/A输出电流I/uA磁感应强度B/mT励磁电流/A输出电流I/uA磁感应强度B/mT0.0050.03.110.9553.51751.7632.331250.220.21.0553.01841.8026.63200.1551.0291.1052.81941.8224.0320.80.2051.037.51.1552.42011.8419.9321.60.2551.7461.2052.02150.011.81.0053.2175.21.7828.231601.8619.0325.40.050.300.1052.055.51.2551.6217.51.8919.9335.60.3552.2641.3051.02261.9232....

1、当您付费下载文档后,您只拥有了使用权限,并不意味着购买了版权,文档只能用于自身使用,不得用于其他商业用途(如 [转卖]进行直接盈利或[编辑后售卖]进行间接盈利)。
2、本站所有内容均由合作方或网友上传,本站不对文档的完整性、权威性及其观点立场正确性做任何保证或承诺!文档内容仅供研究参考,付费前请自行鉴别。
3、如文档内容存在违规,或者侵犯商业秘密、侵犯著作权等,请点击“违规举报”。

碎片内容

蜗牛文库的最新文档

二年级数学下册其中检测卷二年级数学下册其中检测卷附答案#期中测试卷.pdf
10.00金币
0下载
二年级数学下册期末质检卷(苏教版)二年级数学下册期末质检卷(苏教版)#期末复习 #期末测试卷 #二年级数学 #二年级数学下册#关注我持续更新小学知识.pdf
10.00金币
0下载
二年级数学下册期末混合运算专项练习二年级数学下册期末混合运算专项练习#二年级#二年级数学下册#关注我持续更新小学知识 #知识分享 #家长收藏孩子受益.pdf
10.00金币
1下载
二年级数学下册年月日三类周期问题解题方法二年级数学下册年月日三类周期问题解题方法#二年级#二年级数学下册#知识分享 #关注我持续更新小学知识 #家长收藏孩子受益.pdf
10.00金币
0下载
二年级数学下册解决问题专项训练二年级数学下册解决问题专项训练#专项训练#解决问题#二年级#二年级数学下册#知识分享.pdf
10.00金币
1下载
二年级数学下册还原问题二年级数学下册还原问题#二年级#二年级数学#关注我持续更新小学知识 #知识分享 #家长收藏孩子受益.pdf
10.00金币
1下载
二年级数学下册第六单元考试卷家长打印出来给孩子测试测试争取拿到高分!#小学二年级试卷分享 #二年级第六单考试数学 #第六单考试#二年级数学下册.pdf
10.00金币
0下载
二年级数学下册必背顺口溜口诀汇总二年级数学下册必背顺口溜口诀汇总#二年级#二年级数学下册 #知识分享 #家长收藏孩子受益 #关注我持续更新小学知识.pdf
10.00金币
0下载
二年级数学下册《重点难点思维题》两大问题解决技巧和方法巧算星期几解决周期问题还原问题强化思维训练老师精心整理家长可以打印出来给孩子练习#家长收藏孩子受益 #学霸秘籍 #思维训练 #二年级 #知识点总结.pdf
10.00金币
0下载
二年级数学下册 必背公式大全寒假提前背一背开学更轻松#二年级 #二年级数学 #二年级数学下册 #寒假充电计划 #公式.pdf
10.00金币
0下载
蜗牛文库+ 关注
实名认证
内容提供者

提供各种专业文档内容

确认删除?
QQ
  • QQ点击这里给我发消息
微信客服
  • 微信客服
回到顶部