电脑桌面
添加蜗牛文库到电脑桌面
安装后可以在桌面快捷访问

基于闭式功率流的汽车驱动桥试验台的设计开题报告.docVIP免费

基于闭式功率流的汽车驱动桥试验台的设计开题报告.doc_第1页
基于闭式功率流的汽车驱动桥试验台的设计开题报告.doc_第2页
基于闭式功率流的汽车驱动桥试验台的设计开题报告.doc_第3页
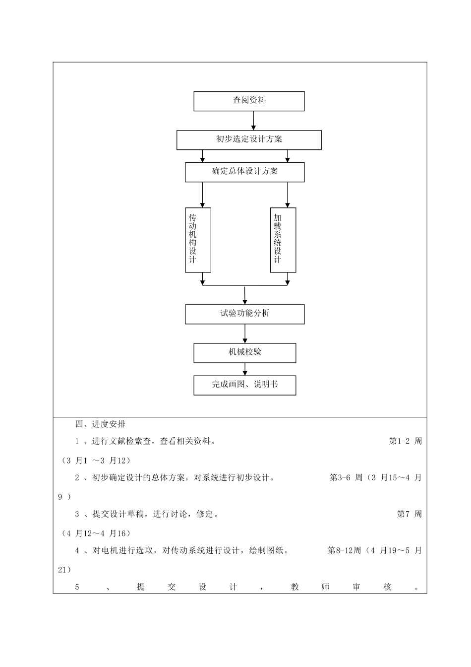
毕业设计(论文)开题报告学生姓名严吉雄系部汽车与交通工程学院专业、班级车辆工程B06-1指导教师姓名纪峻岭职称副教授从事专业车辆工程是否外聘□是■否题目名称基于闭式功率流的汽车驱动桥试验台的设计一、课题研究现状、选题目的和意义设计目的:汽车零部件性能试验在汽车试验方面占有重要的地位,汽车上的变速器、传动轴、驱动桥等重要部件具有结构复杂、使用条件复杂、可靠性要求高等特点,因此从产品开发到生产装车都需要对其进行大量的试验,而且这些试验的项目和规范都已形成国家标准并要求强制执行,以确定其各种性能参数是否满足设计的要求,为汽车的生产、销售、维修和使用者提供可靠的保障。本课题即是开发一款适合于汽车驱动桥性能试验的装置,设计原理采用闭式功率流的原理,以达到节能、操控方便、适用性强的目的。意义:汽车驱动桥性能试验的特点是周期长、耗能大、操控复杂、劳动强度大。因此,开发具有节约能源消耗、减轻操作人员劳动强度、试验程序规范、数据记录准确等特点的试验装置具有十分重要的意义。同时,通过此设计,能够培养学生综合运用所学知识独立完成设计的能力,以及培养学生分析问题和解决问题的能力。二、设计(论文)的基本内容、拟解决的主要问题1、研究的基本内容(1)试验台系统内能量损耗是多少,并选出电机;(2)设计出合理的封闭的传动系统;(3)了解加载器工作原理;(4)设计出加载器,并合理选出加载电机和设计减速器。2、拟解决的主要问题需要全套设计请联系QQ1537693694(1)传动系统设计,要有合理空间结构,并且封闭的;(2)加载器的结构设计;(3)传动系统、加载系统总装在一起。三、技术路线(研究方法)SY-025-BY-3四、进度安排1、进行文献检索查,查看相关资料。第1-2周(3月1~3月12)2、初步确定设计的总体方案,对系统进行初步设计。第3-6周(3月15~4月9)3、提交设计草稿,进行讨论,修定。第7周(4月12~4月16)4、对电机进行选取,对传动系统进行设计,绘制图纸。第8-12周(4月19~5月21)5、提交设计,教师审核。查阅资料初步选定设计方案传动机构设计加载系统设计机械校验完成画图、说明书确定总体设计方案试验功能分析第13-14周(5月24~6月4)6、设计修改。第15周(6月7~6月11)7、装订设计,准备答辩。第16周(6月14~6月18)8、设计答辩。第17周(6月21~6月25)五、参考文献[1]付百学等.汽车试验技术[M].北京理工大学,2007[2]何耀华汽车试验学[M].人民交通出版社,2005[3]...

1、当您付费下载文档后,您只拥有了使用权限,并不意味着购买了版权,文档只能用于自身使用,不得用于其他商业用途(如 [转卖]进行直接盈利或[编辑后售卖]进行间接盈利)。
2、本站所有内容均由合作方或网友上传,本站不对文档的完整性、权威性及其观点立场正确性做任何保证或承诺!文档内容仅供研究参考,付费前请自行鉴别。
3、如文档内容存在违规,或者侵犯商业秘密、侵犯著作权等,请点击“违规举报”。

碎片内容

蜗牛文库的最新文档

二年级数学下册其中检测卷二年级数学下册其中检测卷附答案#期中测试卷.pdf
10.00金币
0下载
二年级数学下册期末质检卷(苏教版)二年级数学下册期末质检卷(苏教版)#期末复习 #期末测试卷 #二年级数学 #二年级数学下册#关注我持续更新小学知识.pdf
10.00金币
0下载
二年级数学下册期末混合运算专项练习二年级数学下册期末混合运算专项练习#二年级#二年级数学下册#关注我持续更新小学知识 #知识分享 #家长收藏孩子受益.pdf
10.00金币
1下载
二年级数学下册年月日三类周期问题解题方法二年级数学下册年月日三类周期问题解题方法#二年级#二年级数学下册#知识分享 #关注我持续更新小学知识 #家长收藏孩子受益.pdf
10.00金币
0下载
二年级数学下册解决问题专项训练二年级数学下册解决问题专项训练#专项训练#解决问题#二年级#二年级数学下册#知识分享.pdf
10.00金币
1下载
二年级数学下册还原问题二年级数学下册还原问题#二年级#二年级数学#关注我持续更新小学知识 #知识分享 #家长收藏孩子受益.pdf
10.00金币
1下载
二年级数学下册第六单元考试卷家长打印出来给孩子测试测试争取拿到高分!#小学二年级试卷分享 #二年级第六单考试数学 #第六单考试#二年级数学下册.pdf
10.00金币
0下载
二年级数学下册必背顺口溜口诀汇总二年级数学下册必背顺口溜口诀汇总#二年级#二年级数学下册 #知识分享 #家长收藏孩子受益 #关注我持续更新小学知识.pdf
10.00金币
0下载
二年级数学下册《重点难点思维题》两大问题解决技巧和方法巧算星期几解决周期问题还原问题强化思维训练老师精心整理家长可以打印出来给孩子练习#家长收藏孩子受益 #学霸秘籍 #思维训练 #二年级 #知识点总结.pdf
10.00金币
0下载
二年级数学下册 必背公式大全寒假提前背一背开学更轻松#二年级 #二年级数学 #二年级数学下册 #寒假充电计划 #公式.pdf
10.00金币
0下载
蜗牛文库+ 关注
实名认证
内容提供者

提供各种专业文档内容

确认删除?
QQ
  • QQ点击这里给我发消息
微信客服
  • 微信客服
回到顶部