电脑桌面
添加蜗牛文库到电脑桌面
安装后可以在桌面快捷访问

时间测量中的随机误差分布规律(张).docVIP免费

时间测量中的随机误差分布规律(张).doc_第1页
时间测量中的随机误差分布规律(张).doc_第2页
时间测量中的随机误差分布规律(张).doc_第3页
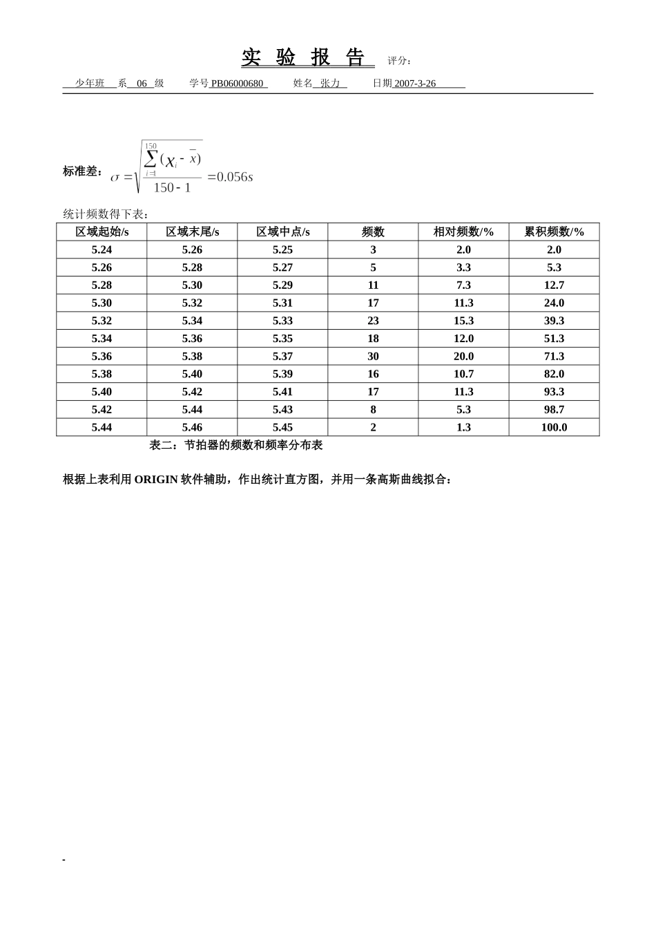
实验报告评分:少年班系06级学号PB06000680姓名张力日期2007-3-26实验题目:时间测量中的随机误差分布规律实验目的:同常规仪器测量时间间隔,通过对时间和频率测量的随机误差分布,学习用统计方法研究物理现象的过程和研究随机误差分布的规律。实验仪器:电子秒表、机械节拍器实验原理:1、仪器原理机械节拍器能按一定频率发出有规律的声响,前者利用齿轮带动摆作周期运动,后者利用石英晶体的振荡完成周期运动;电子秒表用石英晶体振荡器作时标测时,精度可达0.01s;2、统计分布规律原理在近似消除了系统误差的前提下,对时间t进行N次等精度测量,当N趋于无穷大时,各测量值出现的概率密度分布可用正态分布的概率密度函数表示:其中,为测量的算术平均值,,为测量列的标准差,,利用统计直方图表示测量列的分布规律,简便易行、直观明了。在本实验中利用f(x)得到概率密度分布曲线,并将其与统计直方图进行比较,在一定误差范围内认为是拟合的,可认为概率密度分布基本符合正态分布,其中的误差是由于环境、仪器、人的判断误差、N的非无穷大等所决定的。实验步骤:1、检查实验仪器是否能正常工作,秒表归零;2、将机械节拍器上好发条使其摆动,用秒表测量节拍器四个周期所用时间,在等精度条件下重复测量150-200次(本实验中测量150次),记录每次的测量结果;3、对数据进行处理(计算平均值、标准差、作出相应图表、误差分析等);数据处理:实验所测量得到的结果如下:实验报告评分:少年班系06级学号PB06000680姓名张力日期2007-3-26单位:秒4T4T4T4T4T5.265.375.335.365.335.315.335.305.335.365.355.325.405.395.355.415.245.345.405.375.375.285.295.315.425.285.355.395.295.425.415.375.405.415.275.425.315.365.375.345.385.395.355.345.315.295.365.335.425.315.275.375.385.335.295.365.385.375.375.345.455.325.405.395.335.395.345.365.365.405.355.305.335.285.345.435.425.365.325.375.315.375.345.275.395.375.435.335.335.295.375.415.395.335.415.345.335.395.285.305.415.375.435.375.375.305.315.325.405.335.445.295.415.345.385.375.415.395.345.325.385.335.315.365.365.305.325.385.315.345.305.405.405.355.305.375.285.375.275.315.245.405.335.375.325.375.355.395.335.27表一:原始数据(4个周期)数据分析如下:最小值:xmin=5.24s最大值:xmax=5.45s平均值:实验报告评分:少年班系06级学号PB06000680姓名张力日期...

1、当您付费下载文档后,您只拥有了使用权限,并不意味着购买了版权,文档只能用于自身使用,不得用于其他商业用途(如 [转卖]进行直接盈利或[编辑后售卖]进行间接盈利)。
2、本站所有内容均由合作方或网友上传,本站不对文档的完整性、权威性及其观点立场正确性做任何保证或承诺!文档内容仅供研究参考,付费前请自行鉴别。
3、如文档内容存在违规,或者侵犯商业秘密、侵犯著作权等,请点击“违规举报”。

碎片内容

蜗牛文库的最新文档

二年级数学下册其中检测卷二年级数学下册其中检测卷附答案#期中测试卷.pdf
10.00金币
0下载
二年级数学下册期末质检卷(苏教版)二年级数学下册期末质检卷(苏教版)#期末复习 #期末测试卷 #二年级数学 #二年级数学下册#关注我持续更新小学知识.pdf
10.00金币
0下载
二年级数学下册期末混合运算专项练习二年级数学下册期末混合运算专项练习#二年级#二年级数学下册#关注我持续更新小学知识 #知识分享 #家长收藏孩子受益.pdf
10.00金币
1下载
二年级数学下册年月日三类周期问题解题方法二年级数学下册年月日三类周期问题解题方法#二年级#二年级数学下册#知识分享 #关注我持续更新小学知识 #家长收藏孩子受益.pdf
10.00金币
0下载
二年级数学下册解决问题专项训练二年级数学下册解决问题专项训练#专项训练#解决问题#二年级#二年级数学下册#知识分享.pdf
10.00金币
1下载
二年级数学下册还原问题二年级数学下册还原问题#二年级#二年级数学#关注我持续更新小学知识 #知识分享 #家长收藏孩子受益.pdf
10.00金币
1下载
二年级数学下册第六单元考试卷家长打印出来给孩子测试测试争取拿到高分!#小学二年级试卷分享 #二年级第六单考试数学 #第六单考试#二年级数学下册.pdf
10.00金币
0下载
二年级数学下册必背顺口溜口诀汇总二年级数学下册必背顺口溜口诀汇总#二年级#二年级数学下册 #知识分享 #家长收藏孩子受益 #关注我持续更新小学知识.pdf
10.00金币
0下载
二年级数学下册《重点难点思维题》两大问题解决技巧和方法巧算星期几解决周期问题还原问题强化思维训练老师精心整理家长可以打印出来给孩子练习#家长收藏孩子受益 #学霸秘籍 #思维训练 #二年级 #知识点总结.pdf
10.00金币
0下载
二年级数学下册 必背公式大全寒假提前背一背开学更轻松#二年级 #二年级数学 #二年级数学下册 #寒假充电计划 #公式.pdf
10.00金币
0下载
蜗牛文库+ 关注
实名认证
内容提供者

提供各种专业文档内容

确认删除?
QQ
  • QQ点击这里给我发消息
微信客服
  • 微信客服
回到顶部