电脑桌面
添加蜗牛文库到电脑桌面
安装后可以在桌面快捷访问

用示波器测时间.docVIP免费

用示波器测时间.doc_第1页
用示波器测时间.doc_第2页
用示波器测时间.doc_第3页
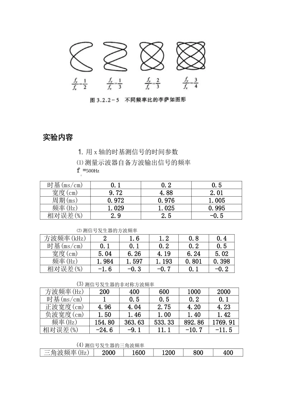
用示波器测时间实验目的:⒈了解示波器的结构原理⒉学会用x轴时基测时间参数⒊学会用李萨如图形测信号的频率实验原理:⒈用x轴时基测时间参数在实验中或工程技术上都经常用示波器来测量信号的时间参数,如信号的周期或频率,信号波形的宽度、上升时间或下降时间,信号的占空比(宽度/周期)等。如雷达通过测量发射脉冲信号与反射(接收)脉冲信号的时间差来实现测距离,其他无线电测距、声纳测潜艇位置等,都属于这一原理。设待测信号接y轴输入端,则Ty是待测信号的周期,Tx是x轴扫描信号的周期,N是一个扫描周期内所显示的待测信号的波形周期个数。如荧光屏上显示2个信号波形,扫描信号的周期为10ms,则待测信号的周期为5ms。x轴扫描信号的周期,实际上是以时基单位(时间/cm或时间/度)来标示的,一般的示波管荧光屏直径以10cm的居多,则式(2)的Tx,由时基(时间/cm)乘上10cm,如时基为0.1ms/cm,则扫描信号的周期为1ms。为此,在实际测量中,(3)式中的波形厘米数,可以是信号一个周期的读数(可测待测信号的周期)、正脉冲(或负脉冲)的信号宽度的读数或待测信号波形的其他参数。⒉用李萨如图形测信号的频率如果将不同的信号分别输入到y轴和x轴的输入端,当两个信号的频率满足一定的关系时,在荧光屏上将显示出李萨如图形,可用测量李萨如图形的相位参数或波形的切点数来测量时间参数。二个互相垂直的振动(有相同的自变量)的合成李萨如图形。(1)频率相同而振幅和相位不同时,两正交正弦电压的合成图形。设此两正弦电压分别为:(4)消去自变时t,得到的轨迹方程为:(5)这是一个椭圆方程。当两个正交电压的相位差φ取0~2π的不同值时,合成的圆形如图3.2.2-4所示。(2)两正交正弦电压的相位差一定,频率比为一个有理数时,合成的圆形是一条稳定的闭合曲线。图3.2.2-5是几种频率比时的图形,频率比与图形的切点数之间有下列关系:实验内容⒈用x轴的时基测信号的时间参数⑴测量示波器自备方波输出信号的频率f=500Hz时基(ms/cm)0.10.20.5宽度(cm)9.724.882.01周期(ms)0.9720.9761.005频率(Hz)1.0291.0250.995相对误差(%)2.92.5-0.5⑵测信号发生器的方波频率方波频率(kHz)21.61.20.80.4时基(ms/cm)0.10.10.20.20.5宽度(cm)5.046.264.196.245.02频率(Hz)1.9841.5971.1930.8010.398相对误差(%)-1.6-0.3-0.70.1-0.2⑶测信号发生器的非对称方波频率方波频率(Hz)20040060010002000时基(ms/cm)10.50.50.20.1正波宽度(cm)4.964.042.754.204.23负...

1、当您付费下载文档后,您只拥有了使用权限,并不意味着购买了版权,文档只能用于自身使用,不得用于其他商业用途(如 [转卖]进行直接盈利或[编辑后售卖]进行间接盈利)。
2、本站所有内容均由合作方或网友上传,本站不对文档的完整性、权威性及其观点立场正确性做任何保证或承诺!文档内容仅供研究参考,付费前请自行鉴别。
3、如文档内容存在违规,或者侵犯商业秘密、侵犯著作权等,请点击“违规举报”。

碎片内容

蜗牛文库的最新文档

二年级数学下册其中检测卷二年级数学下册其中检测卷附答案#期中测试卷.pdf
10.00金币
0下载
二年级数学下册期末质检卷(苏教版)二年级数学下册期末质检卷(苏教版)#期末复习 #期末测试卷 #二年级数学 #二年级数学下册#关注我持续更新小学知识.pdf
10.00金币
0下载
二年级数学下册期末混合运算专项练习二年级数学下册期末混合运算专项练习#二年级#二年级数学下册#关注我持续更新小学知识 #知识分享 #家长收藏孩子受益.pdf
10.00金币
1下载
二年级数学下册年月日三类周期问题解题方法二年级数学下册年月日三类周期问题解题方法#二年级#二年级数学下册#知识分享 #关注我持续更新小学知识 #家长收藏孩子受益.pdf
10.00金币
0下载
二年级数学下册解决问题专项训练二年级数学下册解决问题专项训练#专项训练#解决问题#二年级#二年级数学下册#知识分享.pdf
10.00金币
1下载
二年级数学下册还原问题二年级数学下册还原问题#二年级#二年级数学#关注我持续更新小学知识 #知识分享 #家长收藏孩子受益.pdf
10.00金币
1下载
二年级数学下册第六单元考试卷家长打印出来给孩子测试测试争取拿到高分!#小学二年级试卷分享 #二年级第六单考试数学 #第六单考试#二年级数学下册.pdf
10.00金币
0下载
二年级数学下册必背顺口溜口诀汇总二年级数学下册必背顺口溜口诀汇总#二年级#二年级数学下册 #知识分享 #家长收藏孩子受益 #关注我持续更新小学知识.pdf
10.00金币
0下载
二年级数学下册《重点难点思维题》两大问题解决技巧和方法巧算星期几解决周期问题还原问题强化思维训练老师精心整理家长可以打印出来给孩子练习#家长收藏孩子受益 #学霸秘籍 #思维训练 #二年级 #知识点总结.pdf
10.00金币
0下载
二年级数学下册 必背公式大全寒假提前背一背开学更轻松#二年级 #二年级数学 #二年级数学下册 #寒假充电计划 #公式.pdf
10.00金币
0下载
蜗牛文库+ 关注
实名认证
内容提供者

提供各种专业文档内容

确认删除?
QQ
  • QQ点击这里给我发消息
微信客服
  • 微信客服
回到顶部