电脑桌面
添加蜗牛文库到电脑桌面
安装后可以在桌面快捷访问

用热敏电阻测量温度.docVIP免费

用热敏电阻测量温度.doc_第1页
用热敏电阻测量温度.doc_第2页
用热敏电阻测量温度.doc_第3页
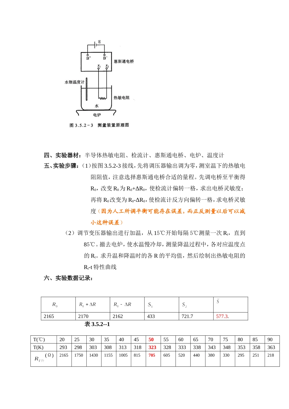
物理实验报告化学物理系05级姓名张亮实验时间3/27晚学号PB05206050实验一(3.5.2)一、实验题目:用热敏电阻测量温度二、实验目的:了解热敏电阻-温度特性和测温原理,掌握惠斯通电桥的原理和使用方法。学习坐标变换、曲线改直的技巧和用异号法消除零点误差等方法。三、实验原理:(1)半导体热敏电阻的电阻——温度特性某些金属氧化物半导体(如:Fe3O4、MgCr2O4等)的电阻与温度关系满足式(1):(1)式中RT是温度T时的热敏电阻阻值,R是T趋于无穷时热敏电阻的阻值,B是热敏电阻的材料常数,T为热力学温度。两边取对数得;(2)可以通过做-曲线,将曲线改直。根据定义,电阻的温度系数可由式(3)来决定:(3)故在R-t曲线某一特定点作切线,便可求出该温度时的半导体电阻温度系数a。(2)惠斯通电桥的工作原理在电桥平衡下可推导出来:当电桥平衡时检流计无偏转。实验时电桥调到R1/R2=1则有Rx=R0。电桥灵敏度S为:(4)式中ΔRx指的是在电桥平衡后Rx的微小改变量(实际上待测电阻Rx若不能改变,可通过改变标准电阻R0来测电桥灵敏度),Δn越大,说明电桥灵敏度越高,带来的测量误差就越小。(3)实验装置图:四、实验器材:半导体热敏电阻、检流计、惠斯通电桥、电炉、温度计五、实验步骤:(1)按图3.5.2-3接线,先将调压器输出调为零,测室温下的热敏电阻阻值,注意选择惠斯通电桥合适的量程。先调电桥至平衡得R0,改变R0为R0+ΔR0,使检流计偏转一格,求出电桥灵敏度;再将R0改变为R0-ΔR0,使检流计反方向偏转一格,求电桥灵敏度(因为人工所调平衡可能存在误差,而正反测量以后可以减小这种误差)(2)调节变压器输出进行加温,从15℃开始每隔5℃测量一次Rt,直到85℃。撤去电炉,使水温慢冷却,测量降温过程中,各对应温度点的Rt。求升温和降温时的各R的平均值,然后绘制出热敏电阻的Rt-t特性曲线六、实验数据记录:216521702162433721.7577.3.表3.5.2--1T(℃)202530354045505560657075808590T(K)293298303308313318323328333338343348353358363(Ω)21651750143011551005815705605520440380330295251218表3.5.2—2T(10℃)5.04.03.32.92.52.22.0.1.81.71.51.41.31.31.21.17.687.477.277.056.916.76.566.416.256.095.945.85.695.535.38表3.5.2-3七、实验数据分析(1)特性曲线Data:Data1_BModel:BoltzmannEquation:y=A2+(A1-A2)/(1+exp((x-x0)/dx))Weighting:yNoweightingChi^2/DoF=447.3105R^2=0.99899A136248.66599?00072.74652A2153.01509?4...

1、当您付费下载文档后,您只拥有了使用权限,并不意味着购买了版权,文档只能用于自身使用,不得用于其他商业用途(如 [转卖]进行直接盈利或[编辑后售卖]进行间接盈利)。
2、本站所有内容均由合作方或网友上传,本站不对文档的完整性、权威性及其观点立场正确性做任何保证或承诺!文档内容仅供研究参考,付费前请自行鉴别。
3、如文档内容存在违规,或者侵犯商业秘密、侵犯著作权等,请点击“违规举报”。

碎片内容

蜗牛文库的最新文档

二年级数学下册其中检测卷二年级数学下册其中检测卷附答案#期中测试卷.pdf
10.00金币
0下载
二年级数学下册期末质检卷(苏教版)二年级数学下册期末质检卷(苏教版)#期末复习 #期末测试卷 #二年级数学 #二年级数学下册#关注我持续更新小学知识.pdf
10.00金币
0下载
二年级数学下册期末混合运算专项练习二年级数学下册期末混合运算专项练习#二年级#二年级数学下册#关注我持续更新小学知识 #知识分享 #家长收藏孩子受益.pdf
10.00金币
1下载
二年级数学下册年月日三类周期问题解题方法二年级数学下册年月日三类周期问题解题方法#二年级#二年级数学下册#知识分享 #关注我持续更新小学知识 #家长收藏孩子受益.pdf
10.00金币
0下载
二年级数学下册解决问题专项训练二年级数学下册解决问题专项训练#专项训练#解决问题#二年级#二年级数学下册#知识分享.pdf
10.00金币
1下载
二年级数学下册还原问题二年级数学下册还原问题#二年级#二年级数学#关注我持续更新小学知识 #知识分享 #家长收藏孩子受益.pdf
10.00金币
1下载
二年级数学下册第六单元考试卷家长打印出来给孩子测试测试争取拿到高分!#小学二年级试卷分享 #二年级第六单考试数学 #第六单考试#二年级数学下册.pdf
10.00金币
0下载
二年级数学下册必背顺口溜口诀汇总二年级数学下册必背顺口溜口诀汇总#二年级#二年级数学下册 #知识分享 #家长收藏孩子受益 #关注我持续更新小学知识.pdf
10.00金币
0下载
二年级数学下册《重点难点思维题》两大问题解决技巧和方法巧算星期几解决周期问题还原问题强化思维训练老师精心整理家长可以打印出来给孩子练习#家长收藏孩子受益 #学霸秘籍 #思维训练 #二年级 #知识点总结.pdf
10.00金币
0下载
二年级数学下册 必背公式大全寒假提前背一背开学更轻松#二年级 #二年级数学 #二年级数学下册 #寒假充电计划 #公式.pdf
10.00金币
0下载
蜗牛文库+ 关注
实名认证
内容提供者

提供各种专业文档内容

确认删除?
QQ
  • QQ点击这里给我发消息
微信客服
  • 微信客服
回到顶部