电脑桌面
添加蜗牛文库到电脑桌面
安装后可以在桌面快捷访问

铁磁材料的磁滞回线和基本磁化曲线(2).docVIP免费

铁磁材料的磁滞回线和基本磁化曲线(2).doc_第1页
铁磁材料的磁滞回线和基本磁化曲线(2).doc_第2页
铁磁材料的磁滞回线和基本磁化曲线(2).doc_第3页
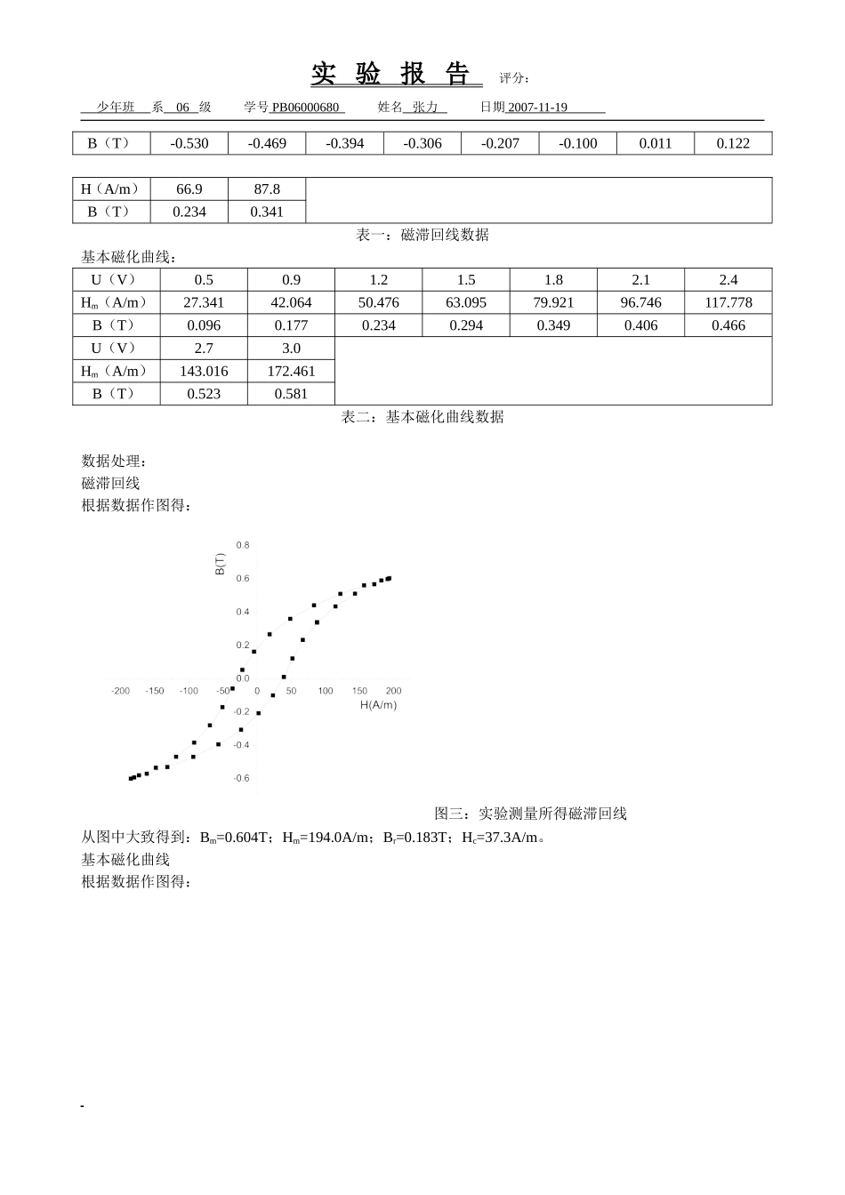
实验报告评分:少年班系06级学号PB06000680姓名张力日期2007-11-19实验题目:铁磁材料的磁滞回线和基本磁化曲线实验目的:认识铁磁物质的磁化规律;测定样品的基本磁化规律,作μ-H曲线;计算样品的Hc、Br、Bm和(Hm,Bm)等参数;测绘样品的磁滞回线,估算其磁带损耗。实验原理:铁磁物质在外磁场作用下被强烈磁化,故磁导率μ很大;在磁化场作用停止后,铁磁质可以保留磁化状态。以B为纵轴,H为横轴作图,原点表示磁化之前物质处于磁中性状态,B=H=0,当H开始增加时,B随之增加。如右上图中a,称为起始磁化曲线。当H从Hm减小时,B沿滞后于H的曲线SR减小,这就是磁滞现象。当H=0时,B=Br称为保留剩磁。当B=0时,H=-Hc,Hc称为矫顽力。当磁场沿Hm→0→-Hc→-Hm→0→Hc→Hm次序变化时,相应的B沿一条闭合曲线变化(右上图),这个曲线就是磁滞回线。若铁磁材料在交变电场中不断反复被磁图一:磁滞回线化、去磁化,那么材料在这个过程中要消耗额外的能量,称为磁滞损耗,其值与磁滞回线面积成正比。磁滞回线的顶点的连线称为基本磁化曲线(右下图)。图二:基本磁化曲线实验内容:1、将仪器的连线连接好,开启仪器;2、退磁后,将额定电压调至3.0V,测量铁磁质的磁滞回线;3、将电压从0.5V逐渐调至3.0V,依次得到Bm、Hm,从而得到铁磁质的基本磁化曲线。实验数据:磁滞回线:H(A/m)87.9114.7143.3171.6191.0193.5181.7156.6B(T)0.3380.4350.5110.5680.5990.6040.5910.561H(A/m)122.083.348.618.3-4.6-21.8-36.2-50.7B(T)0.5100.4410.3600.2680.1630.054-0.059-0.170H(A/m)-69.1-92.4-118.8-148.3-172.9-184.9-180.0-161.5B(T)-0.279-0.383-0.468-0.535-0.580-0.599-0.593-0.571H(A/m)-131.5-93.5-56.8-23.52.223.239.151.8实验报告评分:少年班系06级学号PB06000680姓名张力日期2007-11-19B(T)-0.530-0.469-0.394-0.306-0.207-0.1000.0110.122H(A/m)66.987.8B(T)0.2340.341表一:磁滞回线数据基本磁化曲线:U(V)0.50.91.21.51.82.12.4Hm(A/m)27.34142.06450.47663.09579.92196.746117.778B(T)0.0960.1770.2340.2940.3490.4060.466U(V)2.73.0Hm(A/m)143.016172.461B(T)0.5230.581表二:基本磁化曲线数据数据处理:磁滞回线根据数据作图得:图三:实验测量所得磁滞回线从图中大致得到:Bm=0.604T;Hm=194.0A/m;Br=0.183T;Hc=37.3A/m。基本磁化曲线根据数据作图得:实验报告评分:少年班系06级学号PB06000680姓名张力...

1、当您付费下载文档后,您只拥有了使用权限,并不意味着购买了版权,文档只能用于自身使用,不得用于其他商业用途(如 [转卖]进行直接盈利或[编辑后售卖]进行间接盈利)。
2、本站所有内容均由合作方或网友上传,本站不对文档的完整性、权威性及其观点立场正确性做任何保证或承诺!文档内容仅供研究参考,付费前请自行鉴别。
3、如文档内容存在违规,或者侵犯商业秘密、侵犯著作权等,请点击“违规举报”。

碎片内容

蜗牛文库的最新文档

二年级数学下册其中检测卷二年级数学下册其中检测卷附答案#期中测试卷.pdf
10.00金币
0下载
二年级数学下册期末质检卷(苏教版)二年级数学下册期末质检卷(苏教版)#期末复习 #期末测试卷 #二年级数学 #二年级数学下册#关注我持续更新小学知识.pdf
10.00金币
0下载
二年级数学下册期末混合运算专项练习二年级数学下册期末混合运算专项练习#二年级#二年级数学下册#关注我持续更新小学知识 #知识分享 #家长收藏孩子受益.pdf
10.00金币
1下载
二年级数学下册年月日三类周期问题解题方法二年级数学下册年月日三类周期问题解题方法#二年级#二年级数学下册#知识分享 #关注我持续更新小学知识 #家长收藏孩子受益.pdf
10.00金币
0下载
二年级数学下册解决问题专项训练二年级数学下册解决问题专项训练#专项训练#解决问题#二年级#二年级数学下册#知识分享.pdf
10.00金币
1下载
二年级数学下册还原问题二年级数学下册还原问题#二年级#二年级数学#关注我持续更新小学知识 #知识分享 #家长收藏孩子受益.pdf
10.00金币
1下载
二年级数学下册第六单元考试卷家长打印出来给孩子测试测试争取拿到高分!#小学二年级试卷分享 #二年级第六单考试数学 #第六单考试#二年级数学下册.pdf
10.00金币
0下载
二年级数学下册必背顺口溜口诀汇总二年级数学下册必背顺口溜口诀汇总#二年级#二年级数学下册 #知识分享 #家长收藏孩子受益 #关注我持续更新小学知识.pdf
10.00金币
0下载
二年级数学下册《重点难点思维题》两大问题解决技巧和方法巧算星期几解决周期问题还原问题强化思维训练老师精心整理家长可以打印出来给孩子练习#家长收藏孩子受益 #学霸秘籍 #思维训练 #二年级 #知识点总结.pdf
10.00金币
0下载
二年级数学下册 必背公式大全寒假提前背一背开学更轻松#二年级 #二年级数学 #二年级数学下册 #寒假充电计划 #公式.pdf
10.00金币
0下载
蜗牛文库+ 关注
实名认证
内容提供者

提供各种专业文档内容

确认删除?
QQ
  • QQ点击这里给我发消息
微信客服
  • 微信客服
回到顶部