电脑桌面
添加蜗牛文库到电脑桌面
安装后可以在桌面快捷访问

示波器测量时间 - 复制.docVIP免费

示波器测量时间 - 复制.doc_第1页
示波器测量时间 - 复制.doc_第2页
示波器测量时间 - 复制.doc_第3页
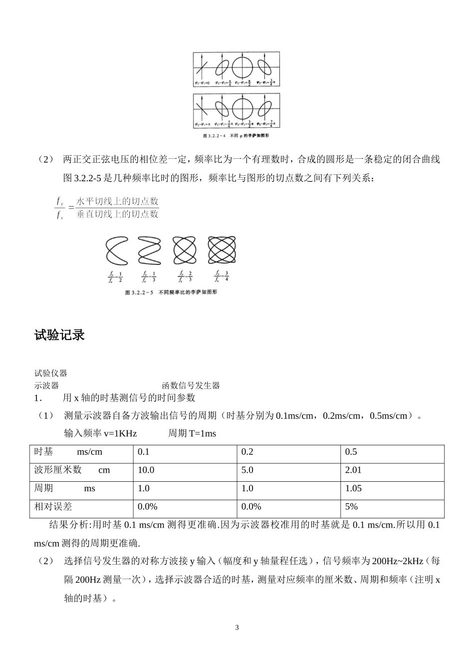
试验名称:用示波器测量时间试验目的:本实验的目的是了解示波器的基本原理和结构,学习使用示波器观察波形和测量信号周期及其时间参数。实验原理1.示波器的基本结构示波器的结构如图3.2.2-1所示,由示波管(又称阴极射线管)、放大系统、衰减系统、扫描和同步系统及电源等部分组成。示波管是示波器的基本构件,它由电子枪、偏转板和荧光屏三部分组成.电子枪是示波管的核心部分它由阴极、栅极和阳极构成。(1)阴极——阴极的射线源:(2)栅极——辉度控制:由第一栅极G1(又称控制级)和第二栅极G2(又称前加速级)构成,(3)第一阳极——聚焦:(4)第二阳极——电子的加速:(5)偏转板:由两对相互垂直的金属板构成,在两对金属板上分别加以直流电压,以控制电子束的位置,适当调节这个电压值可以把光点或波形移到荧光屏的中间部位。(6)荧光屏:荧光屏(P)上面涂有硅酸锌、钨酸镉、钨酸钙等磷光物质,能在高能电子的轰击下发光。余辉使我们能在屏上观察到光点的连续轨迹。自阴极发射的电子束,经过第一栅极(G1)、第二栅极(G2)、第一阳极(A1)、第二阳极(A2)的加速和聚焦后,形成一个细电子束。垂直偏转板(常称y轴)及水平偏转板(常称x轴)所形成的二维电场,使电子束发生位移,位移的大小,与y偏转板及x偏转板上所加的电压有关:(1)式(1)中的Sy和Dy为y轴偏转板的偏转灵敏度和偏转因数,Sx和Dx为x轴偏转板的偏转灵敏度和偏转因数。它们均与偏转板的参数有关,是示波器的主要技术指标之一。2.示波器显示波形的原理由式(1),y轴或x轴的位移与所加电压有关。如图3.2.2-3,在x轴偏转板上加一个随时间t按一定比例增加的电压Vx,光点从A点向B点移动。Vx周期性变化(此种变化称为锯齿波),并且由于发光物质的特殊性使光迹有一定保留时间(由荧光屏的发光物质而定),于是就得到一条“扫描线”,称为时间基线。1如果在x轴上加有锯齿形扫描电压的同时,在y轴上加一正弦变化的电压,则电子束受到水平电场和垂直电场的共同作用而呈现二维图形。很显然,为了得到清晰稳定的波形,上述扫描电压的周期Tx(或频率fx)与被测信号的周期Ty(或fy)必须满足,,n=1,2,…(2)以保证Tx轴的起点始终与y轴周期信号固定一点相对应(称“同步”),波形才稳定。否则,波形就不稳定而无法观测。由于扫描电压发生器的扫描频率fx不会很稳定。因此,要保证式(2)始终成立,示波器需设置扫描电压同步电路,即触发电路.用x轴时基测时间参数在实验中或工程...

1、当您付费下载文档后,您只拥有了使用权限,并不意味着购买了版权,文档只能用于自身使用,不得用于其他商业用途(如 [转卖]进行直接盈利或[编辑后售卖]进行间接盈利)。
2、本站所有内容均由合作方或网友上传,本站不对文档的完整性、权威性及其观点立场正确性做任何保证或承诺!文档内容仅供研究参考,付费前请自行鉴别。
3、如文档内容存在违规,或者侵犯商业秘密、侵犯著作权等,请点击“违规举报”。

碎片内容

蜗牛文库的最新文档

二年级数学下册其中检测卷二年级数学下册其中检测卷附答案#期中测试卷.pdf
10.00金币
0下载
二年级数学下册期末质检卷(苏教版)二年级数学下册期末质检卷(苏教版)#期末复习 #期末测试卷 #二年级数学 #二年级数学下册#关注我持续更新小学知识.pdf
10.00金币
0下载
二年级数学下册期末混合运算专项练习二年级数学下册期末混合运算专项练习#二年级#二年级数学下册#关注我持续更新小学知识 #知识分享 #家长收藏孩子受益.pdf
10.00金币
1下载
二年级数学下册年月日三类周期问题解题方法二年级数学下册年月日三类周期问题解题方法#二年级#二年级数学下册#知识分享 #关注我持续更新小学知识 #家长收藏孩子受益.pdf
10.00金币
0下载
二年级数学下册解决问题专项训练二年级数学下册解决问题专项训练#专项训练#解决问题#二年级#二年级数学下册#知识分享.pdf
10.00金币
1下载
二年级数学下册还原问题二年级数学下册还原问题#二年级#二年级数学#关注我持续更新小学知识 #知识分享 #家长收藏孩子受益.pdf
10.00金币
1下载
二年级数学下册第六单元考试卷家长打印出来给孩子测试测试争取拿到高分!#小学二年级试卷分享 #二年级第六单考试数学 #第六单考试#二年级数学下册.pdf
10.00金币
0下载
二年级数学下册必背顺口溜口诀汇总二年级数学下册必背顺口溜口诀汇总#二年级#二年级数学下册 #知识分享 #家长收藏孩子受益 #关注我持续更新小学知识.pdf
10.00金币
0下载
二年级数学下册《重点难点思维题》两大问题解决技巧和方法巧算星期几解决周期问题还原问题强化思维训练老师精心整理家长可以打印出来给孩子练习#家长收藏孩子受益 #学霸秘籍 #思维训练 #二年级 #知识点总结.pdf
10.00金币
0下载
二年级数学下册 必背公式大全寒假提前背一背开学更轻松#二年级 #二年级数学 #二年级数学下册 #寒假充电计划 #公式.pdf
10.00金币
0下载
蜗牛文库+ 关注
实名认证
内容提供者

提供各种专业文档内容

确认删除?
QQ
  • QQ点击这里给我发消息
微信客服
  • 微信客服
回到顶部