电脑桌面
添加蜗牛文库到电脑桌面
安装后可以在桌面快捷访问

汽车举升机液压系统设计开题报告.docVIP免费

汽车举升机液压系统设计开题报告.doc_第1页
汽车举升机液压系统设计开题报告.doc_第2页
汽车举升机液压系统设计开题报告.doc_第3页
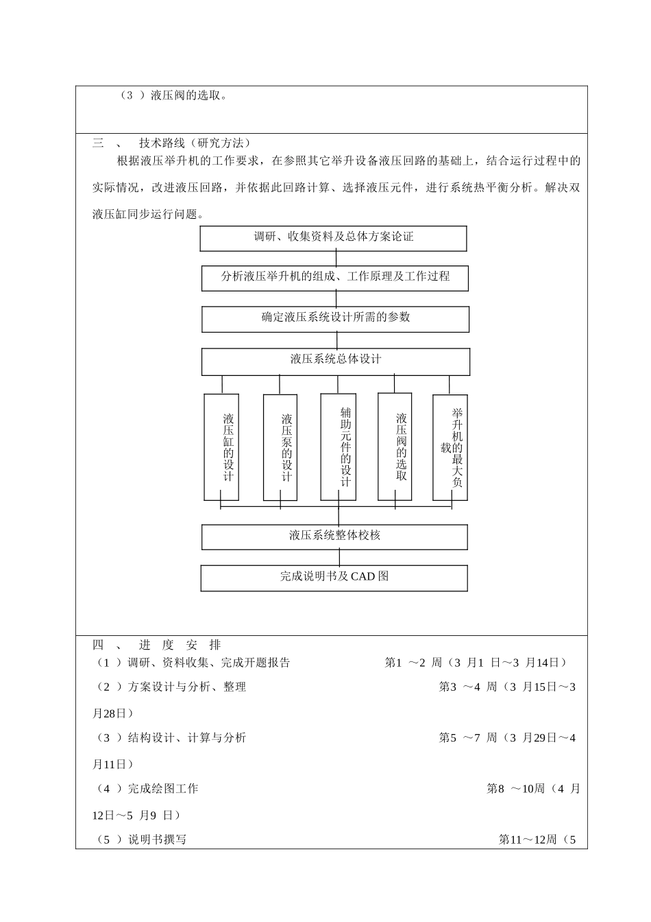
毕业设计(论文)开题报告学生姓名李长明系部汽车与交通工程学院专业、班级车辆工程B06-6指导教师姓名付百学职称教授从事专业车辆工程是否外聘□是■否题目名称汽车举升机液压系统设计一、课题研究现状、选题目的和意义近年来,我国汽车业蓬勃发展,汽车维修行业也随之得到大力发展,各种维修设备的需求迅速扩大。汽车举升机是维修厂必备的,也是最重要的维修机械。汽车举升机的作用是将需要维修的汽车水平提升到合适的高度,以便于维修工人在汽车底盘下方对汽车进行维修。汽车举升机要求其能够从两侧将汽车水平同步举升,不能发生侧偏.而汽车底盘下方必须为空的,以方便工人进行维修作业,要求汽车举升机两侧的举升装置必须是分离的,且两侧的上升或下降又必须是完全同步的。由于汽车的重量一般都较大,再加上举升装置自身的重量,要求举升力较大,而且升降时要求非常平稳,所以汽车举升机一般都采用液压系统进行驱动。汽车举升机在汽车维修行业是最重要,最基本的工具之一,是将汽车从一个高度提升至另一高度进行维修的设备,具有至关重要和不可替代的作用。它能否正常运转会直接影响到维修车辆、维修人员的安全,甚至会直接影响到汽车维修业务的兴衰。举升机一定要安全可靠、维护简单,否则在一定程度上会影响工作效率。而传统的机械式举升机安全性较差,所需的维护工作较多,被液压式举升机取代也是大势所趋。液压式举升机,它具有安全性周期长以能好、维护及工作效率高等优点。需要全套设计请联系QQ1537693694二、设计(论文)的基本内容、拟解决的主要问题设计内容:(1)分析液压举升机的组成、工作原理及工作过程;(2)液压系统设计原则和策略;(3)液压系统总体设计,液压传动系统及液压原理图;(4)液压泵、液压阀、辅助元件设计;(5)系统压力损失计算。拟解决的主要问题:(1)液压缸的设计;(2)举升机的最大负载;SY-025-BY-3(3)液压阀的选取。三、技术路线(研究方法)根据液压举升机的工作要求,在参照其它举升设备液压回路的基础上,结合运行过程中的实际情况,改进液压回路,并依据此回路计算、选择液压元件,进行系统热平衡分析。解决双液压缸同步运行问题。四、进度安排(1)调研、资料收集、完成开题报告第1~2周(3月1日~3月14日)(2)方案设计与分析、整理第3~4周(3月15日~3月28日)(3)结构设计、计算与分析第5~7周(3月29日~4月11日)(4)完成绘图工作第8~10周(4月12日~5月9日)(5)说明书撰写第11~...

1、当您付费下载文档后,您只拥有了使用权限,并不意味着购买了版权,文档只能用于自身使用,不得用于其他商业用途(如 [转卖]进行直接盈利或[编辑后售卖]进行间接盈利)。
2、本站所有内容均由合作方或网友上传,本站不对文档的完整性、权威性及其观点立场正确性做任何保证或承诺!文档内容仅供研究参考,付费前请自行鉴别。
3、如文档内容存在违规,或者侵犯商业秘密、侵犯著作权等,请点击“违规举报”。

碎片内容

蜗牛文库的最新文档

二年级数学下册其中检测卷二年级数学下册其中检测卷附答案#期中测试卷.pdf
10.00金币
0下载
二年级数学下册期末质检卷(苏教版)二年级数学下册期末质检卷(苏教版)#期末复习 #期末测试卷 #二年级数学 #二年级数学下册#关注我持续更新小学知识.pdf
10.00金币
0下载
二年级数学下册期末混合运算专项练习二年级数学下册期末混合运算专项练习#二年级#二年级数学下册#关注我持续更新小学知识 #知识分享 #家长收藏孩子受益.pdf
10.00金币
1下载
二年级数学下册年月日三类周期问题解题方法二年级数学下册年月日三类周期问题解题方法#二年级#二年级数学下册#知识分享 #关注我持续更新小学知识 #家长收藏孩子受益.pdf
10.00金币
0下载
二年级数学下册解决问题专项训练二年级数学下册解决问题专项训练#专项训练#解决问题#二年级#二年级数学下册#知识分享.pdf
10.00金币
1下载
二年级数学下册还原问题二年级数学下册还原问题#二年级#二年级数学#关注我持续更新小学知识 #知识分享 #家长收藏孩子受益.pdf
10.00金币
1下载
二年级数学下册第六单元考试卷家长打印出来给孩子测试测试争取拿到高分!#小学二年级试卷分享 #二年级第六单考试数学 #第六单考试#二年级数学下册.pdf
10.00金币
0下载
二年级数学下册必背顺口溜口诀汇总二年级数学下册必背顺口溜口诀汇总#二年级#二年级数学下册 #知识分享 #家长收藏孩子受益 #关注我持续更新小学知识.pdf
10.00金币
0下载
二年级数学下册《重点难点思维题》两大问题解决技巧和方法巧算星期几解决周期问题还原问题强化思维训练老师精心整理家长可以打印出来给孩子练习#家长收藏孩子受益 #学霸秘籍 #思维训练 #二年级 #知识点总结.pdf
10.00金币
0下载
二年级数学下册 必背公式大全寒假提前背一背开学更轻松#二年级 #二年级数学 #二年级数学下册 #寒假充电计划 #公式.pdf
10.00金币
0下载
蜗牛文库+ 关注
实名认证
内容提供者

提供各种专业文档内容

确认删除?
QQ
  • QQ点击这里给我发消息
微信客服
  • 微信客服
回到顶部