电脑桌面
添加蜗牛文库到电脑桌面
安装后可以在桌面快捷访问

TS管理体系过程关系图.pdfVIP免费

TS管理体系过程关系图.pdf_第1页
TS管理体系过程关系图.pdf_第2页
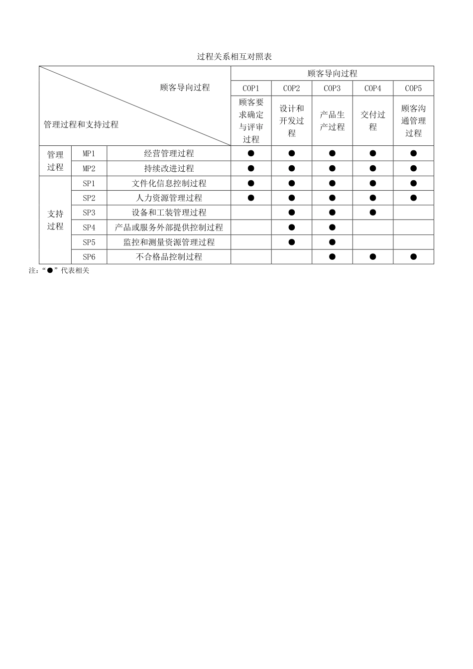
YNN管理体系过程关系图TS管理体系过程识别与关系图客户拜访媒体网络展会信息分析评价客户沟通结论/意向需求信息接收需求评审新产品技术资料质量要求初期报价工装洽谈样品确认确认常规产品价格评审技术评审交期评审质量评审客户沟通供应商能力开发PFMEA供应商考核管理PFMEA供应商评价合格PFMEA进度控制批量生产生产计划采购计划采购外协加工管理PFMEA物料到货物料检验S6不合格品控制过程PFMEA合格品入库仓储管理领料审批材料出库先进先出生产车间工艺准备生产前准备首件确认生产制造CPK分析过程监控控制计划自检/巡检产品终检包装零缺陷管理PFMEA产品标识与可追溯PFMEA产品标识与可追溯PFMEA合格成品入库仓储管理成品运输防护产品交付确认客户信息反馈客户抱怨处理客户需求调研/收集合格成品出库纠正预防措施顾客服务成品检验S3设备和工装管理设计开发FMEA/PPK/CPK/MSA分析PFMEA提交PPAP先期策划与控制计划产品设计开发工装模具工艺设计样件制作小批量试生产C1客户要求确定与评审过程C4交付过程C3产品生产过程C2设计和开发过程持续改进顾客满意度提升C5顾客沟通管理出货备货S1文件化信息控制S2人力资源管理过程M1营运管理过程M2持续改进过程S4产品或服务外部提供控制过程PFMEA产品防护S5监控和测量资源管理过程顾客满意度测评插件加工总成装配贴件加工S6不合格品控制过程PFMEA交期管理过程关系相互对照表顾客导向过程管理过程和支持过程顾客导向过程COP1COP2COP3COP4COP5顾客要求确定与评审过程设计和开发过程产品生产过程交付过程顾客沟通管理过程管理过程MP1经营管理过程●●●●●MP2持续改进过程●●●●●支持过程SP1文件化信息控制过程●●●●●SP2人力资源管理过程●●●●●SP3设备和工装管理过程●●●SP4产品或服务外部提供控制过程●●SP5监控和测量资源管理过程●●SP6不合格品控制过程●●●注:“●”代表相关

1、当您付费下载文档后,您只拥有了使用权限,并不意味着购买了版权,文档只能用于自身使用,不得用于其他商业用途(如 [转卖]进行直接盈利或[编辑后售卖]进行间接盈利)。
2、本站所有内容均由合作方或网友上传,本站不对文档的完整性、权威性及其观点立场正确性做任何保证或承诺!文档内容仅供研究参考,付费前请自行鉴别。
3、如文档内容存在违规,或者侵犯商业秘密、侵犯著作权等,请点击“违规举报”。

碎片内容

蜗牛文库的最新文档

二年级数学下册其中检测卷二年级数学下册其中检测卷附答案#期中测试卷.pdf
10.00金币
0下载
二年级数学下册期末质检卷(苏教版)二年级数学下册期末质检卷(苏教版)#期末复习 #期末测试卷 #二年级数学 #二年级数学下册#关注我持续更新小学知识.pdf
10.00金币
0下载
二年级数学下册期末混合运算专项练习二年级数学下册期末混合运算专项练习#二年级#二年级数学下册#关注我持续更新小学知识 #知识分享 #家长收藏孩子受益.pdf
10.00金币
1下载
二年级数学下册年月日三类周期问题解题方法二年级数学下册年月日三类周期问题解题方法#二年级#二年级数学下册#知识分享 #关注我持续更新小学知识 #家长收藏孩子受益.pdf
10.00金币
0下载
二年级数学下册解决问题专项训练二年级数学下册解决问题专项训练#专项训练#解决问题#二年级#二年级数学下册#知识分享.pdf
10.00金币
1下载
二年级数学下册还原问题二年级数学下册还原问题#二年级#二年级数学#关注我持续更新小学知识 #知识分享 #家长收藏孩子受益.pdf
10.00金币
1下载
二年级数学下册第六单元考试卷家长打印出来给孩子测试测试争取拿到高分!#小学二年级试卷分享 #二年级第六单考试数学 #第六单考试#二年级数学下册.pdf
10.00金币
0下载
二年级数学下册必背顺口溜口诀汇总二年级数学下册必背顺口溜口诀汇总#二年级#二年级数学下册 #知识分享 #家长收藏孩子受益 #关注我持续更新小学知识.pdf
10.00金币
0下载
二年级数学下册《重点难点思维题》两大问题解决技巧和方法巧算星期几解决周期问题还原问题强化思维训练老师精心整理家长可以打印出来给孩子练习#家长收藏孩子受益 #学霸秘籍 #思维训练 #二年级 #知识点总结.pdf
10.00金币
0下载
二年级数学下册 必背公式大全寒假提前背一背开学更轻松#二年级 #二年级数学 #二年级数学下册 #寒假充电计划 #公式.pdf
10.00金币
0下载
蜗牛文库+ 关注
实名认证
内容提供者

提供各种专业文档内容

确认删除?
QQ
  • QQ点击这里给我发消息
微信客服
  • 微信客服
回到顶部