电脑桌面
添加蜗牛文库到电脑桌面
安装后可以在桌面快捷访问

i.双臂电桥测量低电阻(1).docVIP免费

i.双臂电桥测量低电阻(1).doc_第1页
i.双臂电桥测量低电阻(1).doc_第2页
i.双臂电桥测量低电阻(1).doc_第3页
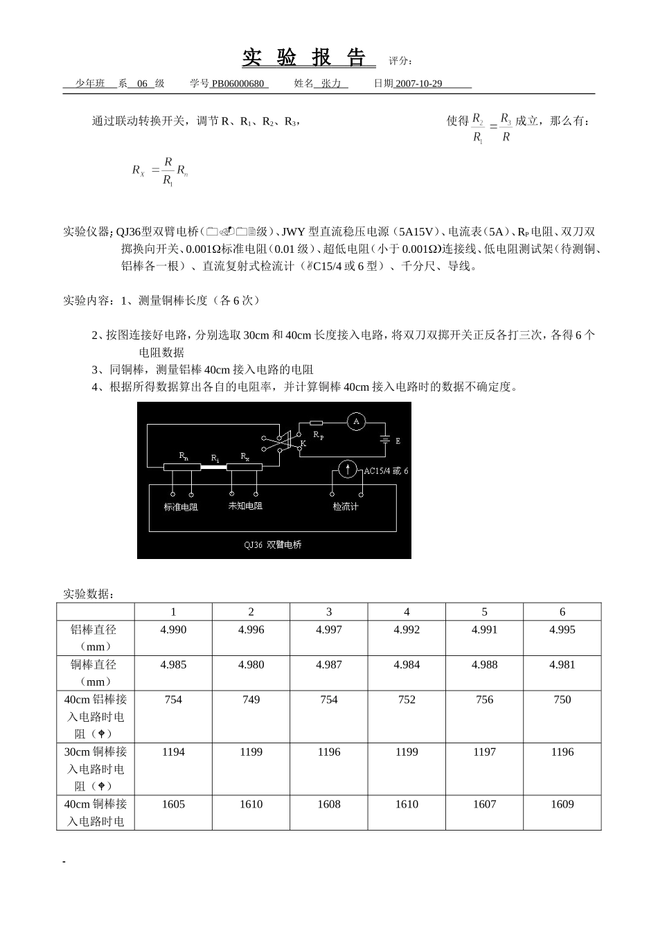
实验报告评分:少年班系06级学号PB06000680姓名张力日期2007-10-29实验题目:双臂电桥测量低电阻实验目的:掌握双臂电桥的工作原理,并用双臂电桥测量金属材料的电阻率实验原理:低电阻是指电阻值小于1的电阻。当测量低电阻时,必须考虑接触电阻和导线电阻对测量产生的影响,故普通的伏安法和惠斯通电桥法就失效了。(如下图)根据惠斯通电桥结合四端接法改进成的双臂电桥可消除附加电阻的影响。(右下图)由于接触电阻Rn1、Rn2、Rx1、Rx2均与大电阻R、R1、R2、R3串联,故其影响可以忽略,当电桥平衡时,IG=0,由基尔霍夫定律,得:解得:实验报告评分:少年班系06级学号PB06000680姓名张力日期2007-10-29通过联动转换开关,调节R、R1、R2、R3,使得成立,那么有:实验仪器:QJ型双臂电桥(级)、JWY型直流稳压电源(5A15V)、电流表(5A)、RP电阻、双刀双掷换向开关、0.001标准电阻(0.01级)、超低电阻(小于0.001连接线、低电阻测试架(待测铜、铝棒各一根)、直流复射式检流计(C15/4或6型)、千分尺、导线。实验内容:1、测量铜棒长度(各6次)2、按图连接好电路,分别选取30cm和40cm长度接入电路,将双刀双掷开关正反各打三次,各得6个电阻数据3、同铜棒,测量铝棒40cm接入电路的电阻4、根据所得数据算出各自的电阻率,并计算铜棒40cm接入电路时的数据不确定度。实验数据:123456铝棒直径(mm)4.9904.9964.9974.9924.9914.995铜棒直径(mm)4.9854.9804.9874.9844.9884.98140cm铝棒接入电路时电阻()75474975475275675030cm铜棒接入电路时电阻()11941199119611991197119640cm铜棒接入电路时电160516101608161016071609实验报告评分:少年班系06级学号PB06000680姓名张力日期2007-10-29阻()表一:实验数据数据分析:根据电阻率的计算公式以及Rx的表达式可以得到:40cm铝棒接入电路时:铝棒直径平均值测量所得电阻的平均值那么计算得30cm铜棒接入电路时:铜棒直径平均值测量所得电阻的平均值那么计算得40cm铜棒接入电路时:铜棒直径平均值实验报告评分:少年班系06级学号PB06000680姓名张力日期2007-10-29测量所得电阻的平均值那么计算得直径D的测量列的标准差为取P=0.95,查表得t因子tP=2.57,那么测量列D不确定度的A类评定为仪器(千分尺)的最大允差Δ仪=0.001mm,按照正态分布算,测量列的不确定度的B类评定那么合成不确定度电阻R的测量列的标准差为取P=0...

1、当您付费下载文档后,您只拥有了使用权限,并不意味着购买了版权,文档只能用于自身使用,不得用于其他商业用途(如 [转卖]进行直接盈利或[编辑后售卖]进行间接盈利)。
2、本站所有内容均由合作方或网友上传,本站不对文档的完整性、权威性及其观点立场正确性做任何保证或承诺!文档内容仅供研究参考,付费前请自行鉴别。
3、如文档内容存在违规,或者侵犯商业秘密、侵犯著作权等,请点击“违规举报”。

碎片内容

蜗牛文库的最新文档

二年级数学下册其中检测卷二年级数学下册其中检测卷附答案#期中测试卷.pdf
10.00金币
0下载
二年级数学下册期末质检卷(苏教版)二年级数学下册期末质检卷(苏教版)#期末复习 #期末测试卷 #二年级数学 #二年级数学下册#关注我持续更新小学知识.pdf
10.00金币
0下载
二年级数学下册期末混合运算专项练习二年级数学下册期末混合运算专项练习#二年级#二年级数学下册#关注我持续更新小学知识 #知识分享 #家长收藏孩子受益.pdf
10.00金币
1下载
二年级数学下册年月日三类周期问题解题方法二年级数学下册年月日三类周期问题解题方法#二年级#二年级数学下册#知识分享 #关注我持续更新小学知识 #家长收藏孩子受益.pdf
10.00金币
0下载
二年级数学下册解决问题专项训练二年级数学下册解决问题专项训练#专项训练#解决问题#二年级#二年级数学下册#知识分享.pdf
10.00金币
1下载
二年级数学下册还原问题二年级数学下册还原问题#二年级#二年级数学#关注我持续更新小学知识 #知识分享 #家长收藏孩子受益.pdf
10.00金币
1下载
二年级数学下册第六单元考试卷家长打印出来给孩子测试测试争取拿到高分!#小学二年级试卷分享 #二年级第六单考试数学 #第六单考试#二年级数学下册.pdf
10.00金币
0下载
二年级数学下册必背顺口溜口诀汇总二年级数学下册必背顺口溜口诀汇总#二年级#二年级数学下册 #知识分享 #家长收藏孩子受益 #关注我持续更新小学知识.pdf
10.00金币
0下载
二年级数学下册《重点难点思维题》两大问题解决技巧和方法巧算星期几解决周期问题还原问题强化思维训练老师精心整理家长可以打印出来给孩子练习#家长收藏孩子受益 #学霸秘籍 #思维训练 #二年级 #知识点总结.pdf
10.00金币
0下载
二年级数学下册 必背公式大全寒假提前背一背开学更轻松#二年级 #二年级数学 #二年级数学下册 #寒假充电计划 #公式.pdf
10.00金币
0下载
蜗牛文库+ 关注
实名认证
内容提供者

提供各种专业文档内容

确认删除?
QQ
  • QQ点击这里给我发消息
微信客服
  • 微信客服
回到顶部