电脑桌面
添加蜗牛文库到电脑桌面
安装后可以在桌面快捷访问

R2-16地块C户型绿建自评估表(居建).docxVIP免费

R2-16地块C户型绿建自评估表(居建).docx_第1页
R2-16地块C户型绿建自评估表(居建).docx_第2页
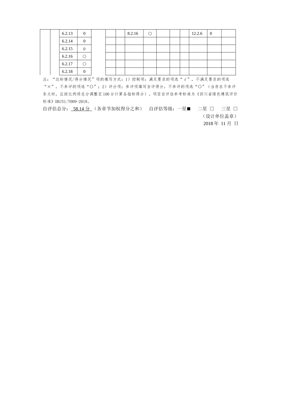
附表1成都天府国际机场保障基地租赁住房建设项目(一期)总承包二标段(R2-16地块C户型)项目绿色建筑设计自评估表(居住建筑)章节条文号达标/得分情况章节条文号达标/得分情况章节条文号达标/得分情况5节地与室外环境控制项5.1.1√7节水与水资源利用控制项7.1.1√9室内环境质量控制项9.1.1√5.1.2√7.1.2√9.1.2√5.1.3√7.1.3√9.1.3√5.1.4√7.1.4○9.1.4○5.1.5√7.1.5√9.1.5√评分项5.2.119加权得分:14.7权重:0.21评分项7.2.1○加权得分:14.18权重:0.209.1.6√5.2.257.2.279.1.7○5.2.367.2.389.1.8○5.2.447.2.449.1.9√5.2.547.2.5○评分项9.2.13加权得分:9.31权重:0.185.2.667.2.6109.2.265.2.727.2.779.2.325.2.897.2.8109.2.4○5.2.937.2.909.2.535.2.1067.2.1059.2.665.2.1167.2.1189.2.765.2.1237.2.1209.2.805.2.1308节材与材料资源利用控制项8.1.1√9.2.9○5.2.1438.1.2√9.2.10135.2.1538.1.3√9.2.1176节能与能源利用控制项6.1.1√8.1.4√9.2.1206.1.2○评分项8.2.13加权得分:7.79权重:0.179.2.1306.1.3○8.2.2012提高与创新性能提升12.1.10加权得分:0权重:6.1.4√8.2.31012.1.20评分项6.2.16加权得分:12.14权重:0.248.2.4○12.1.306.2.248.2.5012.1.406.2.328.2.6012.1.506.2.408.2.7○12.1.606.2.568.2.8512.1.706.2.6○8.2.9512.1.806.2.708.2.101012.1.906.2.868.2.110创新12.2.106.2.998.2.12012.2.206.2.1028.2.13○12.2.306.2.1158.2.14○12.2.406.2.1248.2.15012.2.506.2.1308.2.16○12.2.606.2.1406.2.1506.2.16○6.2.17○6.2.180注:“达标情况/得分情况”项的填写方式:1)控制项:满足要求的项选“√”,不满足要求的项选“×”,不参评的项选“○”;2)评分项:参评项填写自评得分,不参评的项选“○”(当存在不参评条文时,应按比例将总分调整至100分计算各指标得分)。项目自评估参考标准为《四川省绿色建筑评价标准》DBJ51/T009-2018。自评估总分:58.14分(各章节加权得分之和)自评估等级:一星■二星□三星□(设计单位盖章)2018年11月日

1、当您付费下载文档后,您只拥有了使用权限,并不意味着购买了版权,文档只能用于自身使用,不得用于其他商业用途(如 [转卖]进行直接盈利或[编辑后售卖]进行间接盈利)。
2、本站所有内容均由合作方或网友上传,本站不对文档的完整性、权威性及其观点立场正确性做任何保证或承诺!文档内容仅供研究参考,付费前请自行鉴别。
3、如文档内容存在违规,或者侵犯商业秘密、侵犯著作权等,请点击“违规举报”。

碎片内容

蜗牛文库的最新文档

二年级数学下册其中检测卷二年级数学下册其中检测卷附答案#期中测试卷.pdf
10.00金币
0下载
二年级数学下册期末质检卷(苏教版)二年级数学下册期末质检卷(苏教版)#期末复习 #期末测试卷 #二年级数学 #二年级数学下册#关注我持续更新小学知识.pdf
10.00金币
0下载
二年级数学下册期末混合运算专项练习二年级数学下册期末混合运算专项练习#二年级#二年级数学下册#关注我持续更新小学知识 #知识分享 #家长收藏孩子受益.pdf
10.00金币
1下载
二年级数学下册年月日三类周期问题解题方法二年级数学下册年月日三类周期问题解题方法#二年级#二年级数学下册#知识分享 #关注我持续更新小学知识 #家长收藏孩子受益.pdf
10.00金币
0下载
二年级数学下册解决问题专项训练二年级数学下册解决问题专项训练#专项训练#解决问题#二年级#二年级数学下册#知识分享.pdf
10.00金币
1下载
二年级数学下册还原问题二年级数学下册还原问题#二年级#二年级数学#关注我持续更新小学知识 #知识分享 #家长收藏孩子受益.pdf
10.00金币
1下载
二年级数学下册第六单元考试卷家长打印出来给孩子测试测试争取拿到高分!#小学二年级试卷分享 #二年级第六单考试数学 #第六单考试#二年级数学下册.pdf
10.00金币
0下载
二年级数学下册必背顺口溜口诀汇总二年级数学下册必背顺口溜口诀汇总#二年级#二年级数学下册 #知识分享 #家长收藏孩子受益 #关注我持续更新小学知识.pdf
10.00金币
0下载
二年级数学下册《重点难点思维题》两大问题解决技巧和方法巧算星期几解决周期问题还原问题强化思维训练老师精心整理家长可以打印出来给孩子练习#家长收藏孩子受益 #学霸秘籍 #思维训练 #二年级 #知识点总结.pdf
10.00金币
0下载
二年级数学下册 必背公式大全寒假提前背一背开学更轻松#二年级 #二年级数学 #二年级数学下册 #寒假充电计划 #公式.pdf
10.00金币
0下载
蜗牛文库+ 关注
实名认证
内容提供者

提供各种专业文档内容

确认删除?
QQ
  • QQ点击这里给我发消息
微信客服
  • 微信客服
回到顶部