电脑桌面
添加蜗牛文库到电脑桌面
安装后可以在桌面快捷访问

cbkj_jy0301.docVIP免费

cbkj_jy0301.doc_第1页
cbkj_jy0301.doc_第2页
cbkj_jy0301.doc_第3页
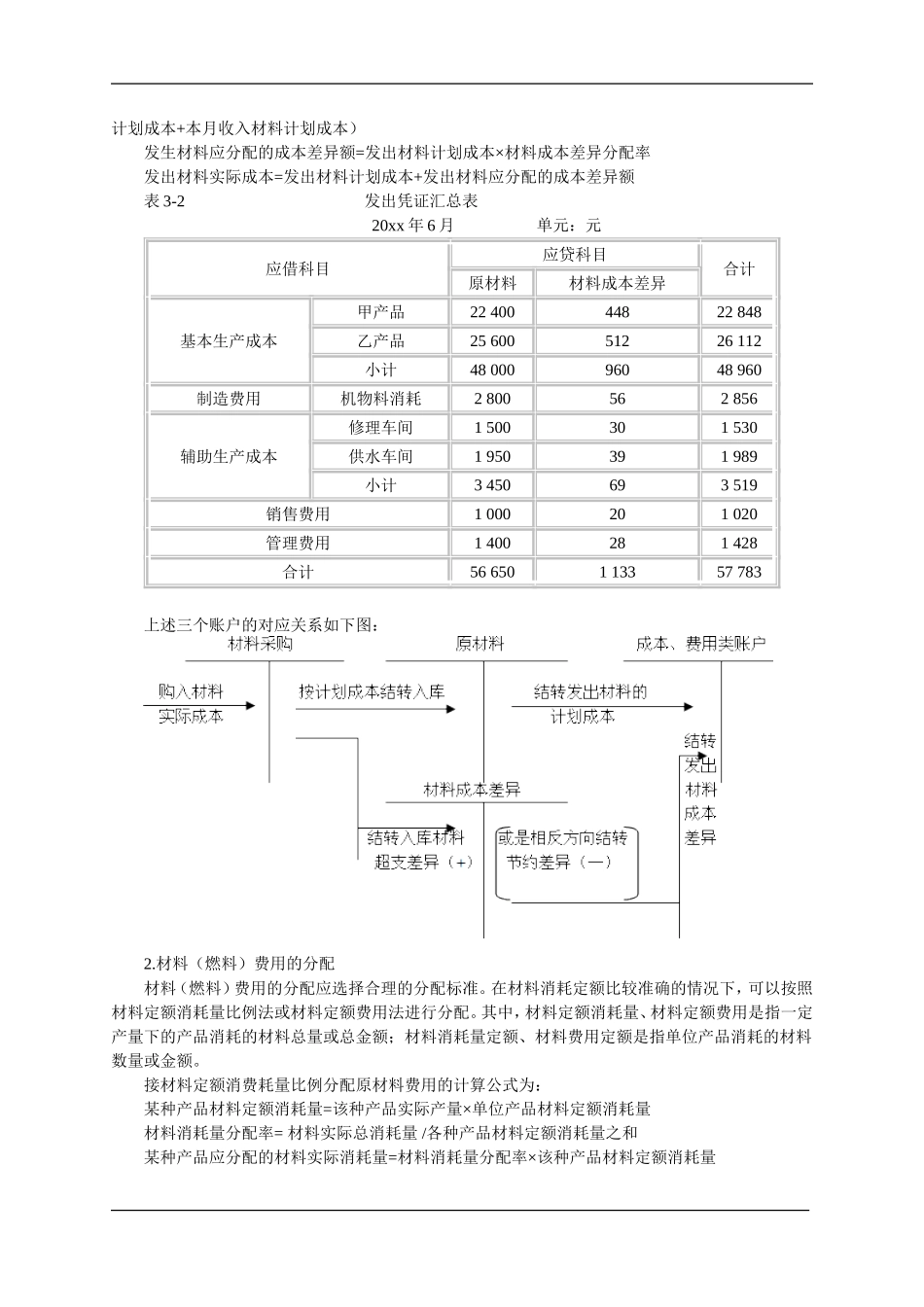
第三章费用在受益对象之间的归集与分配本章考核要求:1.区分不同类型费用在核算上的要求;2.正确计算材料按计划成本核算的费用金额;3.按照费用受益对象进行材料、外购动力、职工薪酬费用的分配核算;4.记忆折旧的计提范围和时间要求;5.了解辅助生产费用的归集程序;6.区分不同辅助生产费用分配方法的特点;7.采用不同分配方法进行辅助生产费用分配;8.理解制造费用的归集程序,并运用不同分配方法进行制造费用分配;9.正确进行废品损失的核算;10.记忆期间费用的核算内容。在本章内容的学习中,考生应当注意以下几个部分:第一节要素费用的归集与分配(一)要素费用的归集要素费用的归集是按照要素费用的性质根据其发生的地点或受益对象进行归集,主要涉及的账户有“基本生产成本”、“辅助生产成本”、“制造费用”、“管理费用”、“财务费用”、“销售费用”等。(二)要素费用的分配要素费用的分配是将各种要素费用的发生额按照一定的标准合理地分配给各个成本计算对象。常用的费用分配的标准有三类:1)成果类;2)消耗类;3)定额类。要素费用的分配的主要程序:1)费用分配率=待分配费用总额/分配标准总额2)某分配对象应分得的费用=费用分配率×该分配对象分配标准份额(三)直接材料费用的归集和分配直接材料费用包括生产制造过程中耗用的各种原材料及主要材料、辅助材料、外购零部件、自制半成品、修理用备件、燃料、周转材料等。1.发出材料成本的核算根据企业成本管理的要求,发出材料成本的核算可以采用实际成本计价,也可以使用计划成本计价。采用实际成本计价核算时,企业需要设置“在途物资”和“原材料”账户分别核算尚未入库和已经入库的材料实际成本。材料明细账中收入材料的金额,应根据按实际成本计价的收料凭证进行登记,发出材料的金额,应该按照选进先出法、个别计价法、全月一次加权平均法或移动加权平均法等方法计算,根据计算的单位成本对发出材料进行计价。采用计划成本计价核算时,企业应设置“材料采购”、“原材料”和“材料成本差异”账户分别核算购置材料实际成本、入库材料计划成本和两种价格下的差异金额。材料成本差异分配率=(月初结存材料成本差异额+本月收入材料成本差异额)/(月初结存材料计划成本+本月收入材料计划成本)发生材料应分配的成本差异额=发出材料计划成本×材料成本差异分配率发出材料实际成本=发出材料计划成本+发出材料应分配的成本差异额表3-2发出凭证汇总表20xx年6月单元:元应借科目...

1、当您付费下载文档后,您只拥有了使用权限,并不意味着购买了版权,文档只能用于自身使用,不得用于其他商业用途(如 [转卖]进行直接盈利或[编辑后售卖]进行间接盈利)。
2、本站所有内容均由合作方或网友上传,本站不对文档的完整性、权威性及其观点立场正确性做任何保证或承诺!文档内容仅供研究参考,付费前请自行鉴别。
3、如文档内容存在违规,或者侵犯商业秘密、侵犯著作权等,请点击“违规举报”。

碎片内容

蜗牛文库的最新文档

二年级数学下册其中检测卷二年级数学下册其中检测卷附答案#期中测试卷.pdf
10.00金币
0下载
二年级数学下册期末质检卷(苏教版)二年级数学下册期末质检卷(苏教版)#期末复习 #期末测试卷 #二年级数学 #二年级数学下册#关注我持续更新小学知识.pdf
10.00金币
0下载
二年级数学下册期末混合运算专项练习二年级数学下册期末混合运算专项练习#二年级#二年级数学下册#关注我持续更新小学知识 #知识分享 #家长收藏孩子受益.pdf
10.00金币
1下载
二年级数学下册年月日三类周期问题解题方法二年级数学下册年月日三类周期问题解题方法#二年级#二年级数学下册#知识分享 #关注我持续更新小学知识 #家长收藏孩子受益.pdf
10.00金币
0下载
二年级数学下册解决问题专项训练二年级数学下册解决问题专项训练#专项训练#解决问题#二年级#二年级数学下册#知识分享.pdf
10.00金币
1下载
二年级数学下册还原问题二年级数学下册还原问题#二年级#二年级数学#关注我持续更新小学知识 #知识分享 #家长收藏孩子受益.pdf
10.00金币
1下载
二年级数学下册第六单元考试卷家长打印出来给孩子测试测试争取拿到高分!#小学二年级试卷分享 #二年级第六单考试数学 #第六单考试#二年级数学下册.pdf
10.00金币
0下载
二年级数学下册必背顺口溜口诀汇总二年级数学下册必背顺口溜口诀汇总#二年级#二年级数学下册 #知识分享 #家长收藏孩子受益 #关注我持续更新小学知识.pdf
10.00金币
0下载
二年级数学下册《重点难点思维题》两大问题解决技巧和方法巧算星期几解决周期问题还原问题强化思维训练老师精心整理家长可以打印出来给孩子练习#家长收藏孩子受益 #学霸秘籍 #思维训练 #二年级 #知识点总结.pdf
10.00金币
0下载
二年级数学下册 必背公式大全寒假提前背一背开学更轻松#二年级 #二年级数学 #二年级数学下册 #寒假充电计划 #公式.pdf
10.00金币
0下载
蜗牛文库+ 关注
实名认证
内容提供者

提供各种专业文档内容

确认删除?
QQ
  • QQ点击这里给我发消息
微信客服
  • 微信客服
回到顶部