电脑桌面
添加蜗牛文库到电脑桌面
安装后可以在桌面快捷访问

5.85层高主楼范围内地下室侧墙.docxVIP免费

5.85层高主楼范围内地下室侧墙.docx_第1页
5.85层高主楼范围内地下室侧墙.docx_第2页
5.85层高主楼范围内地下室侧墙.docx_第3页
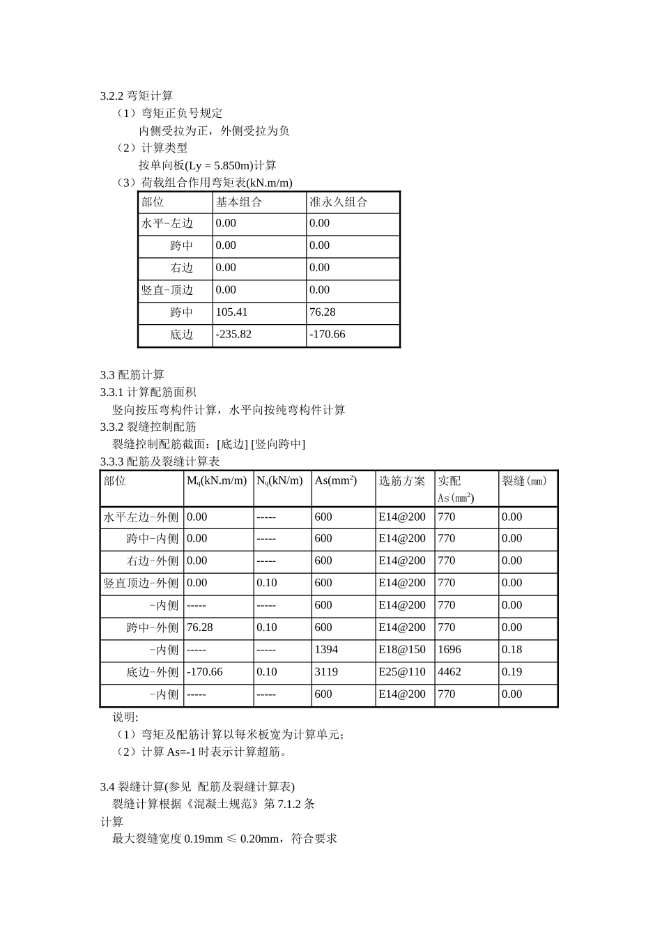
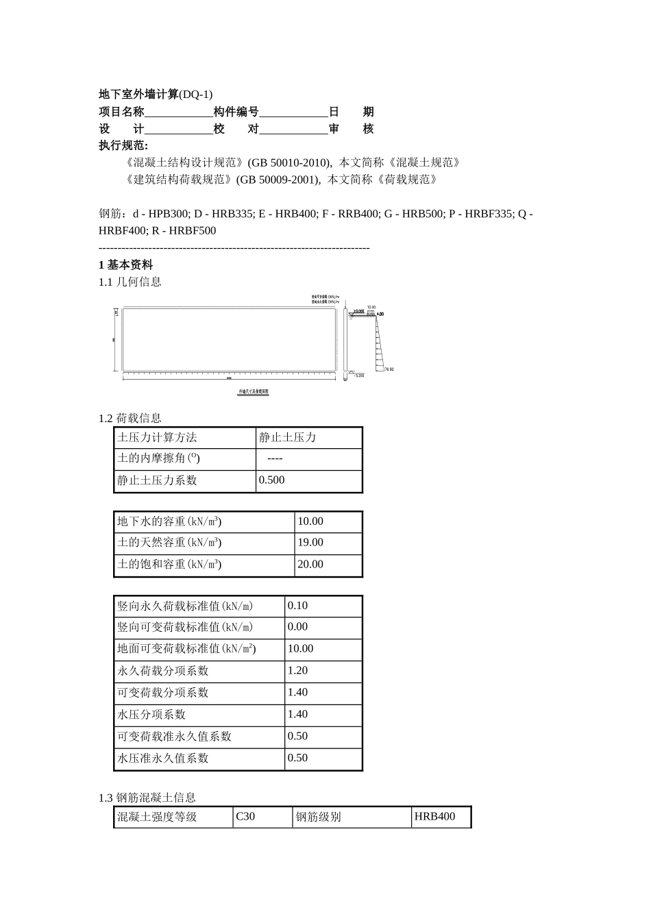
地下室外墙计算(DQ-1)项目名称构件编号日期设计校对审核执行规范:《混凝土结构设计规范》(GB50010-2010),本文简称《混凝土规范》《建筑结构荷载规范》(GB50009-2001),本文简称《荷载规范》钢筋:d-HPB300;D-HRB335;E-HRB400;F-RRB400;G-HRB500;P-HRBF335;Q-HRBF400;R-HRBF500-----------------------------------------------------------------------1基本资料1.1几何信息1.2荷载信息土压力计算方法静止土压力土的内摩擦角(O)----静止土压力系数0.500地下水的容重(kN/m3)10.00土的天然容重(kN/m3)19.00土的饱和容重(kN/m3)20.00竖向永久荷载标准值(kN/m)0.10竖向可变荷载标准值(kN/m)0.00地面可变荷载标准值(kN/m2)10.00永久荷载分项系数1.20可变荷载分项系数1.40水压分项系数1.40可变荷载准永久值系数0.50水压准永久值系数0.501.3钢筋混凝土信息混凝土强度等级C30钢筋级别HRB400外纵筋保护层(mm)35配筋调整系数1.0内纵筋保护层(mm)30竖向配筋方式非对称泊松比0.20裂缝最大限值(mm)0.20考虑p-δ效应ㄨ按裂缝控制配筋√2计算内容(1)荷载计算(2)内力计算(3)配筋计算(4)裂缝验算3计算过程及结果单位说明:弯矩:kN.m/m,竖向力:kN/m,钢筋面积:mm2/m,裂缝宽度:mm荷载说明:永久荷载:土压力荷载,竖向荷载可变荷载:地下水压力,地面荷载,竖向荷载3.1荷载计算3.1.1竖向荷载竖向荷载基本组合:N=1.40×0.00+1.20×0.10=0.12kN/m竖向荷载准永久组合:Nq=0.50×0.00+0.10=0.10kN/m3.1.2侧压力荷载(1)土压力:按静止土压力计算,静止土压力系数Kb=0.400pKbh(2)地面荷载导算侧压力:pk=0.400×10.00=4.00kN/m2(3)侧压力荷载计算表(kN/m2)部位标高地面荷载标准值土压力标准值水压力标准值基本组合准永久组合顶边0.650.000.000.000.000.00地面0.004.000.000.005.602.00地下水位0.004.00-0.000.005.602.00底边-5.204.0020.8052.00103.3674.803.2内力计算3.2.1竖向压力计算竖向压力基本组合:0.12kN/m竖向压力准永久组合:0.10kN/m3.2.2弯矩计算(1)弯矩正负号规定内侧受拉为正,外侧受拉为负(2)计算类型按单向板(Ly=5.850m)计算(3)荷载组合作用弯矩表(kN.m/m)部位基本组合准永久组合水平-左边0.000.00跨中0.000.00右边0.000.00竖直-顶边0.000.00跨中105.4176.28底边-235.82-170.663.3配筋计算3.3.1计算配筋面积竖向按压弯构件计算,水平向按纯弯构件计算3.3.2裂缝控制配筋裂缝控制配筋截面:[底边][竖向跨中]3.3.3配筋及裂缝计算...

1、当您付费下载文档后,您只拥有了使用权限,并不意味着购买了版权,文档只能用于自身使用,不得用于其他商业用途(如 [转卖]进行直接盈利或[编辑后售卖]进行间接盈利)。
2、本站所有内容均由合作方或网友上传,本站不对文档的完整性、权威性及其观点立场正确性做任何保证或承诺!文档内容仅供研究参考,付费前请自行鉴别。
3、如文档内容存在违规,或者侵犯商业秘密、侵犯著作权等,请点击“违规举报”。

碎片内容

蜗牛文库的最新文档

二年级数学下册其中检测卷二年级数学下册其中检测卷附答案#期中测试卷.pdf
10.00金币
0下载
二年级数学下册期末质检卷(苏教版)二年级数学下册期末质检卷(苏教版)#期末复习 #期末测试卷 #二年级数学 #二年级数学下册#关注我持续更新小学知识.pdf
10.00金币
0下载
二年级数学下册期末混合运算专项练习二年级数学下册期末混合运算专项练习#二年级#二年级数学下册#关注我持续更新小学知识 #知识分享 #家长收藏孩子受益.pdf
10.00金币
1下载
二年级数学下册年月日三类周期问题解题方法二年级数学下册年月日三类周期问题解题方法#二年级#二年级数学下册#知识分享 #关注我持续更新小学知识 #家长收藏孩子受益.pdf
10.00金币
0下载
二年级数学下册解决问题专项训练二年级数学下册解决问题专项训练#专项训练#解决问题#二年级#二年级数学下册#知识分享.pdf
10.00金币
1下载
二年级数学下册还原问题二年级数学下册还原问题#二年级#二年级数学#关注我持续更新小学知识 #知识分享 #家长收藏孩子受益.pdf
10.00金币
1下载
二年级数学下册第六单元考试卷家长打印出来给孩子测试测试争取拿到高分!#小学二年级试卷分享 #二年级第六单考试数学 #第六单考试#二年级数学下册.pdf
10.00金币
0下载
二年级数学下册必背顺口溜口诀汇总二年级数学下册必背顺口溜口诀汇总#二年级#二年级数学下册 #知识分享 #家长收藏孩子受益 #关注我持续更新小学知识.pdf
10.00金币
0下载
二年级数学下册《重点难点思维题》两大问题解决技巧和方法巧算星期几解决周期问题还原问题强化思维训练老师精心整理家长可以打印出来给孩子练习#家长收藏孩子受益 #学霸秘籍 #思维训练 #二年级 #知识点总结.pdf
10.00金币
0下载
二年级数学下册 必背公式大全寒假提前背一背开学更轻松#二年级 #二年级数学 #二年级数学下册 #寒假充电计划 #公式.pdf
10.00金币
0下载
蜗牛文库+ 关注
实名认证
内容提供者

提供各种专业文档内容

确认删除?
QQ
  • QQ点击这里给我发消息
微信客服
  • 微信客服
回到顶部