电脑桌面
添加蜗牛文库到电脑桌面
安装后可以在桌面快捷访问

钢楼梯计算书.docVIP免费

钢楼梯计算书.doc_第1页
钢楼梯计算书.doc_第2页
钢楼梯计算书.doc_第3页
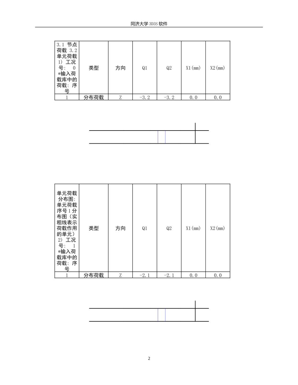
同济大学3D3S软件1heading1;heading2;heading3;1设计依据《建筑结构荷载规范》(GB50009-2012)《建筑抗震设计规范》(GB50011-2010)(2016年版)《建筑地基基础设计规范》(GB50007-2011)《钢结构焊接规范》(GB50661-2011)《钢结构高强度螺栓连接技术规程》(JGJ82-2011)2计算简图347811计算简图(圆表示支座,数字为节点号)3荷载与组合结构重要性系数:1.00荷载工况汇总表工况号荷载类型荷载说明0恒1活同济大学3D3S软件23.1节点荷载3.2单元荷载1)工况号:0*输入荷载库中的荷载:序号类型方向Q1Q2X1(mm)X2(mm)1分布荷载Z-3.2-3.20.00.0单元荷载分布图:单元荷载序号1分布图(实粗线表示荷载作用的单元)2)工况号:1*输入荷载库中的荷载:序号类型方向Q1Q2X1(mm)X2(mm)1分布荷载Z-2.1-2.10.00.0同济大学3D3S软件3单元荷载分布图:单元荷载序号1分布图(实粗线表示荷载作用的单元)3.3其它荷载(1).地震作用无地震。(2).温度作用无温度作用。3.4荷载组合控制组合号组合序号N1N2N3M1M2M3同济大学3D3S软件4(1)1.20恒载+1.40活载工况1(2)1.35恒载+1.40x0.70活载工况14内力位移计算结果4.1内力4.1.1最不利内力各效应组合下最大支座反力设计值(单位:kN、kN.m)节点号N1最大21-0.00.02.60.00.00.0N2最大11-0.00.02.80.00.00.0N3最大11-0.00.02.80.00.00.03合力最大11-0.00.02.80.00.00.0N1最小11-0.00.02.80.00.00.0N2最小21-0.00.02.60.00.00.0N3最小21-0.00.02.60.00.00.0N1最大21-164.0-0.0-47.90.00.00.0N2最大21-164.0-0.0-47.90.00.00.0N3最大21-164.0-0.0-47.90.00.00.04合力最大11-171.7-0.0-50.10.00.00.0N1最小11-171.7-0.0-50.10.00.00.0N2最小11-171.7-0.0-50.10.00.00.0N3最小11-171.7-0.0-50.10.00.00.0N1最大11171.7-0.0141.00.00.00.0N2最大21164.0-0.0134.70.00.00.0N3最大11171.7-0.0141.00.00.00.07合力最大11171.7-0.0141.00.00.00.0N1最小21164.0-0.0134.70.00.00.0N2最小11171.7-0.0141.00.00.00.0N3最小21164.0-0.0134.70.00.00.0N1最大21-149.3-0.0-41.30.00.00.0N2最大21-149.3-0.0-41.30.00.00.0同济大学3D3S软件5N3最大21-149.3-0.0-41.30.00.00.08合力最大11-156.0-0.0-43.20.00.00.0N1最小11-156.0-0.0-43.20.00.00.0N2最小11-156.0-0.0-43.20.00.00.0N3最小11-156.0-0.0-43.20.00.00.0N1最大11156.0-0.0132.30.00.00.0N2最大21149.3-0.0126.60.00.00.0N3最大11156.0-0.0132.30.00.00.011合力最大11156.0-0.0132.30.00.00.0N1最...

1、当您付费下载文档后,您只拥有了使用权限,并不意味着购买了版权,文档只能用于自身使用,不得用于其他商业用途(如 [转卖]进行直接盈利或[编辑后售卖]进行间接盈利)。
2、本站所有内容均由合作方或网友上传,本站不对文档的完整性、权威性及其观点立场正确性做任何保证或承诺!文档内容仅供研究参考,付费前请自行鉴别。
3、如文档内容存在违规,或者侵犯商业秘密、侵犯著作权等,请点击“违规举报”。

碎片内容

蜗牛文库的最新文档

二年级数学下册其中检测卷二年级数学下册其中检测卷附答案#期中测试卷.pdf
10.00金币
0下载
二年级数学下册期末质检卷(苏教版)二年级数学下册期末质检卷(苏教版)#期末复习 #期末测试卷 #二年级数学 #二年级数学下册#关注我持续更新小学知识.pdf
10.00金币
0下载
二年级数学下册期末混合运算专项练习二年级数学下册期末混合运算专项练习#二年级#二年级数学下册#关注我持续更新小学知识 #知识分享 #家长收藏孩子受益.pdf
10.00金币
1下载
二年级数学下册年月日三类周期问题解题方法二年级数学下册年月日三类周期问题解题方法#二年级#二年级数学下册#知识分享 #关注我持续更新小学知识 #家长收藏孩子受益.pdf
10.00金币
0下载
二年级数学下册解决问题专项训练二年级数学下册解决问题专项训练#专项训练#解决问题#二年级#二年级数学下册#知识分享.pdf
10.00金币
1下载
二年级数学下册还原问题二年级数学下册还原问题#二年级#二年级数学#关注我持续更新小学知识 #知识分享 #家长收藏孩子受益.pdf
10.00金币
1下载
二年级数学下册第六单元考试卷家长打印出来给孩子测试测试争取拿到高分!#小学二年级试卷分享 #二年级第六单考试数学 #第六单考试#二年级数学下册.pdf
10.00金币
0下载
二年级数学下册必背顺口溜口诀汇总二年级数学下册必背顺口溜口诀汇总#二年级#二年级数学下册 #知识分享 #家长收藏孩子受益 #关注我持续更新小学知识.pdf
10.00金币
0下载
二年级数学下册《重点难点思维题》两大问题解决技巧和方法巧算星期几解决周期问题还原问题强化思维训练老师精心整理家长可以打印出来给孩子练习#家长收藏孩子受益 #学霸秘籍 #思维训练 #二年级 #知识点总结.pdf
10.00金币
0下载
二年级数学下册 必背公式大全寒假提前背一背开学更轻松#二年级 #二年级数学 #二年级数学下册 #寒假充电计划 #公式.pdf
10.00金币
0下载
蜗牛文库+ 关注
实名认证
内容提供者

提供各种专业文档内容

确认删除?
QQ
  • QQ点击这里给我发消息
微信客服
  • 微信客服
回到顶部