电脑桌面
添加蜗牛文库到电脑桌面
安装后可以在桌面快捷访问

(实验三)《组合逻辑电路的应用》实验报告模版.docVIP免费

(实验三)《组合逻辑电路的应用》实验报告模版.doc_第1页
(实验三)《组合逻辑电路的应用》实验报告模版.doc_第2页
(实验三)《组合逻辑电路的应用》实验报告模版.doc_第3页
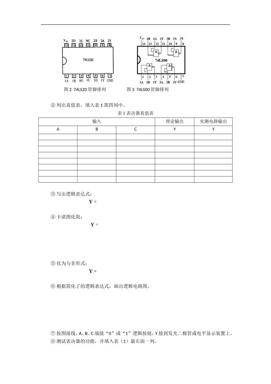
组合逻辑电路的应用1.实验目的(1)初步学会组合逻辑电路的设计方法,设计3人表决器及路灯控制电路。(2)测试所设计电路的逻辑功能。(3)学会合理布局、布线技巧,提高检查线路与排除故障的能力。2.实验设备和器材(1)数字电子技术实验箱或自制的相应实验设备1台(2)万用表1只(3)集成块(74LS00,74LS20,74LS86)若干3.实验原理组合逻辑电路的设计方法大致归纳如下:(1)进行逻辑抽象①根据设计要求,确定输入、输出信号及它们之间的因果关系;②设定变量,用英文字母加以表示;③状态赋值,即用“0”或“1”表示信号的状态;④列真值表,把变量的各种取值和相应的函数值列表。(2)进行化简及转换函数式①用卡诺图法或代数法化简,得函数表达式;②根据实验室具有的门电路元件情况,将表达式转换成相应逻辑的最简函数式。(3)画逻辑电路设计时应本着电路结构最简单、使用器件最少的原则。3人表决器的逻辑功能是3人表决,有2人或3人赞成时,表决通过,否则不通过。4.实验参考电路自行设计采用与非门的逻辑电路图,应用一片74LS20器件实现。74LS20是双4输入与非门集成块,管脚排列见图2。74LS00集成块的管脚排列见图3。5.实验内容和步骤(1)用与非门设计一个3人表决器,要求2人及2人以上的人赞成,结论才为赞成。①按题意确立输入、输出变量。设A、B、C为3人的输入变量,赞成为“1”,反对为“0”;Y为表决结果的输出变量,通过为“1”,不通过则为“0”。图274LS20管脚排列图374LS00管脚排列②列出真值表,填入表1第四列中。表1表决器真值表输入理论输出实测电路输出ABCYY③写出逻辑表达式:④卡诺图化简:⑤化为与非形式:⑥根据简化了的逻辑表达式,画出逻辑电路图。⑦按图接线,A、B、C端接“0”或“1”逻辑按钮,Y接到发光二极管或电平显示装置上。⑧测试表决器的功能,并填入表(1)最右面一列。结论:。*(2)用异或门(或3线-8线译码器)及与门设计路灯控制电路,要求实现的功能为:有一盏路灯,当总电源开关闭合后,安装在三个不同地方的三个开关都能独立地将等打开或熄灭;当总电源开关断开时,路灯不亮。提示:异或门74LS86集成块,3线-8线译码器74ls138的管脚排列见图4。3线-8线译码器74ls138的管脚排列见图5。图474LS86管脚排列图574LS138管脚排列①设定变量:用S表示总电源开关,用A、B、C表示安装在三个不同地方的开关,用Y表示路灯。状态赋值:用“0”表示开关断开及灯灭,用“1”表示开关闭合及灯亮。②列出真值表,...

1、当您付费下载文档后,您只拥有了使用权限,并不意味着购买了版权,文档只能用于自身使用,不得用于其他商业用途(如 [转卖]进行直接盈利或[编辑后售卖]进行间接盈利)。
2、本站所有内容均由合作方或网友上传,本站不对文档的完整性、权威性及其观点立场正确性做任何保证或承诺!文档内容仅供研究参考,付费前请自行鉴别。
3、如文档内容存在违规,或者侵犯商业秘密、侵犯著作权等,请点击“违规举报”。

碎片内容

蜗牛文库的最新文档

二年级数学下册其中检测卷二年级数学下册其中检测卷附答案#期中测试卷.pdf
10.00金币
0下载
二年级数学下册期末质检卷(苏教版)二年级数学下册期末质检卷(苏教版)#期末复习 #期末测试卷 #二年级数学 #二年级数学下册#关注我持续更新小学知识.pdf
10.00金币
0下载
二年级数学下册期末混合运算专项练习二年级数学下册期末混合运算专项练习#二年级#二年级数学下册#关注我持续更新小学知识 #知识分享 #家长收藏孩子受益.pdf
10.00金币
1下载
二年级数学下册年月日三类周期问题解题方法二年级数学下册年月日三类周期问题解题方法#二年级#二年级数学下册#知识分享 #关注我持续更新小学知识 #家长收藏孩子受益.pdf
10.00金币
0下载
二年级数学下册解决问题专项训练二年级数学下册解决问题专项训练#专项训练#解决问题#二年级#二年级数学下册#知识分享.pdf
10.00金币
1下载
二年级数学下册还原问题二年级数学下册还原问题#二年级#二年级数学#关注我持续更新小学知识 #知识分享 #家长收藏孩子受益.pdf
10.00金币
1下载
二年级数学下册第六单元考试卷家长打印出来给孩子测试测试争取拿到高分!#小学二年级试卷分享 #二年级第六单考试数学 #第六单考试#二年级数学下册.pdf
10.00金币
0下载
二年级数学下册必背顺口溜口诀汇总二年级数学下册必背顺口溜口诀汇总#二年级#二年级数学下册 #知识分享 #家长收藏孩子受益 #关注我持续更新小学知识.pdf
10.00金币
0下载
二年级数学下册《重点难点思维题》两大问题解决技巧和方法巧算星期几解决周期问题还原问题强化思维训练老师精心整理家长可以打印出来给孩子练习#家长收藏孩子受益 #学霸秘籍 #思维训练 #二年级 #知识点总结.pdf
10.00金币
0下载
二年级数学下册 必背公式大全寒假提前背一背开学更轻松#二年级 #二年级数学 #二年级数学下册 #寒假充电计划 #公式.pdf
10.00金币
0下载
蜗牛文库+ 关注
实名认证
内容提供者

提供各种专业文档内容

确认删除?
QQ
  • QQ点击这里给我发消息
微信客服
  • 微信客服
回到顶部