电脑桌面
添加蜗牛文库到电脑桌面
安装后可以在桌面快捷访问

020 偶发事件应急处理程序.docVIP免费

020 偶发事件应急处理程序.doc_第1页
020 偶发事件应急处理程序.doc_第2页
020 偶发事件应急处理程序.doc_第3页
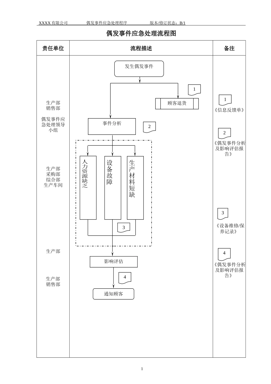
管理资源吧(www.glzy8.com),海量管理资源免费下载!XXX有限公司偶发事件应急处理程序文件编号:SJ/QP-020文件版本:B生效日期:2004.11.01发文编号:编制生产部审核XXX批准XXX管理资源吧·管理人自己的下载网站XXXX有限公司偶发事件应急处理程序版本/修订状态:B/1偶发事件应急处理流程图责任单位流程描述备注生产部销售部偶发事件应急处理领导小组生产部采购部综合部生产车间生产部生产部销售部《信息反馈单》《偶发事件分析及影响评估报告》《设备维修/保养记录》《偶发事件分析及影响评估报告》1发生偶发事件事件分析人力资源缺乏设备故障生产材料短缺影响评估顾客退货213123通知顾客44XXXX有限公司偶发事件应急处理程序版本/修订状态:B/11.目的规范对偶发事件的应急管理,确定应急处理措施,保证产品交付,满足顾客需求。2.适用范围适用于生产过程中偶发事件应急处理。3.术语和定义3.1偶发事件:生产过程中出现的公用资源(水、电等)中断、人员流失、重大设备故障以及市场退货等影响按计划执行合同的事件。3.2偶发事件应急处理领导小组:是由总经理、生产部、销售部、质量部、综合部、采购部及车间的相关人员组成的对偶发事件分析及处理的临时性组织。4.职责4.1总经理负责组织偶发事件应急处理领导小组成员启动偶发事件应急处理程序。4.2生产部、生产车间负责重大设备故障的处理及信息反馈。4.3销售部负责市场退货处理及信息反馈。4.4采购部负责与供方协调生产材料供应及信息反馈。4.5综合部负责偶发事件人力资源的应急处理。5.工作程序5.1偶发事件发生后,事件发生部门及时通知生产管理部,由生产部启动偶发事件应急处理程序,根据事件的特性召集偶发事件应急处理领导小组成员,分析事件归属和事件原因,输出《偶发事件分析及影响评估报告》,责令相关部门进行事件处理,启动应急措施。5.2人力资源缺乏处理综合部应组织各部门开展一人多岗培训做好人员储备,在人力资源缺乏突然发生后应立即进行人力资源内部调配,保证生产计划的顺利实施。5.3设备故障处理在重大设备故障发生后,生产部和生产车间应及时组织技术力量对设备进行抢修,并预测故障处理时间。生产部和生产车间平时应作好关键备件的储备和抢修队伍的安排在偶发故障处理后要作好记录和分析,避免类似故障再次发生。5.4生产材料短缺采购部与供方确认供货时间,并把品种、数量及实际到货时间报给生产管理部,或启动多家合格供方。5.5公用资源由公司统一配备(水、电)自备系统。5...

1、当您付费下载文档后,您只拥有了使用权限,并不意味着购买了版权,文档只能用于自身使用,不得用于其他商业用途(如 [转卖]进行直接盈利或[编辑后售卖]进行间接盈利)。
2、本站所有内容均由合作方或网友上传,本站不对文档的完整性、权威性及其观点立场正确性做任何保证或承诺!文档内容仅供研究参考,付费前请自行鉴别。
3、如文档内容存在违规,或者侵犯商业秘密、侵犯著作权等,请点击“违规举报”。

碎片内容

蜗牛文库的最新文档

二年级数学下册其中检测卷二年级数学下册其中检测卷附答案#期中测试卷.pdf
10.00金币
0下载
二年级数学下册期末质检卷(苏教版)二年级数学下册期末质检卷(苏教版)#期末复习 #期末测试卷 #二年级数学 #二年级数学下册#关注我持续更新小学知识.pdf
10.00金币
0下载
二年级数学下册期末混合运算专项练习二年级数学下册期末混合运算专项练习#二年级#二年级数学下册#关注我持续更新小学知识 #知识分享 #家长收藏孩子受益.pdf
10.00金币
1下载
二年级数学下册年月日三类周期问题解题方法二年级数学下册年月日三类周期问题解题方法#二年级#二年级数学下册#知识分享 #关注我持续更新小学知识 #家长收藏孩子受益.pdf
10.00金币
0下载
二年级数学下册解决问题专项训练二年级数学下册解决问题专项训练#专项训练#解决问题#二年级#二年级数学下册#知识分享.pdf
10.00金币
1下载
二年级数学下册还原问题二年级数学下册还原问题#二年级#二年级数学#关注我持续更新小学知识 #知识分享 #家长收藏孩子受益.pdf
10.00金币
1下载
二年级数学下册第六单元考试卷家长打印出来给孩子测试测试争取拿到高分!#小学二年级试卷分享 #二年级第六单考试数学 #第六单考试#二年级数学下册.pdf
10.00金币
0下载
二年级数学下册必背顺口溜口诀汇总二年级数学下册必背顺口溜口诀汇总#二年级#二年级数学下册 #知识分享 #家长收藏孩子受益 #关注我持续更新小学知识.pdf
10.00金币
0下载
二年级数学下册《重点难点思维题》两大问题解决技巧和方法巧算星期几解决周期问题还原问题强化思维训练老师精心整理家长可以打印出来给孩子练习#家长收藏孩子受益 #学霸秘籍 #思维训练 #二年级 #知识点总结.pdf
10.00金币
0下载
二年级数学下册 必背公式大全寒假提前背一背开学更轻松#二年级 #二年级数学 #二年级数学下册 #寒假充电计划 #公式.pdf
10.00金币
0下载
蜗牛文库+ 关注
实名认证
内容提供者

提供各种专业文档内容

确认删除?
QQ
  • QQ点击这里给我发消息
微信客服
  • 微信客服
回到顶部