电脑桌面
添加蜗牛文库到电脑桌面
安装后可以在桌面快捷访问

管棚预支护技术的设计参数及其在地铁区间隧道工程中的应用.pdfVIP免费

管棚预支护技术的设计参数及其在地铁区间隧道工程中的应用.pdf_第1页
管棚预支护技术的设计参数及其在地铁区间隧道工程中的应用.pdf_第2页
管棚预支护技术的设计参数及其在地铁区间隧道工程中的应用.pdf_第3页
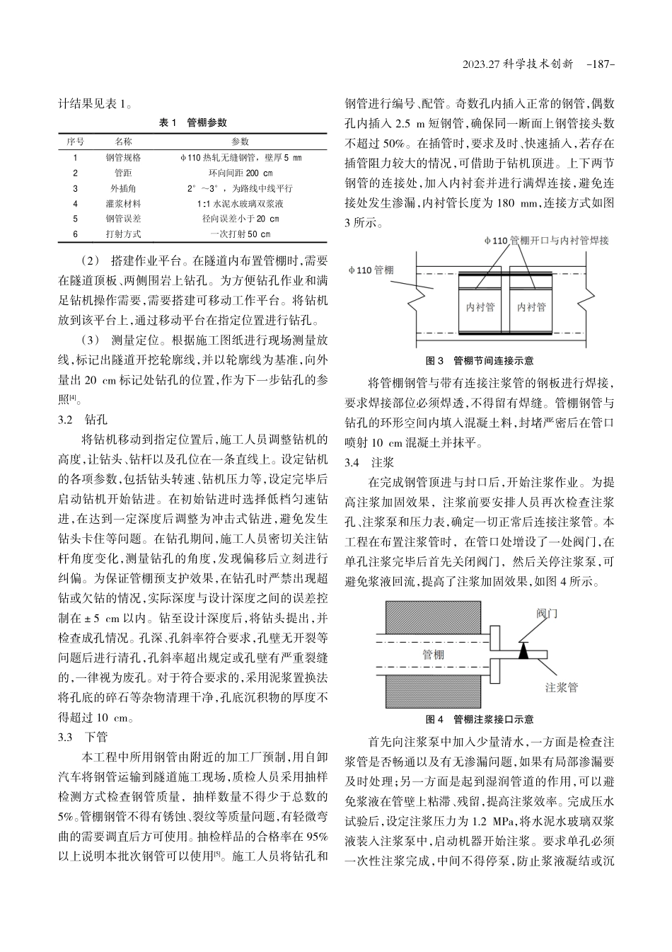
2023.27科学技术创新管棚预支护技术的设计参数及其在地铁区间隧道工程中的应用孙胜贤(中电建铁路建设投资集团有限公司,北京)在隧道工程中,管棚预支护是一种常用的辅助技术,可以发挥稳定掌子面、保护地下管线、控制围岩变形等功能,对保护隧道内施工人员的安全也有积极帮助。在地铁区间隧道工程中应用管棚预支护技术时,要结合地质条件和工程建设要求,合理设计管棚的各项参数;在管棚施工中,重点加强钻孔、插管、注浆等环节的技术管控。通过树立精细化的施工管理理念,充分发挥管棚预支护技术优势,保证管棚预支护效果达到预期,为下一步隧道开挖作业创造安全环境。1工程概况某地铁区间隧道全长1118.5m,暗挖段720.8m,其余为明挖段。地质勘察结果表明,该地区地面标高388.6m~393.4m,较为平整;地层自上而下共分为5层,分别是杂填土(0.3~4.6m)、新黄土(5.1~11.5m)、粉质粘土(0.7~3.6m)、粉土(0.2~1.3m)、砂土(0.6~8.2m)。地下水位埋深11.6m,对混凝土结构的腐蚀性较弱。施工断面围岩为IV级,稳定性较差。局部有湿陷性土层,主要分布在地表以下10m内,按照《湿陷性黄土地区建筑标准》(GB50025-2018)中规定,区间内地基湿陷等级以II级(中等)为主,局部为III级(严重)。结合地铁区间隧道工程的水文地质情况,在施工中需要采取必要支护措施。2管棚各项参数的设计2.1钢管型号管棚预支护体系由钢管和钢桁架组成的支撑体系,钢管的选型直接决定了支护效果。本工程中使用热轧无缝钢管,外径为110mm,壁厚5mm,每节长度4m。钢管的端口设计成“V”形,方便对焊连接。考虑到后期需要采用注浆方式加固隧道两侧围岩,因此在设计钢管时需要在上部钻出2~3个孔径为12mm的注浆孔,相邻2个孔的距离为15cm。钢管的下部50mm为止浆段,不设钻孔。2.2环向间距管棚中钢管的环向间距也是决定支撑效果的重要指标,理论上环向间距越小、钢管布置越密集,起到的支撑效果越理想。但是在实际施工中还必须考虑作业空间、施工成本等因素,通常将环向间距设定为钢管直径的2~3倍。除此之外,还要考虑隧道深度、围岩强度等方面的影响,例如浅埋隧道、围岩较为完整的情况下,可适当增加钢管的环向间距,在保证安全的前提下降低成本;相反,深埋隧道、围岩破碎的情况下,要减小环向间距,保证掌子面稳定、防止围岩变形[1]。本工程中钢管环向间距设定为200mm。研究表明,当管棚预支护体系中钢管环向间距缩小到一定值时,相邻2根管棚的主压应力相互影响并形成...

1、当您付费下载文档后,您只拥有了使用权限,并不意味着购买了版权,文档只能用于自身使用,不得用于其他商业用途(如 [转卖]进行直接盈利或[编辑后售卖]进行间接盈利)。
2、本站所有内容均由合作方或网友上传,本站不对文档的完整性、权威性及其观点立场正确性做任何保证或承诺!文档内容仅供研究参考,付费前请自行鉴别。
3、如文档内容存在违规,或者侵犯商业秘密、侵犯著作权等,请点击“违规举报”。

碎片内容

蜗牛文库的最新文档

二年级数学下册其中检测卷二年级数学下册其中检测卷附答案#期中测试卷.pdf
10.00金币
0下载
二年级数学下册期末质检卷(苏教版)二年级数学下册期末质检卷(苏教版)#期末复习 #期末测试卷 #二年级数学 #二年级数学下册#关注我持续更新小学知识.pdf
10.00金币
0下载
二年级数学下册期末混合运算专项练习二年级数学下册期末混合运算专项练习#二年级#二年级数学下册#关注我持续更新小学知识 #知识分享 #家长收藏孩子受益.pdf
10.00金币
1下载
二年级数学下册年月日三类周期问题解题方法二年级数学下册年月日三类周期问题解题方法#二年级#二年级数学下册#知识分享 #关注我持续更新小学知识 #家长收藏孩子受益.pdf
10.00金币
0下载
二年级数学下册解决问题专项训练二年级数学下册解决问题专项训练#专项训练#解决问题#二年级#二年级数学下册#知识分享.pdf
10.00金币
1下载
二年级数学下册还原问题二年级数学下册还原问题#二年级#二年级数学#关注我持续更新小学知识 #知识分享 #家长收藏孩子受益.pdf
10.00金币
1下载
二年级数学下册第六单元考试卷家长打印出来给孩子测试测试争取拿到高分!#小学二年级试卷分享 #二年级第六单考试数学 #第六单考试#二年级数学下册.pdf
10.00金币
0下载
二年级数学下册必背顺口溜口诀汇总二年级数学下册必背顺口溜口诀汇总#二年级#二年级数学下册 #知识分享 #家长收藏孩子受益 #关注我持续更新小学知识.pdf
10.00金币
0下载
二年级数学下册《重点难点思维题》两大问题解决技巧和方法巧算星期几解决周期问题还原问题强化思维训练老师精心整理家长可以打印出来给孩子练习#家长收藏孩子受益 #学霸秘籍 #思维训练 #二年级 #知识点总结.pdf
10.00金币
0下载
二年级数学下册 必背公式大全寒假提前背一背开学更轻松#二年级 #二年级数学 #二年级数学下册 #寒假充电计划 #公式.pdf
10.00金币
0下载
蜗牛文库+ 关注
实名认证
内容提供者

提供各种专业文档内容

确认删除?
QQ
  • QQ点击这里给我发消息
微信客服
  • 微信客服
回到顶部