电脑桌面
添加蜗牛文库到电脑桌面
安装后可以在桌面快捷访问

关于家用电器单工位自动折飞机盒装置的研究与应用.pdfVIP免费

关于家用电器单工位自动折飞机盒装置的研究与应用.pdf_第1页
关于家用电器单工位自动折飞机盒装置的研究与应用.pdf_第2页
关于家用电器单工位自动折飞机盒装置的研究与应用.pdf_第3页
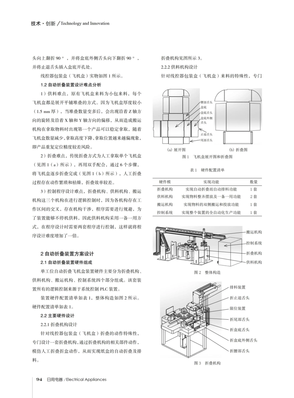
技术·创新/日用电器关于家用电器单工位自动折飞机盒装置的研究与应用ResearchandApplicationofASingleStationAutomaticFoldingAircraftBoxDeviceforACertainHouseholdAppliance王汉文(格力大松(宿迁)生活电器有限公司葛彬*白伟叶小波宿迁223800)摘要:为提升空调企业线控器包装纸盒折叠效率,降低员工折叠纸盒的工作强度,本文在对线控器包装纸盒折叠动作步骤分析的基础上,设计出一种单工位自动折叠飞机盒的装置。通过设计自动折盒装置,自动供料装置,PLC逻辑控制电路等,使该装置各部分紧密配合,继而实现飞机盒自动折叠功能"。通过以上软硬件的设计,不仅大大降低了折飞机盒的人力投入成本及劳动强度,同时对家电行业飞机盒折叠自动化推进具有较高的指导意义。关键词:飞机盒;折盒装置;供料装置;PLC逻辑控制Abstract:Inordertoimprovethefoldingefficiencyofthewirecontrolpackagingpaperboxinairconditioningenterprisesandreducetheworkloadofemployeesfoldingpaperboxes,thisarticledesignsasinglestationautomaticfoldingdeviceforaircraftboxesbasedontheanalysisofthefoldingactionstepsofthewirecontrolpackagingpaperbox,Bydesigningautomaticfoldingdevice,automaticfeedingdevice,PLClogiccontrolcircuitetc.,variouspartsofthedevicearecloselycoordinatedtoachievetheautomaticfoldingfunctionofaircraftboxes.Throughthedesignoftheabovesoftwareandhardware,notonlyhasthelaborcostandintensityoffoldingaircraftboxesbeengreatlyreduced,butitalsohashighguidingsignificancefortheautomationoffoldingaircraftboxesinthehomeapplianceindustry.Keywords:aircraftbox;foldingdevice;feedingdevice;PLClogiccircuit引言随着人民生活质量水平的不断提高,各类家用空调电器控制方式由普通遥控器控制,转变为线控器控制。但空调企业在批量生产线控器的过程中,需要大量人工去折叠线控器的包装盒,在生产时工作枯燥、时间长,人力投人多,劳动强度大、操作繁琐等因素,严重影响空调企业线控器纸盒折叠效率和折叠后的稳定性。因此如何实现线控器飞机盒快速、稳定折叠,成为了各空调企业的重点研究课题。本文正是在上述背景下和需求下,研究并设计出一种单工位自动折飞机盒的装置,实现线控器飞机盒低人力投人,高效产出及产出质量稳定可靠。1单工位自动折飞机盒装置设计难点分析1.1飞机盒结构分析线控器包装盒(飞机盒),由瓦...

1、当您付费下载文档后,您只拥有了使用权限,并不意味着购买了版权,文档只能用于自身使用,不得用于其他商业用途(如 [转卖]进行直接盈利或[编辑后售卖]进行间接盈利)。
2、本站所有内容均由合作方或网友上传,本站不对文档的完整性、权威性及其观点立场正确性做任何保证或承诺!文档内容仅供研究参考,付费前请自行鉴别。
3、如文档内容存在违规,或者侵犯商业秘密、侵犯著作权等,请点击“违规举报”。

碎片内容

蜗牛文库的最新文档

二年级数学下册其中检测卷二年级数学下册其中检测卷附答案#期中测试卷.pdf
10.00金币
0下载
二年级数学下册期末质检卷(苏教版)二年级数学下册期末质检卷(苏教版)#期末复习 #期末测试卷 #二年级数学 #二年级数学下册#关注我持续更新小学知识.pdf
10.00金币
0下载
二年级数学下册期末混合运算专项练习二年级数学下册期末混合运算专项练习#二年级#二年级数学下册#关注我持续更新小学知识 #知识分享 #家长收藏孩子受益.pdf
10.00金币
1下载
二年级数学下册年月日三类周期问题解题方法二年级数学下册年月日三类周期问题解题方法#二年级#二年级数学下册#知识分享 #关注我持续更新小学知识 #家长收藏孩子受益.pdf
10.00金币
0下载
二年级数学下册解决问题专项训练二年级数学下册解决问题专项训练#专项训练#解决问题#二年级#二年级数学下册#知识分享.pdf
10.00金币
1下载
二年级数学下册还原问题二年级数学下册还原问题#二年级#二年级数学#关注我持续更新小学知识 #知识分享 #家长收藏孩子受益.pdf
10.00金币
1下载
二年级数学下册第六单元考试卷家长打印出来给孩子测试测试争取拿到高分!#小学二年级试卷分享 #二年级第六单考试数学 #第六单考试#二年级数学下册.pdf
10.00金币
0下载
二年级数学下册必背顺口溜口诀汇总二年级数学下册必背顺口溜口诀汇总#二年级#二年级数学下册 #知识分享 #家长收藏孩子受益 #关注我持续更新小学知识.pdf
10.00金币
0下载
二年级数学下册《重点难点思维题》两大问题解决技巧和方法巧算星期几解决周期问题还原问题强化思维训练老师精心整理家长可以打印出来给孩子练习#家长收藏孩子受益 #学霸秘籍 #思维训练 #二年级 #知识点总结.pdf
10.00金币
0下载
二年级数学下册 必背公式大全寒假提前背一背开学更轻松#二年级 #二年级数学 #二年级数学下册 #寒假充电计划 #公式.pdf
10.00金币
0下载
蜗牛文库+ 关注
实名认证
内容提供者

提供各种专业文档内容

确认删除?
QQ
  • QQ点击这里给我发消息
微信客服
  • 微信客服
回到顶部