电脑桌面
添加蜗牛文库到电脑桌面
安装后可以在桌面快捷访问

混凝土氧气扩散系数的试验研究.pdfVIP免费

混凝土氧气扩散系数的试验研究.pdf_第1页
混凝土氧气扩散系数的试验研究.pdf_第2页
混凝土氧气扩散系数的试验研究.pdf_第3页
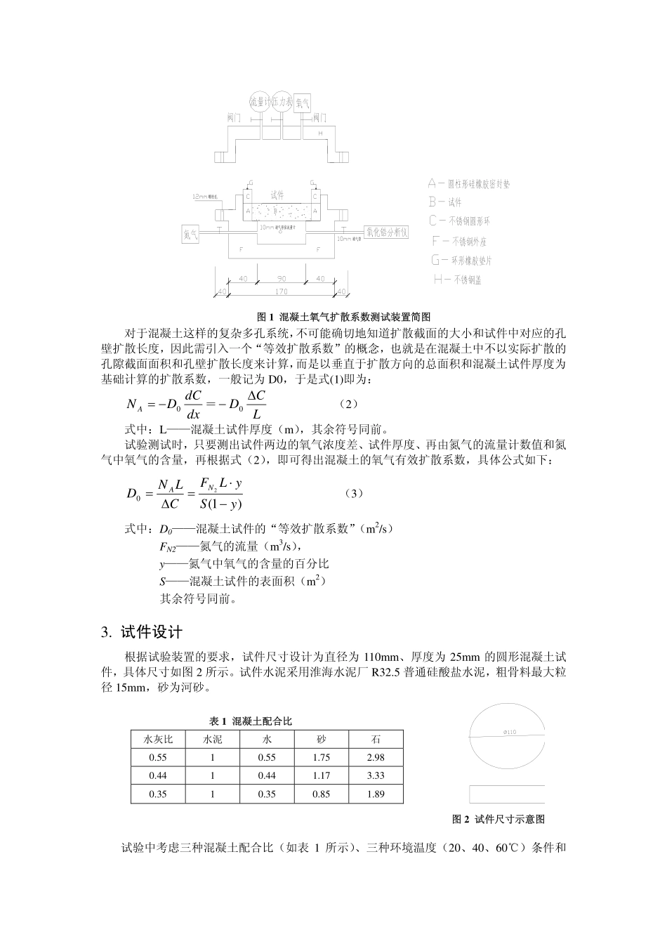
国家自然科学基金项目(50478100、50538070)、中国矿业大学青年科研基金项目(0B4454)资助混凝土氧气扩散系数的试验研究耿欧,袁迎曙(中国矿业大学建筑工程学院徐州221008)摘要:本文根据混凝土中氧气扩散的Fick扩散定律,研制了混凝土氧扩散系数测试装置;根据正交试验的原理,进行了混凝土水灰比、环境相对湿度和环境温度对混凝土氧气扩散系数影响的试验研究,得到了混凝土氧气扩散系数和混凝土水灰比、环境相对湿度和环境温度相互关系模型,为钢筋锈蚀的定量评价提供了科学依据。关键词:混凝土,氧扩散,耐久性1.引言从20世纪60年代开始,由于混凝土中钢筋腐蚀而引起的钢筋混凝土结构耐久性能的退化而带来的巨大的经济损失引起了世界各国的高度重视,对基于钢筋腐蚀引起的钢筋混凝土结构耐久性退化也成为耐久性研究领域中的一个重点研究方向。钢筋锈蚀发生与发展的必要条件之一就是要有足够的氧和水。研究表明,钢筋表面的氧量对钢筋锈蚀速度起着重要的作用。因此,氧气在混凝土中扩散速度的确定对于钢筋锈蚀的评价及腐蚀的防止具有重要的意义[1-3]。氧气在混凝土中的扩散主要取决于混凝土的水灰比、含水率及外界温度等因素。水灰比是决定混凝土孔结构的重要因素,在一定程度上决定了氧气在混凝土中的扩散速度,水灰比越大,氧气的扩散系数越大;混凝土的含水率对氧气的扩散系数也有重大影响,含水率越高,混凝土中的孔隙越被水充满,则扩散速度越慢。温度高时,氧分子运动加快,氧气的扩散系数也会相应地增大[1]。在目前的研究成果中,希腊学者Papadakis通过试验研究了二氧化碳在混凝土中的扩散系数[3];文献[4~6]在此基础上,研究了混凝土孔隙率与水灰比的关系,并根据分子运动学的原理,利用氧气和二氧化碳摩尔质量比,确定了混凝土中氧气扩散系数和混凝土水灰比和空气相对湿度的关系;文献[2]以大量实际工程调查结果为基础,建立了氧气在混凝土中的扩散系数与混凝土抗压强度的定量关系,但这些研究成果中,均没有涉及温度对混凝土氧扩散系数的影响,本文在试验的基础上,研究混凝土水灰比、空气相对湿度及温度对混凝土氧扩散系数的影响,建立混凝土氧扩散系数计算模型,为钢筋锈蚀速率的定量评价提供科学依据。2.试验装置的设计及测试原理由于目前国内还没有直接测试混凝土氧气扩散系数的仪器,所以参照文献[7-10]中介绍的气体扩散测试装置,设计加工了如图1所示的试验装置。它主要是由上下两个可以密封的不锈钢座、气体压力计、流量计和...

1、当您付费下载文档后,您只拥有了使用权限,并不意味着购买了版权,文档只能用于自身使用,不得用于其他商业用途(如 [转卖]进行直接盈利或[编辑后售卖]进行间接盈利)。
2、本站所有内容均由合作方或网友上传,本站不对文档的完整性、权威性及其观点立场正确性做任何保证或承诺!文档内容仅供研究参考,付费前请自行鉴别。
3、如文档内容存在违规,或者侵犯商业秘密、侵犯著作权等,请点击“违规举报”。

碎片内容

蜗牛文库的最新文档

二年级数学下册其中检测卷二年级数学下册其中检测卷附答案#期中测试卷.pdf
10.00金币
0下载
二年级数学下册期末质检卷(苏教版)二年级数学下册期末质检卷(苏教版)#期末复习 #期末测试卷 #二年级数学 #二年级数学下册#关注我持续更新小学知识.pdf
10.00金币
0下载
二年级数学下册期末混合运算专项练习二年级数学下册期末混合运算专项练习#二年级#二年级数学下册#关注我持续更新小学知识 #知识分享 #家长收藏孩子受益.pdf
10.00金币
1下载
二年级数学下册年月日三类周期问题解题方法二年级数学下册年月日三类周期问题解题方法#二年级#二年级数学下册#知识分享 #关注我持续更新小学知识 #家长收藏孩子受益.pdf
10.00金币
0下载
二年级数学下册解决问题专项训练二年级数学下册解决问题专项训练#专项训练#解决问题#二年级#二年级数学下册#知识分享.pdf
10.00金币
1下载
二年级数学下册还原问题二年级数学下册还原问题#二年级#二年级数学#关注我持续更新小学知识 #知识分享 #家长收藏孩子受益.pdf
10.00金币
1下载
二年级数学下册第六单元考试卷家长打印出来给孩子测试测试争取拿到高分!#小学二年级试卷分享 #二年级第六单考试数学 #第六单考试#二年级数学下册.pdf
10.00金币
0下载
二年级数学下册必背顺口溜口诀汇总二年级数学下册必背顺口溜口诀汇总#二年级#二年级数学下册 #知识分享 #家长收藏孩子受益 #关注我持续更新小学知识.pdf
10.00金币
0下载
二年级数学下册《重点难点思维题》两大问题解决技巧和方法巧算星期几解决周期问题还原问题强化思维训练老师精心整理家长可以打印出来给孩子练习#家长收藏孩子受益 #学霸秘籍 #思维训练 #二年级 #知识点总结.pdf
10.00金币
0下载
二年级数学下册 必背公式大全寒假提前背一背开学更轻松#二年级 #二年级数学 #二年级数学下册 #寒假充电计划 #公式.pdf
10.00金币
0下载
蜗牛文库+ 关注
实名认证
内容提供者

提供各种专业文档内容

确认删除?
QQ
  • QQ点击这里给我发消息
微信客服
  • 微信客服
回到顶部