电脑桌面
添加蜗牛文库到电脑桌面
安装后可以在桌面快捷访问

横向裂缝区混凝土与钢筋间的粘结损伤长度研究.pdfVIP免费

横向裂缝区混凝土与钢筋间的粘结损伤长度研究.pdf_第1页
横向裂缝区混凝土与钢筋间的粘结损伤长度研究.pdf_第2页
横向裂缝区混凝土与钢筋间的粘结损伤长度研究.pdf_第3页
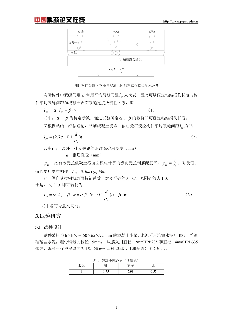
横向裂缝区混凝土与钢筋间的粘结损伤长度研究1耿欧,黄波,刘振阳,何建波,马牛静中国矿业大学建筑工程学院,江苏徐州(221008)E-mail:ougeng@cumt.edu.cn摘要:横向裂缝区钢筋与混凝土间的损伤长度对确定钢筋腐蚀阳极区长度至关重要。本文介绍了横向裂缝区钢筋与混凝土粘结损伤产生的机理,在此基础上分析了混凝土与钢筋粘结损伤长度的影响因素,探讨了损伤长度和混凝土表面裂缝宽度和构件平均裂缝间距的关系;通过12组钢筋混凝土梁的试验结果,利用SPSS统计分析软件建立了损伤长度与裂缝宽度、构件平均裂缝间距的回归方程,并分析了方程的统计显著性以及裂缝宽度和平均裂缝间距对损伤长度影响的显著性。关键词:钢筋混凝土,裂缝,粘结损伤长度1.引言钢筋混凝土构件中的横向裂缝一般多是由于构件荷载所引起,横向裂缝与钢筋直接相交,二氧化碳、氧气、湿气等侵蚀性物质更加容易扩散到钢筋的表面,因此,裂缝的宽度、裂缝的间距对混凝土内钢筋的锈蚀必然产生严重的影响[1-7]。文献[1]作者提出混凝土的裂缝处由于氧气、湿气等锈蚀性要素作用得更加方便,使得裂缝处钢筋作为阳极,其锈蚀速率明显加快,较开裂前可能提高3~5倍;,文献[7]对氯盐侵蚀试件进行试验,试验结果表明裂缝宽度从0.07mm增大到0.85mm,钢筋腐蚀电流密度提高了约2倍。但在相关文献中钢筋锈蚀阳极区的长度的大小及其与裂缝宽度的关系并没有给出,本文通过裂缝区钢筋与混凝土粘结损伤机理分析和混凝土梁的试验,研究了横向裂缝区钢筋与混凝土粘结损伤长度,为确定横向裂缝区钢筋锈蚀的阳极区长度打下必要的基础。2.粘结损伤长度的机理分析根据钢筋混凝土基本理论,构件开裂以前截面应力应变都很小,钢筋与混凝土协同受力。随着荷载的增加,截面应变不断增大,由于混凝土极限拉应变很小,当达到开裂荷载时,在抗拉能力最弱处,混凝土因达到极限拉应变而首先出现裂缝。在裂缝出现瞬间,原受拉张紧混凝土突然断裂收缩,应变能瞬时释放,使钢筋应力应变激增,因而在钢筋混凝土之间产生有很大应变差,致使裂缝附近一个区段上的粘结作用遭受破坏或完全丧失。这一区段的长度即为裂缝区钢筋与混凝土间的粘结损伤长度(如图1所示),它与混凝土表面裂缝宽度和裂缝间距有关。selwL1本课题得到中国矿业大学青年科研基金项目(0B4454)的资助。-1-http://www.paper.edu.cn混凝土钢筋Lse/2Lse/2LL裂缝裂缝裂缝粘结损伤区段图1横向裂缝区钢筋与混凝土间的粘结损伤长度示意图实际构件中裂缝间距...

1、当您付费下载文档后,您只拥有了使用权限,并不意味着购买了版权,文档只能用于自身使用,不得用于其他商业用途(如 [转卖]进行直接盈利或[编辑后售卖]进行间接盈利)。
2、本站所有内容均由合作方或网友上传,本站不对文档的完整性、权威性及其观点立场正确性做任何保证或承诺!文档内容仅供研究参考,付费前请自行鉴别。
3、如文档内容存在违规,或者侵犯商业秘密、侵犯著作权等,请点击“违规举报”。

碎片内容

蜗牛文库的最新文档

二年级数学下册其中检测卷二年级数学下册其中检测卷附答案#期中测试卷.pdf
10.00金币
0下载
二年级数学下册期末质检卷(苏教版)二年级数学下册期末质检卷(苏教版)#期末复习 #期末测试卷 #二年级数学 #二年级数学下册#关注我持续更新小学知识.pdf
10.00金币
0下载
二年级数学下册期末混合运算专项练习二年级数学下册期末混合运算专项练习#二年级#二年级数学下册#关注我持续更新小学知识 #知识分享 #家长收藏孩子受益.pdf
10.00金币
1下载
二年级数学下册年月日三类周期问题解题方法二年级数学下册年月日三类周期问题解题方法#二年级#二年级数学下册#知识分享 #关注我持续更新小学知识 #家长收藏孩子受益.pdf
10.00金币
0下载
二年级数学下册解决问题专项训练二年级数学下册解决问题专项训练#专项训练#解决问题#二年级#二年级数学下册#知识分享.pdf
10.00金币
1下载
二年级数学下册还原问题二年级数学下册还原问题#二年级#二年级数学#关注我持续更新小学知识 #知识分享 #家长收藏孩子受益.pdf
10.00金币
1下载
二年级数学下册第六单元考试卷家长打印出来给孩子测试测试争取拿到高分!#小学二年级试卷分享 #二年级第六单考试数学 #第六单考试#二年级数学下册.pdf
10.00金币
0下载
二年级数学下册必背顺口溜口诀汇总二年级数学下册必背顺口溜口诀汇总#二年级#二年级数学下册 #知识分享 #家长收藏孩子受益 #关注我持续更新小学知识.pdf
10.00金币
0下载
二年级数学下册《重点难点思维题》两大问题解决技巧和方法巧算星期几解决周期问题还原问题强化思维训练老师精心整理家长可以打印出来给孩子练习#家长收藏孩子受益 #学霸秘籍 #思维训练 #二年级 #知识点总结.pdf
10.00金币
0下载
二年级数学下册 必背公式大全寒假提前背一背开学更轻松#二年级 #二年级数学 #二年级数学下册 #寒假充电计划 #公式.pdf
10.00金币
0下载
蜗牛文库+ 关注
实名认证
内容提供者

提供各种专业文档内容

确认删除?
QQ
  • QQ点击这里给我发消息
微信客服
  • 微信客服
回到顶部