电脑桌面
添加蜗牛文库到电脑桌面
安装后可以在桌面快捷访问

51-1F420100-水利水电工程施工组织设计(三).docxVIP免费

51-1F420100-水利水电工程施工组织设计(三).docx_第1页
51-1F420100-水利水电工程施工组织设计(三).docx_第2页
51-1F420100-水利水电工程施工组织设计(三).docx_第3页
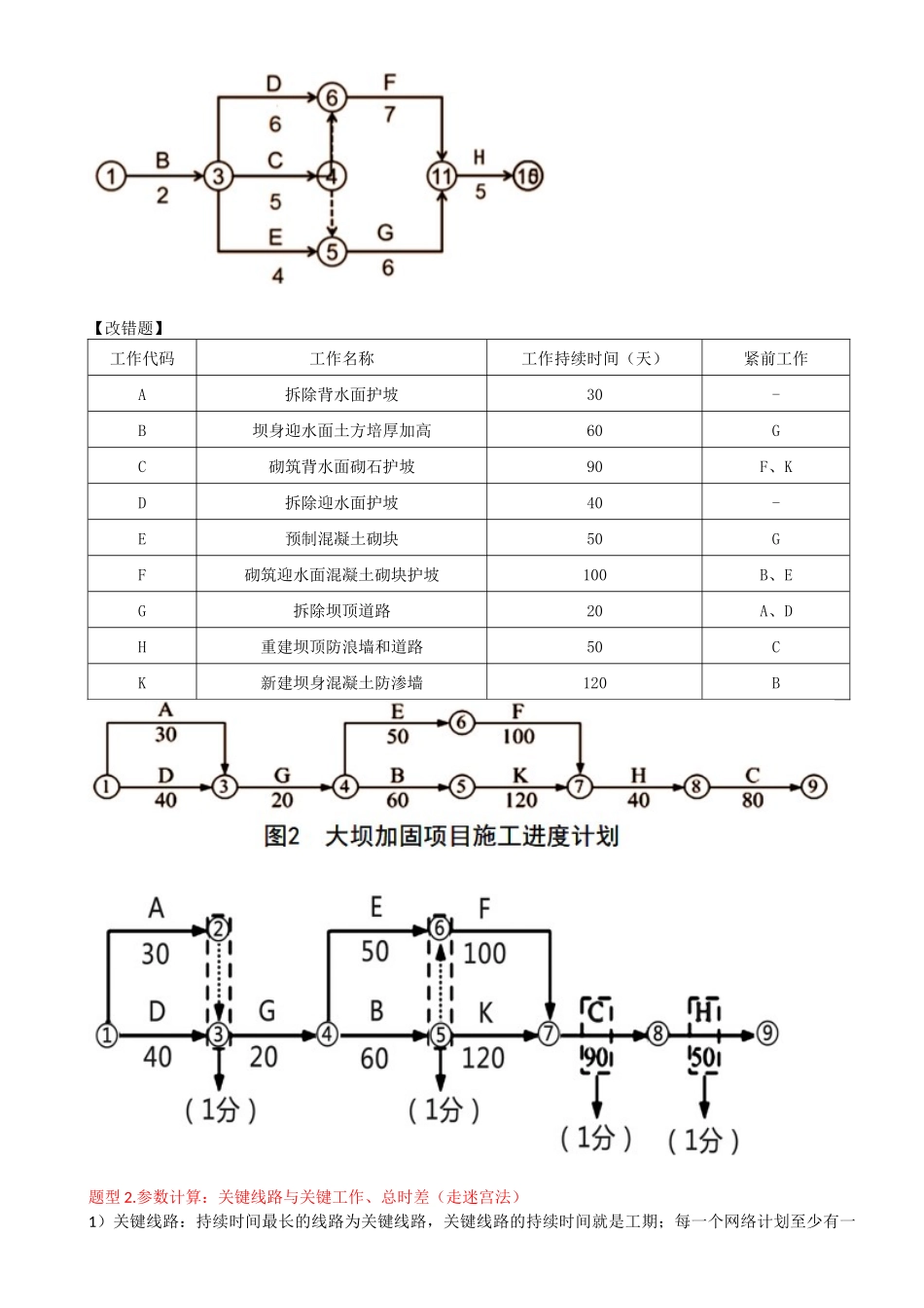
3)网络进度计划①单代号网络计划(略)②双代号网络计划(几乎年年考)③时标网络图(双代号升级版本)【概念】以箭线及其两端节点的编号表示工作的网络图。【特点】各工作之间的逻辑关系十分清楚,且经过时间参数的计算可找出关键线路,并可上机调整和优化1F420100水利水电工程施工组织设计(3)考什么?(经典5题型)题型1.网络计划图绘制:绘制、调整、挑错修改等;题型2.参数计算:关键线路与关键工作、总时差、自由时差;题型3.索赔问题:工期延误、费用索赔;题型4.进度优化:调整网络图题型5.计算时间节点:与横道图考法相同题型1.网络计划图绘制:绘制、调整、挑错修改等;(1)起点工作:节点编号(2)逻辑关系:紧前、紧后(3)持续时间(4)绘制顺序【绘制网络图】工作名称紧前工作紧后工作工作名称紧前工作紧后工作B(2)\C、D、EF(7)D、CHD(6)BFG(6)C、EHE(4)BGH(5)F、G\C(5)BG、F【改错题】工作代码工作名称工作持续时间(天)紧前工作A拆除背水面护坡30-B坝身迎水面土方培厚加高60GC砌筑背水面砌石护坡90F、KD拆除迎水面护坡40-E预制混凝土砌块50GF砌筑迎水面混凝土砌块护坡100B、EG拆除坝顶道路20A、DH重建坝顶防浪墙和道路50CK新建坝身混凝土防渗墙120B题型2.参数计算:关键线路与关键工作、总时差(走迷宫法)1)关键线路:持续时间最长的线路为关键线路,关键线路的持续时间就是工期;每一个网络计划至少有一条关键线路。关键线路上的工作就是关键工作。关键工作的总是差最小次关键线路:持续时间仅短于关键线路的线路。1、关键线路B-D-F-H2、关键工作B、D、F、H3、次关键线路B-C-F-H题型2.参数计算:关键线路与关键工作、总时差2)工期T(time):完成任务所需要的时间。计划工期—该工作所在所有线路时间最长的3)总时差:不影响总工期前提下,工作可以利用的机动时间①公式计算:最迟开始-最早开始=最迟完成-最早完成②双代号时标网络计划:紧后工作总时差加本工作与该紧后工作时间间隔之和的最小值1、计划工期=202、D工作总时差=03、C工作总时差=1题型3.索赔问题:工期延误、费用索赔;(1)责任划分(承发包双方责任、义务)(2)工期延误(关键工作、时差)①关键工作:则延误多久就对总工期影响多久;②非关键工作:不超过总时差,不影响总工期;超过总时差,影响总工期,值为两者之差。事件1:A工作过程中,发现局部地质条件与项目法人提供的勘察报告不符,需进行处理,A工作的实际工作时间为34天。事件2...

1、当您付费下载文档后,您只拥有了使用权限,并不意味着购买了版权,文档只能用于自身使用,不得用于其他商业用途(如 [转卖]进行直接盈利或[编辑后售卖]进行间接盈利)。
2、本站所有内容均由合作方或网友上传,本站不对文档的完整性、权威性及其观点立场正确性做任何保证或承诺!文档内容仅供研究参考,付费前请自行鉴别。
3、如文档内容存在违规,或者侵犯商业秘密、侵犯著作权等,请点击“违规举报”。

碎片内容

蜗牛文库的最新文档

二年级数学下册其中检测卷二年级数学下册其中检测卷附答案#期中测试卷.pdf
10.00金币
0下载
二年级数学下册期末质检卷(苏教版)二年级数学下册期末质检卷(苏教版)#期末复习 #期末测试卷 #二年级数学 #二年级数学下册#关注我持续更新小学知识.pdf
10.00金币
0下载
二年级数学下册期末混合运算专项练习二年级数学下册期末混合运算专项练习#二年级#二年级数学下册#关注我持续更新小学知识 #知识分享 #家长收藏孩子受益.pdf
10.00金币
1下载
二年级数学下册年月日三类周期问题解题方法二年级数学下册年月日三类周期问题解题方法#二年级#二年级数学下册#知识分享 #关注我持续更新小学知识 #家长收藏孩子受益.pdf
10.00金币
0下载
二年级数学下册解决问题专项训练二年级数学下册解决问题专项训练#专项训练#解决问题#二年级#二年级数学下册#知识分享.pdf
10.00金币
1下载
二年级数学下册还原问题二年级数学下册还原问题#二年级#二年级数学#关注我持续更新小学知识 #知识分享 #家长收藏孩子受益.pdf
10.00金币
1下载
二年级数学下册第六单元考试卷家长打印出来给孩子测试测试争取拿到高分!#小学二年级试卷分享 #二年级第六单考试数学 #第六单考试#二年级数学下册.pdf
10.00金币
0下载
二年级数学下册必背顺口溜口诀汇总二年级数学下册必背顺口溜口诀汇总#二年级#二年级数学下册 #知识分享 #家长收藏孩子受益 #关注我持续更新小学知识.pdf
10.00金币
0下载
二年级数学下册《重点难点思维题》两大问题解决技巧和方法巧算星期几解决周期问题还原问题强化思维训练老师精心整理家长可以打印出来给孩子练习#家长收藏孩子受益 #学霸秘籍 #思维训练 #二年级 #知识点总结.pdf
10.00金币
0下载
二年级数学下册 必背公式大全寒假提前背一背开学更轻松#二年级 #二年级数学 #二年级数学下册 #寒假充电计划 #公式.pdf
10.00金币
0下载
蜗牛文库+ 关注
实名认证
内容提供者

提供各种专业文档内容

确认删除?
QQ
  • QQ点击这里给我发消息
微信客服
  • 微信客服
回到顶部