电脑桌面
添加蜗牛文库到电脑桌面
安装后可以在桌面快捷访问

01、1B411000 路基工程.docxVIP免费

01、1B411000 路基工程.docx_第1页
01、1B411000 路基工程.docx_第2页
01、1B411000 路基工程.docx_第3页
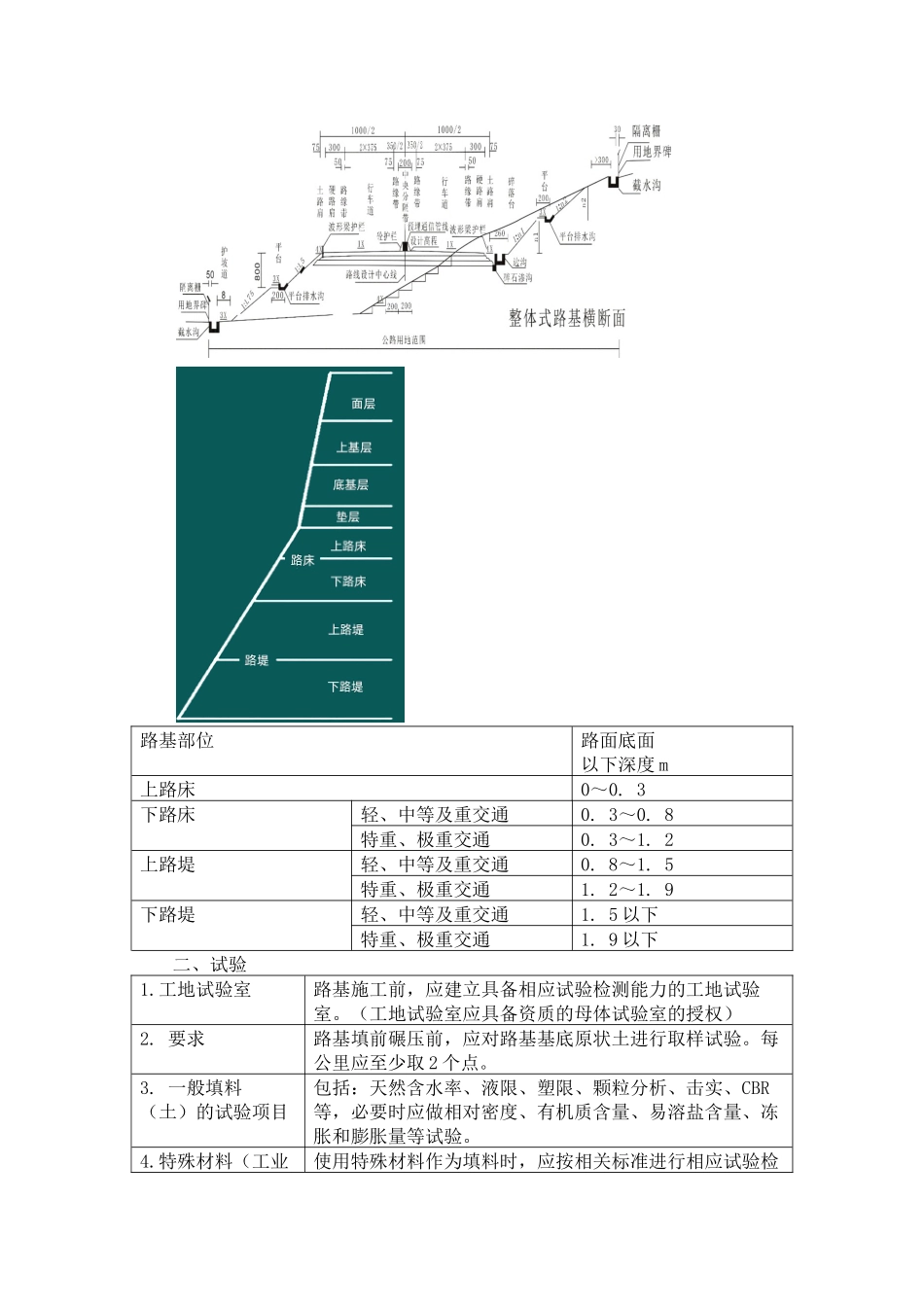
2022年一级建造师执业资格考试公路工程管理与实务教材精讲班1B410000公路工程施工技术1B411000路基工程路基常见横断面形式:1B411010路基施工技术考点:路基施工技术准备★★路基施工前应做好组织、物质和技术三大准备。一、路基施工准备的一般规定1.路基施工前,应熟悉设计文件(施工图设计文件)。路基部位路面底面以下深度m上路床0~0.3下路床轻、中等及重交通0.3~0.8特重、极重交通0.3~1.2上路堤轻、中等及重交通0.8~1.5特重、极重交通1.2~1.9下路堤轻、中等及重交通1.5以下特重、极重交通1.9以下二、试验1.工地试验室路基施工前,应建立具备相应试验检测能力的工地试验室。(工地试验室应具备资质的母体试验室的授权)2.要求路基填前碾压前,应对路基基底原状土进行取样试验。每公里应至少取2个点。3.一般填料(土)的试验项目包括:天然含水率、液限、塑限、颗粒分析、击实、CBR等,必要时应做相对密度、有机质含量、易溶盐含量、冻胀和膨胀量等试验。4.特殊材料(工业使用特殊材料作为填料时,应按相关标准进行相应试验检废渣)作为填料验,经批准(政府和建设单位批准)后方可使用。名词解释(补充):1.天然含水率天然状态下岩土孔隙(空隙)所含水分的质量与固体颗粒质量之百分比。2.液限(WL)由流动状态转向塑性状态时的界限含水率,即保持塑性状态的最高含水率称为液限。3.塑限(WP)由塑性状态过渡到半固体状态时的界限含水率,即保持塑性状态的最低含水率称为塑限。4.标准击实实验是指为测定土的最大干密度和最优含水率。5.CBR值表征路基土、粒料、稳定土强度的一种指标,即标准试件在贯入量为2.5mm时所施加的试验荷载与标准碎石材料在相同贯入量时所施加的荷载之比值,以百分率表示。三、试验路段考点:原地基处理要求★★★路基范围内的原地基应在路基施工前按下列要求进行处理:(压、填、排、换、台)1.压(1)二级及二级以上公路一般土质不应小于90%。(2)三、四级公路不应小于85%。(3)低路堤应对地基表层土进行超挖、分层回填压实,其处理深度不应小于路床厚度。2.填原地面坑、洞、穴等,应在清除沉积物后,用合格填料分层回填分层压实,压实度应符合规定。3.排泉眼或露头地下水,应按设计要求,采取有效导排措施(暗沟)后方可填筑路堤。4.换地基为耕地、松散土质、水稻田、湖塘、软土、过湿土等时,应按设计要求进行处理,局部软弹的部分也应采取有效的处理措施。5.台陡坡地段、填挖结合部、土石混合地段、高填方地...

1、当您付费下载文档后,您只拥有了使用权限,并不意味着购买了版权,文档只能用于自身使用,不得用于其他商业用途(如 [转卖]进行直接盈利或[编辑后售卖]进行间接盈利)。
2、本站所有内容均由合作方或网友上传,本站不对文档的完整性、权威性及其观点立场正确性做任何保证或承诺!文档内容仅供研究参考,付费前请自行鉴别。
3、如文档内容存在违规,或者侵犯商业秘密、侵犯著作权等,请点击“违规举报”。

碎片内容

蜗牛文库的最新文档

二年级数学下册其中检测卷二年级数学下册其中检测卷附答案#期中测试卷.pdf
10.00金币
0下载
二年级数学下册期末质检卷(苏教版)二年级数学下册期末质检卷(苏教版)#期末复习 #期末测试卷 #二年级数学 #二年级数学下册#关注我持续更新小学知识.pdf
10.00金币
0下载
二年级数学下册期末混合运算专项练习二年级数学下册期末混合运算专项练习#二年级#二年级数学下册#关注我持续更新小学知识 #知识分享 #家长收藏孩子受益.pdf
10.00金币
1下载
二年级数学下册年月日三类周期问题解题方法二年级数学下册年月日三类周期问题解题方法#二年级#二年级数学下册#知识分享 #关注我持续更新小学知识 #家长收藏孩子受益.pdf
10.00金币
0下载
二年级数学下册解决问题专项训练二年级数学下册解决问题专项训练#专项训练#解决问题#二年级#二年级数学下册#知识分享.pdf
10.00金币
1下载
二年级数学下册还原问题二年级数学下册还原问题#二年级#二年级数学#关注我持续更新小学知识 #知识分享 #家长收藏孩子受益.pdf
10.00金币
1下载
二年级数学下册第六单元考试卷家长打印出来给孩子测试测试争取拿到高分!#小学二年级试卷分享 #二年级第六单考试数学 #第六单考试#二年级数学下册.pdf
10.00金币
0下载
二年级数学下册必背顺口溜口诀汇总二年级数学下册必背顺口溜口诀汇总#二年级#二年级数学下册 #知识分享 #家长收藏孩子受益 #关注我持续更新小学知识.pdf
10.00金币
0下载
二年级数学下册《重点难点思维题》两大问题解决技巧和方法巧算星期几解决周期问题还原问题强化思维训练老师精心整理家长可以打印出来给孩子练习#家长收藏孩子受益 #学霸秘籍 #思维训练 #二年级 #知识点总结.pdf
10.00金币
0下载
二年级数学下册 必背公式大全寒假提前背一背开学更轻松#二年级 #二年级数学 #二年级数学下册 #寒假充电计划 #公式.pdf
10.00金币
0下载
蜗牛文库+ 关注
实名认证
内容提供者

提供各种专业文档内容

确认删除?
QQ
  • QQ点击这里给我发消息
微信客服
  • 微信客服
回到顶部