电脑桌面
添加蜗牛文库到电脑桌面
安装后可以在桌面快捷访问

2021年一建经济教材变动.pdfVIP免费

2021年一建经济教材变动.pdf_第1页
2021年一建经济教材变动.pdf_第2页
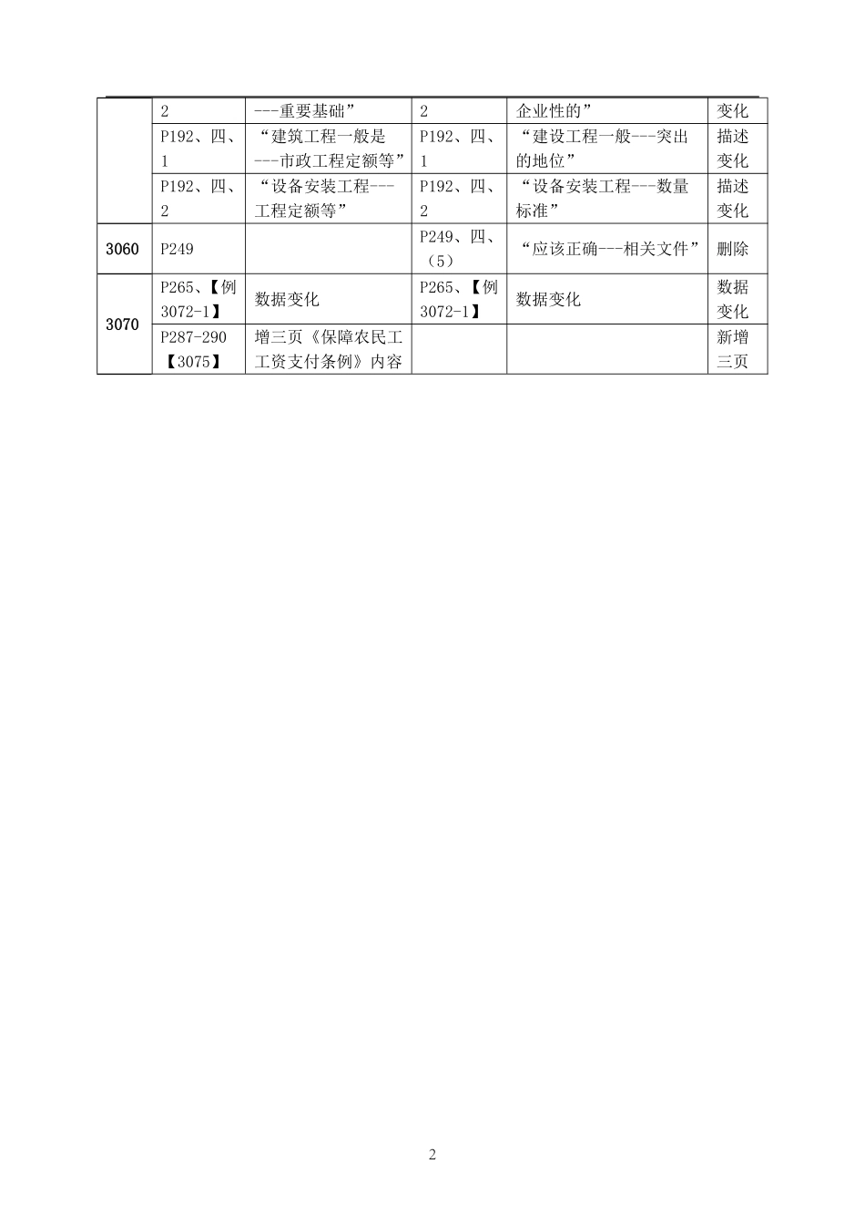
12021年一建《建设工程经济》新旧教材变化对比变动总结:新教材涉及描述变化10处,内容新增8处,内容删除3处。第一篇变动率0.6%,第二篇变动率0.6%。第三篇变动率1.8%。全书整体变化率总占比在1.3%(按篇幅,大概4页内容)。总页码由326页变化为328页。变化以新增为主。其中第三篇3075预付款及其中支付新增《保障农民工工资支付条例》2.5页内容。其余大部分均为描述变化。章节2021年教材页码、行2021年教材内容2020年教材页码、行2020年教材内容备注1020P23、四、第二段“但不足的是---结合应用”P23、四、第二段“静态投资回收---结合应用”描述变化1030P38、(二)“一般用生产--较大的风险”P38、(二)新增描述1040P49、(四)、1、最后“计算基数方案---等因素确定”P49新增描述P49、(四)、2“国家对采用---除外”P49“(经特别批准--以上)”简化描述P51、(一)、第一段“增值税是---部分内容”P51、(一)、第一段“经国务院批准--3010”描述变化P52、(五)“附加税是---加征的税”P52新增句2010P87、5P87、5“财务会计应当以货币计量”删除P89(一)2.(2)非流动资产“包括债权投资---其他非流动资产”。P89(一)2.(2)非流动资产包括可供出售金融资产---其他非流动资产。整体变动P90(三)2.“其他权益工---安全生产费。“”P90(三)2.(5)其他权益工具、其他综合收益、专项储备。新增一段2020P97、一、第二行主要包括公益性---理产生的损失。P97、一、第二行包括债务重组---售无形资产净损失等整体变动P102、2.第二行“具体选择固定资产---为基础进行折旧。”P102、2.第二行“但不应以包---为基础进行折旧。”整体变动2030P113第二段“需要指出的是,在---交税金中核算。”P113新增一段P115、三、第一段“(客户指与企业订---付对价的一方)”P115新增P115三、(5)“在合同开始日即满---发生重大变化”。P115新增P124、4.P124“这是《中华人民---回购的修改相配合。”删除3020P191、二、“是编制定额基价P191、二、“是编制单位估价表---描述提供高端面授精华视频+精准押题:一建、二建、咨询、监理、造价、环评、经济师、安全、房估、消防等QQ/VX:206991008622---重要基础”2企业性的”变化P192、四、1“建筑工程一般是---市政工程定额等”P192、四、1“建设工程一般---突出的地位”描述变化P192、四、2“设备安装工程---工程定额等”P192、四、2“设备安装工程---数量标准”描述变化3060P249P249、四、(5)“应该正确---相关...

1、当您付费下载文档后,您只拥有了使用权限,并不意味着购买了版权,文档只能用于自身使用,不得用于其他商业用途(如 [转卖]进行直接盈利或[编辑后售卖]进行间接盈利)。
2、本站所有内容均由合作方或网友上传,本站不对文档的完整性、权威性及其观点立场正确性做任何保证或承诺!文档内容仅供研究参考,付费前请自行鉴别。
3、如文档内容存在违规,或者侵犯商业秘密、侵犯著作权等,请点击“违规举报”。

碎片内容

蜗牛文库的最新文档

二年级数学下册其中检测卷二年级数学下册其中检测卷附答案#期中测试卷.pdf
10.00金币
0下载
二年级数学下册期末质检卷(苏教版)二年级数学下册期末质检卷(苏教版)#期末复习 #期末测试卷 #二年级数学 #二年级数学下册#关注我持续更新小学知识.pdf
10.00金币
0下载
二年级数学下册期末混合运算专项练习二年级数学下册期末混合运算专项练习#二年级#二年级数学下册#关注我持续更新小学知识 #知识分享 #家长收藏孩子受益.pdf
10.00金币
1下载
二年级数学下册年月日三类周期问题解题方法二年级数学下册年月日三类周期问题解题方法#二年级#二年级数学下册#知识分享 #关注我持续更新小学知识 #家长收藏孩子受益.pdf
10.00金币
0下载
二年级数学下册解决问题专项训练二年级数学下册解决问题专项训练#专项训练#解决问题#二年级#二年级数学下册#知识分享.pdf
10.00金币
1下载
二年级数学下册还原问题二年级数学下册还原问题#二年级#二年级数学#关注我持续更新小学知识 #知识分享 #家长收藏孩子受益.pdf
10.00金币
1下载
二年级数学下册第六单元考试卷家长打印出来给孩子测试测试争取拿到高分!#小学二年级试卷分享 #二年级第六单考试数学 #第六单考试#二年级数学下册.pdf
10.00金币
0下载
二年级数学下册必背顺口溜口诀汇总二年级数学下册必背顺口溜口诀汇总#二年级#二年级数学下册 #知识分享 #家长收藏孩子受益 #关注我持续更新小学知识.pdf
10.00金币
0下载
二年级数学下册《重点难点思维题》两大问题解决技巧和方法巧算星期几解决周期问题还原问题强化思维训练老师精心整理家长可以打印出来给孩子练习#家长收藏孩子受益 #学霸秘籍 #思维训练 #二年级 #知识点总结.pdf
10.00金币
0下载
二年级数学下册 必背公式大全寒假提前背一背开学更轻松#二年级 #二年级数学 #二年级数学下册 #寒假充电计划 #公式.pdf
10.00金币
0下载
蜗牛文库+ 关注
实名认证
内容提供者

提供各种专业文档内容

确认删除?
QQ
  • QQ点击这里给我发消息
微信客服
  • 微信客服
回到顶部