电脑桌面
添加蜗牛文库到电脑桌面
安装后可以在桌面快捷访问

08985装饰工程定额与预算.docxVIP免费

08985装饰工程定额与预算.docx_第1页
08985装饰工程定额与预算.docx_第2页
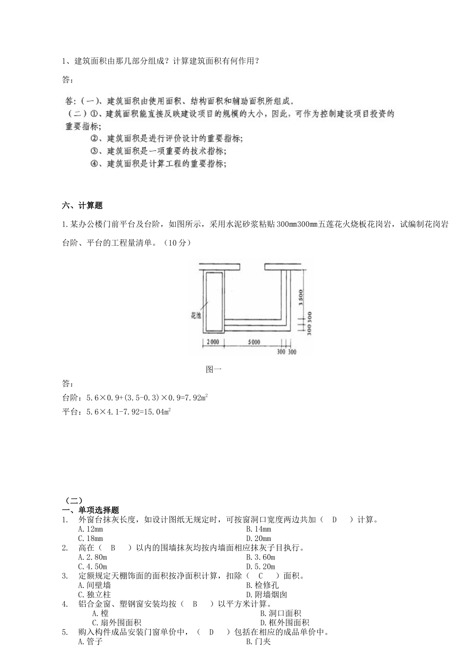
08985装饰工程定额与预算.docx_第3页
装饰工程定额与预算复习资料(课程代码:08985)习题汇总:(一)一、判断题1、楼梯装饰中踢脚需要单独编码列项。(×)2、楼梯装饰楼面面层、踢脚线、防滑条均需要单独套定额。(×)3、单独的外窗台抹灰长度,如设计图纸无规定时,可按窗洞宽度两边共加200mm计算,窗台展开宽度按360mm计算。(√)4、建筑物门厅、大厅内设有回廊时,其建筑面积按自然层的水平投影面积计算。(×)5、井字梁天棚抹灰清单工程量按设计图示以水平投影面积计算,两侧并天棚工程量中,定额工程量则是按墙与墙间的净空面积乘以1.50。(√)二、单项选择题1、工程量清单是招标文件的组成部分,其组成不包括(D)。A.措施项目清单B.零星工作项目清单C.分部分项工程量清单D.直接工程费用清单2、四川省清单计价定额中,楼地面装饰面积按饰面的净面积计算,不扣除(B)以内的孔洞所占面积。A.0.1m2B.0.3m2C.0.5m2D.0.2m23、在建筑面积计算规则中,单层建筑物的建筑面积,应按勒脚以上结构外围水平面积计算,其高度在2.2m及以上者应计算(C)。A.1/2面积B.不计面积C.全面积D.半面积4、柱面镶贴块料清单工程量按(A)计算。A.镶贴面积B.结构断面周长乘以高度C.展开面积D.结构断面周长加结合层5、四川省清单计价定额规定,金属栏杆扶手油漆均应以(C)计量单位。A.m2B.mC.tD.kg6、板式楼梯底面抹灰按设计图示尺寸以斜面积计算,四川省清单计价定额中,其工程量按图示尺寸以水平投影面积乘以系数(B)。A.1.20B.1.30C.1.50D.1.407、装饰工程中,建筑物超高增加费的计算规则为(A)。A.按超高部分的定额人工费乘以相应系数B.按超高部分的建筑面积C.建筑物的建筑面积D.分部分项定额人工费计算8、单层木门油漆定额工程量计算规则为(B)。A.实际面积计算B.按设计图示单面洞口面积乘以1.00C.按设计图示双面洞口面积乘以1.00D.以樘计算9、措施费中的安全文明施工费不包括下列哪项(B)。A.文明施工费B.二次搬运费C.环境保护费D.临时设施费10、下列项目中,清单工程量按长度以m为计量单位计算的是(A)。A.窗台板B.空花格、栏杆刷油漆C.灯带D.现浇水磨石踢脚线三、多项选择题1、某项目天棚工程施工方法为:预制钢筋混凝土板底吊不上人型装配式U型轻钢龙骨,龙骨上铺钉胶合板,面层6m厚铝塑板450mm×450mm闭缝粘贴,按照四川省清单计价定额,应套用哪些定额(BCD)。A.装饰夹层B.龙骨C.基层D.面层2、四川省清单计价定额中,装饰线条以墙面上直线安装为准,如天棚安装直线形、圆弧形或...

1、当您付费下载文档后,您只拥有了使用权限,并不意味着购买了版权,文档只能用于自身使用,不得用于其他商业用途(如 [转卖]进行直接盈利或[编辑后售卖]进行间接盈利)。
2、本站所有内容均由合作方或网友上传,本站不对文档的完整性、权威性及其观点立场正确性做任何保证或承诺!文档内容仅供研究参考,付费前请自行鉴别。
3、如文档内容存在违规,或者侵犯商业秘密、侵犯著作权等,请点击“违规举报”。

碎片内容

蜗牛文库的最新文档

二年级数学下册其中检测卷二年级数学下册其中检测卷附答案#期中测试卷.pdf
10.00金币
0下载
二年级数学下册期末质检卷(苏教版)二年级数学下册期末质检卷(苏教版)#期末复习 #期末测试卷 #二年级数学 #二年级数学下册#关注我持续更新小学知识.pdf
10.00金币
0下载
二年级数学下册期末混合运算专项练习二年级数学下册期末混合运算专项练习#二年级#二年级数学下册#关注我持续更新小学知识 #知识分享 #家长收藏孩子受益.pdf
10.00金币
1下载
二年级数学下册年月日三类周期问题解题方法二年级数学下册年月日三类周期问题解题方法#二年级#二年级数学下册#知识分享 #关注我持续更新小学知识 #家长收藏孩子受益.pdf
10.00金币
0下载
二年级数学下册解决问题专项训练二年级数学下册解决问题专项训练#专项训练#解决问题#二年级#二年级数学下册#知识分享.pdf
10.00金币
1下载
二年级数学下册还原问题二年级数学下册还原问题#二年级#二年级数学#关注我持续更新小学知识 #知识分享 #家长收藏孩子受益.pdf
10.00金币
1下载
二年级数学下册第六单元考试卷家长打印出来给孩子测试测试争取拿到高分!#小学二年级试卷分享 #二年级第六单考试数学 #第六单考试#二年级数学下册.pdf
10.00金币
0下载
二年级数学下册必背顺口溜口诀汇总二年级数学下册必背顺口溜口诀汇总#二年级#二年级数学下册 #知识分享 #家长收藏孩子受益 #关注我持续更新小学知识.pdf
10.00金币
0下载
二年级数学下册《重点难点思维题》两大问题解决技巧和方法巧算星期几解决周期问题还原问题强化思维训练老师精心整理家长可以打印出来给孩子练习#家长收藏孩子受益 #学霸秘籍 #思维训练 #二年级 #知识点总结.pdf
10.00金币
0下载
二年级数学下册 必背公式大全寒假提前背一背开学更轻松#二年级 #二年级数学 #二年级数学下册 #寒假充电计划 #公式.pdf
10.00金币
0下载
蜗牛文库+ 关注
实名认证
内容提供者

提供各种专业文档内容

确认删除?
QQ
  • QQ点击这里给我发消息
微信客服
  • 微信客服
回到顶部