电脑桌面
添加蜗牛文库到电脑桌面
安装后可以在桌面快捷访问

2011年下半年信息系统项目管理师真题(下午案例分析试题).pdfVIP免费

2011年下半年信息系统项目管理师真题(下午案例分析试题).pdf_第1页
2011年下半年信息系统项目管理师真题(下午案例分析试题).pdf_第2页
2011年下半年信息系统项目管理师真题(下午案例分析试题).pdf_第3页
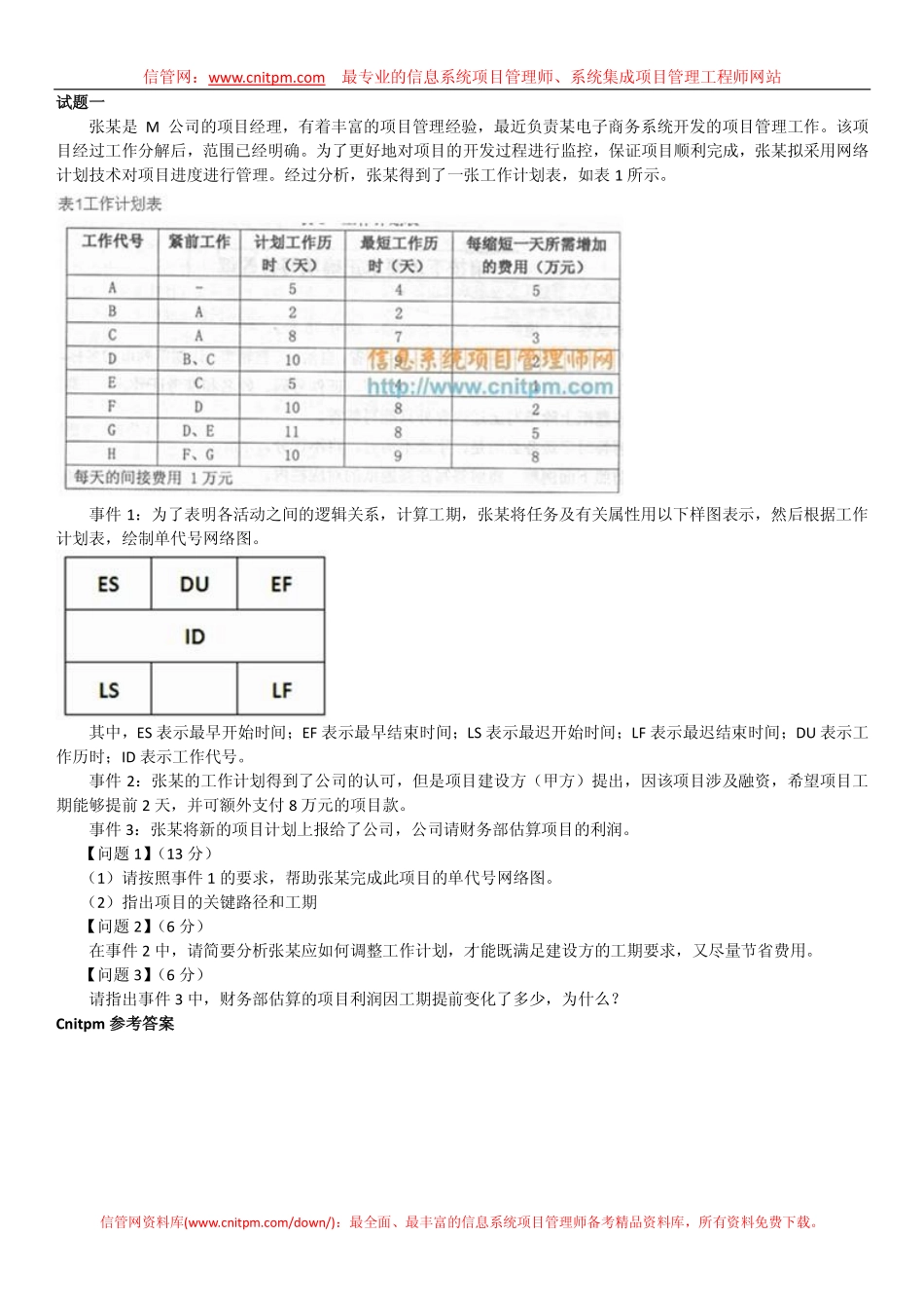
信管网:www.cnitpm.com最专业的信息系统项目管理师、系统集成项目管理工程师网站信管网资料库(www.cnitpm.com/down/):最全面、最丰富的信息系统项目管理师备考精品资料库,所有资料免费下载。全国计算机技术与软件专业技术资格(水平)考试2011年下半年信息系统项目管理师下午试卷I(考试时间13:30~15:00共90分钟)请按下述要求正确填写答题纸1.本试卷共三道题,全部为必答题,每题25分,满分75分。2.在答题纸的指定位置填写你所在的省、自治区、直辖市、计划单列市的名称。3.在答题纸的指定位置填写准考证号、出生年月日和姓名。4.答题纸上除填写上述内容外只能写解答。5.解答时字迹务必清楚,字迹不清时,将不评分。本资料由信管网(www.cnitpm.com)整理发布,欢迎到信管网资料库免费下载学习资料信管网是最专业信息系统项目管理师和系统集成项目管理工程师网站。提供了考试资讯、考试报名、成绩查询、资料下载、在线答题、考试培训、证书挂靠、项目管理人才交流、企业内训等服务。信管网资料库提供了备考信息系统项目管理师的精品学习资料;信管网案例分析频道和论文频道拥有最丰富的案例范例和论文范例,信管网考试中心拥有历年所有真题和超过2000多道试题免费在线测试;信管网培训中心每年指导考生超2000人。信管网——专业、专注、专心,成就你的项目管理师梦想!信管网:www.cnitpm.com信管网考试中心:www.cnitpm.com/exam/信管网培训中心:www.cnitpm.com/peixun/信管网:www.cnitpm.com最专业的信息系统项目管理师、系统集成项目管理工程师网站信管网资料库(www.cnitpm.com/down/):最全面、最丰富的信息系统项目管理师备考精品资料库,所有资料免费下载。试题一张某是M公司的项目经理,有着丰富的项目管理经验,最近负责某电子商务系统开发的项目管理工作。该项目经过工作分解后,范围已经明确。为了更好地对项目的开发过程进行监控,保证项目顺利完成,张某拟采用网络计划技术对项目进度进行管理。经过分析,张某得到了一张工作计划表,如表1所示。事件1:为了表明各活动之间的逻辑关系,计算工期,张某将任务及有关属性用以下样图表示,然后根据工作计划表,绘制单代号网络图。其中,ES表示最早开始时间;EF表示最早结束时间;LS表示最迟开始时间;LF表示最迟结束时间;DU表示工作历时;ID表示工作代号。事件2:张某的工作计划得到了公司的认可,但是项目建设方(甲方)提出,因该项目涉及融资,希望项目工期能够提前2天,并可额外...

1、当您付费下载文档后,您只拥有了使用权限,并不意味着购买了版权,文档只能用于自身使用,不得用于其他商业用途(如 [转卖]进行直接盈利或[编辑后售卖]进行间接盈利)。
2、本站所有内容均由合作方或网友上传,本站不对文档的完整性、权威性及其观点立场正确性做任何保证或承诺!文档内容仅供研究参考,付费前请自行鉴别。
3、如文档内容存在违规,或者侵犯商业秘密、侵犯著作权等,请点击“违规举报”。

碎片内容

蜗牛文库的最新文档

二年级数学下册其中检测卷二年级数学下册其中检测卷附答案#期中测试卷.pdf
10.00金币
0下载
二年级数学下册期末质检卷(苏教版)二年级数学下册期末质检卷(苏教版)#期末复习 #期末测试卷 #二年级数学 #二年级数学下册#关注我持续更新小学知识.pdf
10.00金币
0下载
二年级数学下册期末混合运算专项练习二年级数学下册期末混合运算专项练习#二年级#二年级数学下册#关注我持续更新小学知识 #知识分享 #家长收藏孩子受益.pdf
10.00金币
1下载
二年级数学下册年月日三类周期问题解题方法二年级数学下册年月日三类周期问题解题方法#二年级#二年级数学下册#知识分享 #关注我持续更新小学知识 #家长收藏孩子受益.pdf
10.00金币
0下载
二年级数学下册解决问题专项训练二年级数学下册解决问题专项训练#专项训练#解决问题#二年级#二年级数学下册#知识分享.pdf
10.00金币
1下载
二年级数学下册还原问题二年级数学下册还原问题#二年级#二年级数学#关注我持续更新小学知识 #知识分享 #家长收藏孩子受益.pdf
10.00金币
1下载
二年级数学下册第六单元考试卷家长打印出来给孩子测试测试争取拿到高分!#小学二年级试卷分享 #二年级第六单考试数学 #第六单考试#二年级数学下册.pdf
10.00金币
0下载
二年级数学下册必背顺口溜口诀汇总二年级数学下册必背顺口溜口诀汇总#二年级#二年级数学下册 #知识分享 #家长收藏孩子受益 #关注我持续更新小学知识.pdf
10.00金币
0下载
二年级数学下册《重点难点思维题》两大问题解决技巧和方法巧算星期几解决周期问题还原问题强化思维训练老师精心整理家长可以打印出来给孩子练习#家长收藏孩子受益 #学霸秘籍 #思维训练 #二年级 #知识点总结.pdf
10.00金币
0下载
二年级数学下册 必背公式大全寒假提前背一背开学更轻松#二年级 #二年级数学 #二年级数学下册 #寒假充电计划 #公式.pdf
10.00金币
0下载
蜗牛文库+ 关注
实名认证
内容提供者

提供各种专业文档内容

确认删除?
QQ
  • QQ点击这里给我发消息
微信客服
  • 微信客服
回到顶部