电脑桌面
添加蜗牛文库到电脑桌面
安装后可以在桌面快捷访问

2017微机原理及应用 807 A.docVIP免费

2017微机原理及应用 807 A.doc_第1页
2017微机原理及应用 807 A.doc_第2页
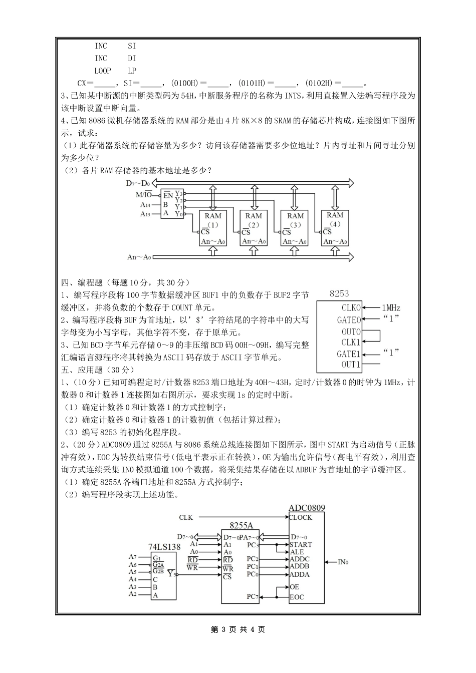
2017微机原理及应用 807 A.doc_第3页
桂林电子科技大学2017年硕士研究生统一入学考试试题科目代码:807科目名称:微机原理及应用(A2)A卷注意:答案必须全部写在答题纸上,写在试题上无效;答案要标注题号,答题纸要填写姓名和考号,并标注页码与总页数;交卷时,将答题纸与试题一起装入试卷袋,密封签字。一、填空题(每空1分,共20分)1、十进制数-98的原码是(1),补码是(2)。(用八位二进制表示)2、8086微处理器有(3)根地址线,可以访问的最大存储器空间为(4)B。3、指令MOVAX,[BX+SI]中,源操作数的寻址方式为(5),目标操作数寻址方式为(6)。4、若AL=91H,BL=08H,执行指令MULBL后,则AH=(7),AL=(8)。5、有变量定义如下:ORG0100HVALDW‘CD’,0,1CNTEQU$-VAL汇编后,偏移地址0100H的字节单元存放的内容为(9),CNT的值为(10)。6、某RAM存储器芯片的地址线为11位,数据线为8位,该存储芯片的容量为(11)B,若该存储器首地址为10000H,则其末地址为(12)。7、I/O端口的编址方式有两种,其中8086系统采用(13)方式访问端口,用于访问外设接口的输入指令助记符为(14)。8、8086微处理器的中断系统可以处理(15)个不同类型的中断源,中断类型码N与中断向量地址的对应关系是中断向量地址=(16)。9、子程序返回指令是(17),中断返回的指令是(18)。10、8253可编程定时/计数器有6种工作方式,其中可以完成对计数脉冲分频功能工作方式是(19)和(20)。二、单项选择题(每题2分,共30分)1、在一个8位二进制的机器数中,补码表示整数的范围是()。A.-127~+127B.-128~+128C.-127~+128D.-128~+1272、运算器由多个部件组成,其核心部分是()。A.数据总线B.算术逻辑单元C.累加器D.多路开关3、8086微处理器有多个寄存器可用于间接寻址,以下寄存器不能用作间接寻址的是()。A.BXB.DXC.BPD.SI4、变量BUFFERDW20DUP(1122H,4DUP(2,3344H),317)占用的总字节数为()。A.300B.320C.380D.4005、下列四条指令中,不能完成将AX寄存器清零的为()。A.CMPAX,AXB.SUBAX,AXC.MOVAX,0D.XORAX,AX6、下列指令中,正确的是()。A.MOVCS,AXB.MULAL,5C.MOVAL,256D.XLAT7、设AL=26H,则执行下面两条指令后,AL为()。ADDAL,75HDAAA.9BHB.155C.01HD.101H8、8086CPU中用于中断的一对联络线为()。A.NMI,B.HOLD,HLDAC.INTR,D.NMI,HLDA第1页共4页9、对于宏指令和子程序,下列说法中正确的是()。A.都能有效缩小目标代码长度B.都需要保护断点和现场C.每次调...

1、当您付费下载文档后,您只拥有了使用权限,并不意味着购买了版权,文档只能用于自身使用,不得用于其他商业用途(如 [转卖]进行直接盈利或[编辑后售卖]进行间接盈利)。
2、本站所有内容均由合作方或网友上传,本站不对文档的完整性、权威性及其观点立场正确性做任何保证或承诺!文档内容仅供研究参考,付费前请自行鉴别。
3、如文档内容存在违规,或者侵犯商业秘密、侵犯著作权等,请点击“违规举报”。

碎片内容

蜗牛文库的最新文档

二年级数学下册其中检测卷二年级数学下册其中检测卷附答案#期中测试卷.pdf
10.00金币
0下载
二年级数学下册期末质检卷(苏教版)二年级数学下册期末质检卷(苏教版)#期末复习 #期末测试卷 #二年级数学 #二年级数学下册#关注我持续更新小学知识.pdf
10.00金币
0下载
二年级数学下册期末混合运算专项练习二年级数学下册期末混合运算专项练习#二年级#二年级数学下册#关注我持续更新小学知识 #知识分享 #家长收藏孩子受益.pdf
10.00金币
1下载
二年级数学下册年月日三类周期问题解题方法二年级数学下册年月日三类周期问题解题方法#二年级#二年级数学下册#知识分享 #关注我持续更新小学知识 #家长收藏孩子受益.pdf
10.00金币
0下载
二年级数学下册解决问题专项训练二年级数学下册解决问题专项训练#专项训练#解决问题#二年级#二年级数学下册#知识分享.pdf
10.00金币
1下载
二年级数学下册还原问题二年级数学下册还原问题#二年级#二年级数学#关注我持续更新小学知识 #知识分享 #家长收藏孩子受益.pdf
10.00金币
1下载
二年级数学下册第六单元考试卷家长打印出来给孩子测试测试争取拿到高分!#小学二年级试卷分享 #二年级第六单考试数学 #第六单考试#二年级数学下册.pdf
10.00金币
0下载
二年级数学下册必背顺口溜口诀汇总二年级数学下册必背顺口溜口诀汇总#二年级#二年级数学下册 #知识分享 #家长收藏孩子受益 #关注我持续更新小学知识.pdf
10.00金币
0下载
二年级数学下册《重点难点思维题》两大问题解决技巧和方法巧算星期几解决周期问题还原问题强化思维训练老师精心整理家长可以打印出来给孩子练习#家长收藏孩子受益 #学霸秘籍 #思维训练 #二年级 #知识点总结.pdf
10.00金币
0下载
二年级数学下册 必背公式大全寒假提前背一背开学更轻松#二年级 #二年级数学 #二年级数学下册 #寒假充电计划 #公式.pdf
10.00金币
0下载
蜗牛文库+ 关注
实名认证
内容提供者

提供各种专业文档内容

确认删除?
QQ
  • QQ点击这里给我发消息
微信客服
  • 微信客服
回到顶部