电脑桌面
添加蜗牛文库到电脑桌面
安装后可以在桌面快捷访问

4.1.10.4.29 装配式结构预制构件检验批质量验收记录.docVIP免费

4.1.10.4.29 装配式结构预制构件检验批质量验收记录.doc_第1页
4.1.10.4.29 装配式结构预制构件检验批质量验收记录.doc_第2页
4.1.10.4.29 装配式结构预制构件检验批质量验收记录.doc_第3页
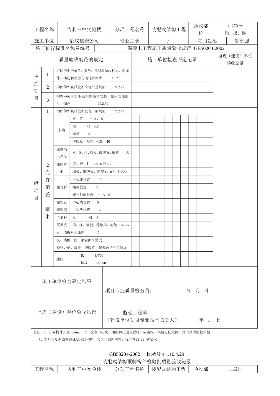
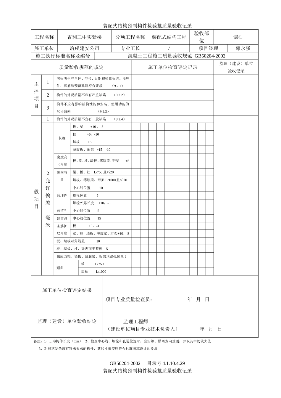
GB50204-2002目录号4.1.10.4.29装配式结构预制构件检验批质量验收记录工程名称吉利三中实验楼分项工程名称装配式结构工程验收部位承台、承台梁施工单位冶戌建安公司专业工长∕项目经理郭永强施工执行标准名称及编号混凝土工程施工质量验收规范GB50204-2002质量验收规范的规定施工单位检查评定记录监理(建设)单位验收记录主控项目1应标明生产单位、型号、日期和验收标志。预埋件、插筋和预留孔洞符合要求(9.2.1)2构件的外观质量不应有严重缺陷(9.2.2)3构件不应有影响结构性能和安装、使用功能的尺寸偏差(9.2.3)一般项目1构件的外观质量不宜有一般缺陷(9.2.4)2允许偏差毫米长度板、梁+10,-5柱+5,-10墙板±5薄腹板、珩架+15,-10宽度高(厚度板、梁、柱、墙板、薄腹梁、珩架±5侧向弯曲梁、板、柱L/750且≤20墙板、薄腹梁、珩架L/1000且≤20预埋件中心线位置10螺栓位置5螺栓外露长度+10,-5预留孔中心线位置5预留洞中心线位置15主筋护层厚度板+5,-3梁、柱、墙板、薄腹梁、珩架+10,-5板、墙板对角线差10板、墙板、柱、梁表面平整度5预应力梁、墙板、薄腹梁、珩架预留孔位置3翘曲板L/750墙板L/1000施工单位检查评定结果项目专业质量检查员:年月日监理(建设)单位验收结论监理工程师(建设单位项目专业技术负责人)年月日备注:1、L为构件长度(mm)2、检查中心线、螺栓和孔道位置时,应沿纵、横两方向量测,并取其中的较大值3、对形状复杂或有特殊要求的构件,其尺寸偏差应符合标准图或设计的要求GB50204-2002目录号4.1.10.4.29装配式结构预制构件检验批质量验收记录工程名称吉利三中实验楼分项工程名称装配式结构工程验收部位一层柱施工单位冶戌建安公司专业工长∕项目经理郭永强施工执行标准名称及编号混凝土工程施工质量验收规范GB50204-2002质量验收规范的规定施工单位检查评定记录监理(建设)单位验收记录主控项目1应标明生产单位、型号、日期和验收标志。预埋件、插筋和预留孔洞符合要求(9.2.1)2构件的外观质量不应有严重缺陷(9.2.2)3构件不应有影响结构性能和安装、使用功能的尺寸偏差(9.2.3)一般项目1构件的外观质量不宜有一般缺陷(9.2.4)2允许偏差毫米长度板、梁+10,-5柱+5,-10墙板±5薄腹板、珩架+15,-10宽度高(厚度板、梁、柱、墙板、薄腹梁、珩架±5侧向弯曲梁、板、柱L/750且≤20墙板、薄腹梁、珩架L/1000且≤20预埋件中心线位置10螺栓位置5螺栓外露长度+10,-5预留孔中心线位置5预留洞中心线位置15主筋护层...

1、当您付费下载文档后,您只拥有了使用权限,并不意味着购买了版权,文档只能用于自身使用,不得用于其他商业用途(如 [转卖]进行直接盈利或[编辑后售卖]进行间接盈利)。
2、本站所有内容均由合作方或网友上传,本站不对文档的完整性、权威性及其观点立场正确性做任何保证或承诺!文档内容仅供研究参考,付费前请自行鉴别。
3、如文档内容存在违规,或者侵犯商业秘密、侵犯著作权等,请点击“违规举报”。

碎片内容

蜗牛文库的最新文档

二年级数学下册其中检测卷二年级数学下册其中检测卷附答案#期中测试卷.pdf
10.00金币
0下载
二年级数学下册期末质检卷(苏教版)二年级数学下册期末质检卷(苏教版)#期末复习 #期末测试卷 #二年级数学 #二年级数学下册#关注我持续更新小学知识.pdf
10.00金币
0下载
二年级数学下册期末混合运算专项练习二年级数学下册期末混合运算专项练习#二年级#二年级数学下册#关注我持续更新小学知识 #知识分享 #家长收藏孩子受益.pdf
10.00金币
1下载
二年级数学下册年月日三类周期问题解题方法二年级数学下册年月日三类周期问题解题方法#二年级#二年级数学下册#知识分享 #关注我持续更新小学知识 #家长收藏孩子受益.pdf
10.00金币
0下载
二年级数学下册解决问题专项训练二年级数学下册解决问题专项训练#专项训练#解决问题#二年级#二年级数学下册#知识分享.pdf
10.00金币
1下载
二年级数学下册还原问题二年级数学下册还原问题#二年级#二年级数学#关注我持续更新小学知识 #知识分享 #家长收藏孩子受益.pdf
10.00金币
1下载
二年级数学下册第六单元考试卷家长打印出来给孩子测试测试争取拿到高分!#小学二年级试卷分享 #二年级第六单考试数学 #第六单考试#二年级数学下册.pdf
10.00金币
0下载
二年级数学下册必背顺口溜口诀汇总二年级数学下册必背顺口溜口诀汇总#二年级#二年级数学下册 #知识分享 #家长收藏孩子受益 #关注我持续更新小学知识.pdf
10.00金币
0下载
二年级数学下册《重点难点思维题》两大问题解决技巧和方法巧算星期几解决周期问题还原问题强化思维训练老师精心整理家长可以打印出来给孩子练习#家长收藏孩子受益 #学霸秘籍 #思维训练 #二年级 #知识点总结.pdf
10.00金币
0下载
二年级数学下册 必背公式大全寒假提前背一背开学更轻松#二年级 #二年级数学 #二年级数学下册 #寒假充电计划 #公式.pdf
10.00金币
0下载
蜗牛文库+ 关注
实名认证
内容提供者

提供各种专业文档内容

确认删除?
QQ
  • QQ点击这里给我发消息
微信客服
  • 微信客服
回到顶部