电脑桌面
添加蜗牛文库到电脑桌面
安装后可以在桌面快捷访问

工程报验申请表(3张).docVIP免费

工程报验申请表(3张).doc_第1页
工程报验申请表(3张).doc_第2页
工程报验申请表(3张).doc_第3页
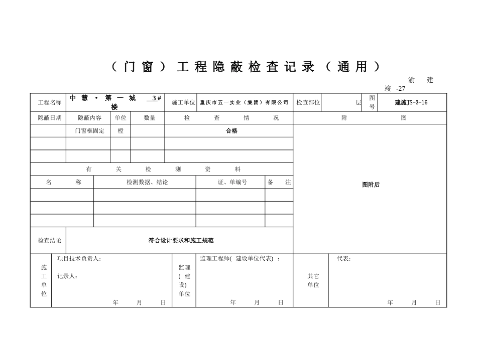
门窗框安装施工报验申请表工程名称:中慧·第一城3#楼监理表-4致:重庆新鲁班建设监理有限公司(监理单位)我单位已完成3#楼第层塑钢门窗框安装工作,现报上该工程报验申请表,请予以审查和验收。附件:1、隐蔽资料记录2、门窗工程施工检查记录3、塑料门窗安装工程检验批质量验收记录表承包单位(章):重庆市五一实业(集团)有限公司项目经理:日期:审查意见:经检查,该部位达到/未达到规范和设计要求,可/不可以进入下道工序施工重庆新鲁班建设监理有限公司项目监理机构:中慧·第一城监理部总\专业监理工程师:日期:重庆市城市建设档案馆重庆市建设工程质量监督总站监制(门窗)工程隐蔽检查记录(通用)渝建竣-27工程名称中慧·第一城3#楼施工单位重庆市五一实业(集团)有限公司检查部位层图号建施JS-3-16隐蔽日期隐蔽内容单位数量检查情况附图门窗框固定樘合格图附后有关检测资料名称检测数据、结论证、单编号备注检查结论符合设计要求和施工规范施工单位项目技术负责人:记录人:年月日监理(建设)单位监理工程师(建设单位代表):年月日其它单位代表:年月日重庆市城市建设档案馆重庆市建设工程质量监督总站监制附:3#楼门窗框固定示意图施工单位项目技术负责人:记录人:年月日监理(建设)单位监理工程师(建设单位代表):年月日其它单位代表:年月日(门窗)工程隐蔽检查记录(通用)渝建竣-27工程名称中慧·第一城3#楼施工单位重庆市五一实业(集团)有限公司检查部位层图号建施JS-3-16隐蔽日期隐蔽内容单位数量检查情况附图嵌缝打胶樘合格有关检测资料名称检测数据、结论证、单编号备注聚氨酯泡沫填缝剂合格BYOS-D461密封胶合格BETG-HJ-2009-M-32检查结论符合设计要求和施工规范施工单位项目技术负责人:记录人:年月日监理(建设)单位监理工程师(建设单位代表):年月日其它单位代表:年月日密封胶密封胶室内室外泡沫填缝剂嵌缝打胶示例保温、抹灰层面层抹灰重庆市城市建设档案馆重庆市建设工程质量监督总站监制门窗工程施工检查记录渝建竣-77工程名称中慧·第一城3#楼施工单位重庆市五一实业(集团)有限公司品种、规格、类型塑钢门窗分包单位//检查部位层单片玻璃最大面积2㎡检查内容及结论1、连接件与主体的连接:砼用射钉固定;砌体用水泥钉固定2、连接件与框料的连接:用自攻螺丝连接3、连接件品种、规格、防腐:1.5㎜厚15㎜宽的Q235-A冷扎钢片,表面镀锌防腐;4、周边缝隙填嵌处理:用嵌缝膏和密封条密封处理5、塑料门窗内衬材料品种...

1、当您付费下载文档后,您只拥有了使用权限,并不意味着购买了版权,文档只能用于自身使用,不得用于其他商业用途(如 [转卖]进行直接盈利或[编辑后售卖]进行间接盈利)。
2、本站所有内容均由合作方或网友上传,本站不对文档的完整性、权威性及其观点立场正确性做任何保证或承诺!文档内容仅供研究参考,付费前请自行鉴别。
3、如文档内容存在违规,或者侵犯商业秘密、侵犯著作权等,请点击“违规举报”。

碎片内容

蜗牛文库的最新文档

二年级数学下册其中检测卷二年级数学下册其中检测卷附答案#期中测试卷.pdf
10.00金币
0下载
二年级数学下册期末质检卷(苏教版)二年级数学下册期末质检卷(苏教版)#期末复习 #期末测试卷 #二年级数学 #二年级数学下册#关注我持续更新小学知识.pdf
10.00金币
0下载
二年级数学下册期末混合运算专项练习二年级数学下册期末混合运算专项练习#二年级#二年级数学下册#关注我持续更新小学知识 #知识分享 #家长收藏孩子受益.pdf
10.00金币
1下载
二年级数学下册年月日三类周期问题解题方法二年级数学下册年月日三类周期问题解题方法#二年级#二年级数学下册#知识分享 #关注我持续更新小学知识 #家长收藏孩子受益.pdf
10.00金币
0下载
二年级数学下册解决问题专项训练二年级数学下册解决问题专项训练#专项训练#解决问题#二年级#二年级数学下册#知识分享.pdf
10.00金币
1下载
二年级数学下册还原问题二年级数学下册还原问题#二年级#二年级数学#关注我持续更新小学知识 #知识分享 #家长收藏孩子受益.pdf
10.00金币
1下载
二年级数学下册第六单元考试卷家长打印出来给孩子测试测试争取拿到高分!#小学二年级试卷分享 #二年级第六单考试数学 #第六单考试#二年级数学下册.pdf
10.00金币
0下载
二年级数学下册必背顺口溜口诀汇总二年级数学下册必背顺口溜口诀汇总#二年级#二年级数学下册 #知识分享 #家长收藏孩子受益 #关注我持续更新小学知识.pdf
10.00金币
0下载
二年级数学下册《重点难点思维题》两大问题解决技巧和方法巧算星期几解决周期问题还原问题强化思维训练老师精心整理家长可以打印出来给孩子练习#家长收藏孩子受益 #学霸秘籍 #思维训练 #二年级 #知识点总结.pdf
10.00金币
0下载
二年级数学下册 必背公式大全寒假提前背一背开学更轻松#二年级 #二年级数学 #二年级数学下册 #寒假充电计划 #公式.pdf
10.00金币
0下载
蜗牛文库+ 关注
实名认证
内容提供者

提供各种专业文档内容

确认删除?
QQ
  • QQ点击这里给我发消息
微信客服
  • 微信客服
回到顶部