电脑桌面
添加蜗牛文库到电脑桌面
安装后可以在桌面快捷访问

门窗分户验收表.docVIP免费

门窗分户验收表.doc_第1页
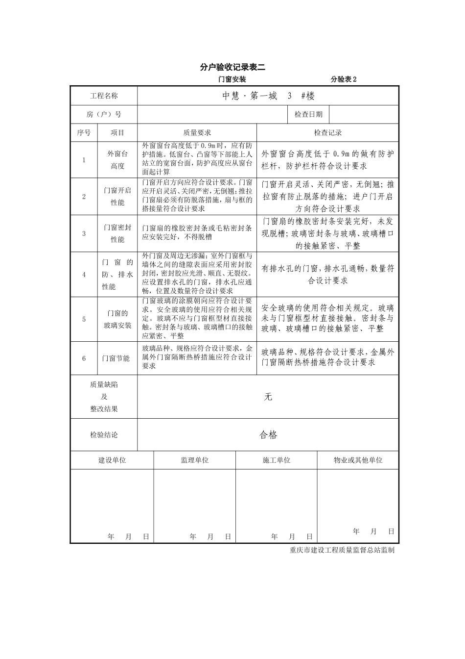
分户验收记录表二门窗安装分验表2工程名称中慧·第一城3#楼房(户)号检查日期序号项目质量要求检查记录1外窗台高度外窗窗台高度低于0.9m时,应有防护措施。低窗台、凸窗等下部能上人站立的宽窗台面,防护高度应从窗台面起计算外窗窗台高度低于0.9m的做有防护栏杆,防护栏杆符合设计要求2门窗开启性能门窗开启方向应符合设计要求。门窗应开启灵活、关闭严密,无倒翘;推拉门窗扇必须有防脱落措施,扇与框的搭接量符合设计要求门窗开启灵活、关闭严密,无倒翘;推拉窗有防止脱落的措施;进户门开启方向符合设计要求3门窗密封性能门窗扇的橡胶密封条或毛粘密封条应安装完好,不得脱槽门窗扇的橡胶密封条安装完好,未发现脱槽;玻璃密封条与玻璃、玻璃槽口的接触紧密、平整4门窗的防、排水性能外门窗及周边无渗漏;室外门窗框与墙体之间的缝隙表面应采用密封胶封闭,密封胶应光滑、顺直、无裂纹。应设置排水孔的门窗,排水孔应通畅,位置及数量符合设计要求有排水孔的门窗,排水孔通畅,数量符合设计要求5门窗的玻璃安装门窗玻璃的涂膜朝向应符合设计要求。安全玻璃的使用应符合相关规定。玻璃不应与门窗框型材直接接触。密封条与玻璃、玻璃槽口的接触应紧密、平整安全玻璃的使用符合相关规定。玻璃未与门窗框型材直接接触。密封条与玻璃、玻璃槽口的接触紧密、平整6门窗节能玻璃品种、规格应符合设计要求,金属外门窗隔断热桥措施应符合设计要求玻璃品种、规格符合设计要求,金属外门窗隔断热桥措施符合设计要求质量缺陷及整改结果无检验结论合格建设单位监理单位施工单位物业或其他单位年月日年月日年月日年月日重庆市建设工程质量监督总站监制

1、当您付费下载文档后,您只拥有了使用权限,并不意味着购买了版权,文档只能用于自身使用,不得用于其他商业用途(如 [转卖]进行直接盈利或[编辑后售卖]进行间接盈利)。
2、本站所有内容均由合作方或网友上传,本站不对文档的完整性、权威性及其观点立场正确性做任何保证或承诺!文档内容仅供研究参考,付费前请自行鉴别。
3、如文档内容存在违规,或者侵犯商业秘密、侵犯著作权等,请点击“违规举报”。

碎片内容

蜗牛文库的最新文档

二年级数学下册其中检测卷二年级数学下册其中检测卷附答案#期中测试卷.pdf
10.00金币
0下载
二年级数学下册期末质检卷(苏教版)二年级数学下册期末质检卷(苏教版)#期末复习 #期末测试卷 #二年级数学 #二年级数学下册#关注我持续更新小学知识.pdf
10.00金币
0下载
二年级数学下册期末混合运算专项练习二年级数学下册期末混合运算专项练习#二年级#二年级数学下册#关注我持续更新小学知识 #知识分享 #家长收藏孩子受益.pdf
10.00金币
1下载
二年级数学下册年月日三类周期问题解题方法二年级数学下册年月日三类周期问题解题方法#二年级#二年级数学下册#知识分享 #关注我持续更新小学知识 #家长收藏孩子受益.pdf
10.00金币
0下载
二年级数学下册解决问题专项训练二年级数学下册解决问题专项训练#专项训练#解决问题#二年级#二年级数学下册#知识分享.pdf
10.00金币
1下载
二年级数学下册还原问题二年级数学下册还原问题#二年级#二年级数学#关注我持续更新小学知识 #知识分享 #家长收藏孩子受益.pdf
10.00金币
1下载
二年级数学下册第六单元考试卷家长打印出来给孩子测试测试争取拿到高分!#小学二年级试卷分享 #二年级第六单考试数学 #第六单考试#二年级数学下册.pdf
10.00金币
0下载
二年级数学下册必背顺口溜口诀汇总二年级数学下册必背顺口溜口诀汇总#二年级#二年级数学下册 #知识分享 #家长收藏孩子受益 #关注我持续更新小学知识.pdf
10.00金币
0下载
二年级数学下册《重点难点思维题》两大问题解决技巧和方法巧算星期几解决周期问题还原问题强化思维训练老师精心整理家长可以打印出来给孩子练习#家长收藏孩子受益 #学霸秘籍 #思维训练 #二年级 #知识点总结.pdf
10.00金币
0下载
二年级数学下册 必背公式大全寒假提前背一背开学更轻松#二年级 #二年级数学 #二年级数学下册 #寒假充电计划 #公式.pdf
10.00金币
0下载
蜗牛文库+ 关注
实名认证
内容提供者

提供各种专业文档内容

确认删除?
QQ
  • QQ点击这里给我发消息
微信客服
  • 微信客服
回到顶部