电脑桌面
添加蜗牛文库到电脑桌面
安装后可以在桌面快捷访问

4.3.7.05成套配电柜、控制柜(屏、台)和动力、照明配电箱(盘)检验批质量验收记录.docVIP免费

4.3.7.05成套配电柜、控制柜(屏、台)和动力、照明配电箱(盘)检验批质量验收记录.doc_第1页
4.3.7.05成套配电柜、控制柜(屏、台)和动力、照明配电箱(盘)检验批质量验收记录.doc_第2页
4.3.7.05成套配电柜、控制柜(屏、台)和动力、照明配电箱(盘)检验批质量验收记录.doc_第3页
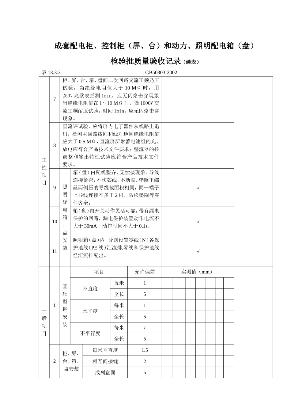
目录号:4.3.7.5成套配电柜、控制柜(屏、台)和动力、照明配电箱(盘)检验批质量验收记录表13.3.3GB50303-2002工程名称紫金花园11#楼分项工程名称成套配电柜、控制柜(屏、台)和动力、照明配电箱(盘)安装验收部位一单元施工单位冶戌建安公司专业工长项目经理郭永强分包单位分包项目经理施工工长施工执行标准名称及编号建筑电气工程施工质量验收规范GB50303-2002检查项目序号质量验收规范规定施工单位检查评定记录检查(建设)单位验收记录主控项目1柜、屏、台、箱、盘的金属框架及基础型钢必须接地(PE)或接零(PEN)可靠:装有电器的可开启门,门和框架的接地端子间应用裸编织铜线连接,且有标识。2低压成套配电柜、控制柜(屏、台)和动力、照明配电箱(盘)应有可靠的电机保护.柜(屏、台、箱、盘)内保护导体应有裸露的连接外部保护导体的端子,当设计无要求时,柜(屏、台、箱、盘)内保护导体最小截面积S。不应小于表6.1.2的规定。√3手车`抽出式成套配电柜推拉应灵活,无卡阻碰撞现象。动触头与静触头的中心线应一致,且触头接触紧密,投入时,接地触头先与主触头接触;退出时,接地触头后于主触头脱开。4高压成套配电柜交接试验高压成套配电柜必须按本规范第3.1.8条的规定交接试验合格,且应符合下列规定继电保护元器件、逻辑元件、变送器和控制用计算机等单体校验合格,整组试验动作正确,整定参数符号设计要求;凡经法定程序批准,进入市场投入使用的新高压电器设备和继电保护装置,按产品技术文件要求交接实验。5低压成套配电柜交接实验,必须符合本规范第4.1.5.条的规定。√6柜、屏、台、箱、盘间线路的线间和线对地间绝缘电阻值,馈电线路必须大于0.5MΩ;二次回路必须大于1MΩ.成套配电柜、控制柜(屏、台)和动力、照明配电箱(盘)检验批质量验收记录(续表)表13.3.3GB50303-2002主控项目7柜、屏、台、箱、盘间二次回路交流工频乃压试验,当绝缘电阻值大于10MΩ时,用250V兆欧表摇测1min,应无闪烙击穿现象当绝缘电阻值在1~10MΩ时,做1000V交流工频耐压试验,时间1min,应无闪烙击穿现象。8直流评试验,应将屏内电子器件从线路上退出,检测主回路线间和线对地间绝缘电阻值应大于0.5MΩ,直流屏所附蓄电池组的充、放电应符合产品技术文件要求;整流器的控调整和输出特性试验应符合产品技术文件要求。9照明配电箱、盘安装箱(盘)内配线整齐,无续接现象。导线连接紧密,不伤芯线,不断股。垫圈下螺丝两侧压的导线截面积相同...

1、当您付费下载文档后,您只拥有了使用权限,并不意味着购买了版权,文档只能用于自身使用,不得用于其他商业用途(如 [转卖]进行直接盈利或[编辑后售卖]进行间接盈利)。
2、本站所有内容均由合作方或网友上传,本站不对文档的完整性、权威性及其观点立场正确性做任何保证或承诺!文档内容仅供研究参考,付费前请自行鉴别。
3、如文档内容存在违规,或者侵犯商业秘密、侵犯著作权等,请点击“违规举报”。

碎片内容

蜗牛文库的最新文档

二年级数学下册其中检测卷二年级数学下册其中检测卷附答案#期中测试卷.pdf
10.00金币
0下载
二年级数学下册期末质检卷(苏教版)二年级数学下册期末质检卷(苏教版)#期末复习 #期末测试卷 #二年级数学 #二年级数学下册#关注我持续更新小学知识.pdf
10.00金币
0下载
二年级数学下册期末混合运算专项练习二年级数学下册期末混合运算专项练习#二年级#二年级数学下册#关注我持续更新小学知识 #知识分享 #家长收藏孩子受益.pdf
10.00金币
1下载
二年级数学下册年月日三类周期问题解题方法二年级数学下册年月日三类周期问题解题方法#二年级#二年级数学下册#知识分享 #关注我持续更新小学知识 #家长收藏孩子受益.pdf
10.00金币
0下载
二年级数学下册解决问题专项训练二年级数学下册解决问题专项训练#专项训练#解决问题#二年级#二年级数学下册#知识分享.pdf
10.00金币
1下载
二年级数学下册还原问题二年级数学下册还原问题#二年级#二年级数学#关注我持续更新小学知识 #知识分享 #家长收藏孩子受益.pdf
10.00金币
1下载
二年级数学下册第六单元考试卷家长打印出来给孩子测试测试争取拿到高分!#小学二年级试卷分享 #二年级第六单考试数学 #第六单考试#二年级数学下册.pdf
10.00金币
0下载
二年级数学下册必背顺口溜口诀汇总二年级数学下册必背顺口溜口诀汇总#二年级#二年级数学下册 #知识分享 #家长收藏孩子受益 #关注我持续更新小学知识.pdf
10.00金币
0下载
二年级数学下册《重点难点思维题》两大问题解决技巧和方法巧算星期几解决周期问题还原问题强化思维训练老师精心整理家长可以打印出来给孩子练习#家长收藏孩子受益 #学霸秘籍 #思维训练 #二年级 #知识点总结.pdf
10.00金币
0下载
二年级数学下册 必背公式大全寒假提前背一背开学更轻松#二年级 #二年级数学 #二年级数学下册 #寒假充电计划 #公式.pdf
10.00金币
0下载
蜗牛文库+ 关注
实名认证
内容提供者

提供各种专业文档内容

确认删除?
QQ
  • QQ点击这里给我发消息
微信客服
  • 微信客服
回到顶部