电脑桌面
添加蜗牛文库到电脑桌面
安装后可以在桌面快捷访问

(淋水试验12张)工程报验申请表.docVIP免费

(淋水试验12张)工程报验申请表.doc_第1页
(淋水试验12张)工程报验申请表.doc_第2页
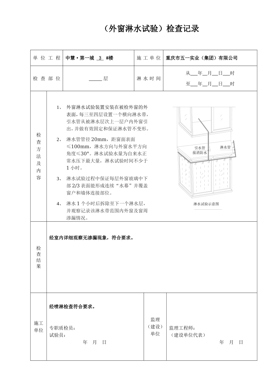
外窗淋水试验报验申请表工程名称:中慧·第一城3#楼监理表-4致:重庆新鲁班建设监理有限公司(监理单位)我单位已完成3#楼第层外窗淋水试验工作,现报上该工程报验申请表,请予以审查和验收。附件:1、(外窗淋水试验)检查记录承包单位(章):重庆市五一实业(集团)有限公司项目经理:日期:审查意见:经检查,该部位达到/未达到规范和设计要求,可/不可以进入下道工序施工重庆新鲁班建设监理有限公司项目监理机构:中慧·第一城监理部总\专业监理工程师:日期:重庆市城市建设档案馆重庆市建设工程质量监督总站监制(外窗淋水试验)检查记录单位工程中慧·第一城3#楼施工单位重庆市五一实业(集团)有限公司检查部位层淋水时间从年月日时至年月日时检查方法及内容1、外窗淋水试验装置安装在被检外窗的外表面,每三至四层设置一个横向淋水带,引水管从被淋水层次上一层户内外窗引出,并做有效固定和保证淋水管不变形。2、淋水管管径20mm,距窗面表面≤100mm,淋水方向与外窗水平方向角度≤30°。淋水试验水量为自来水正常水压下最大量,淋水试验时间不少于1小时。3、淋水试验过程中保证每层外窗玻璃中下部2/3表面能形成连续“水幕”并覆盖窗户和墙体连接部位。4、淋水1个小时后拆除至下一个淋水层,并观察记录该淋水带范围内外窗及窗周渗漏情况。检查结果经室内详细观察无渗漏现象,符合要求。施工单位经喷淋检查符合要求。专职质检员:试验员:年月日监理(建设)单位监理工程师:(建设单位代表)年月日引水管淋水管淋水试验示意图接消防水

1、当您付费下载文档后,您只拥有了使用权限,并不意味着购买了版权,文档只能用于自身使用,不得用于其他商业用途(如 [转卖]进行直接盈利或[编辑后售卖]进行间接盈利)。
2、本站所有内容均由合作方或网友上传,本站不对文档的完整性、权威性及其观点立场正确性做任何保证或承诺!文档内容仅供研究参考,付费前请自行鉴别。
3、如文档内容存在违规,或者侵犯商业秘密、侵犯著作权等,请点击“违规举报”。

碎片内容

蜗牛文库的最新文档

二年级数学下册其中检测卷二年级数学下册其中检测卷附答案#期中测试卷.pdf
10.00金币
0下载
二年级数学下册期末质检卷(苏教版)二年级数学下册期末质检卷(苏教版)#期末复习 #期末测试卷 #二年级数学 #二年级数学下册#关注我持续更新小学知识.pdf
10.00金币
0下载
二年级数学下册期末混合运算专项练习二年级数学下册期末混合运算专项练习#二年级#二年级数学下册#关注我持续更新小学知识 #知识分享 #家长收藏孩子受益.pdf
10.00金币
1下载
二年级数学下册年月日三类周期问题解题方法二年级数学下册年月日三类周期问题解题方法#二年级#二年级数学下册#知识分享 #关注我持续更新小学知识 #家长收藏孩子受益.pdf
10.00金币
0下载
二年级数学下册解决问题专项训练二年级数学下册解决问题专项训练#专项训练#解决问题#二年级#二年级数学下册#知识分享.pdf
10.00金币
1下载
二年级数学下册还原问题二年级数学下册还原问题#二年级#二年级数学#关注我持续更新小学知识 #知识分享 #家长收藏孩子受益.pdf
10.00金币
1下载
二年级数学下册第六单元考试卷家长打印出来给孩子测试测试争取拿到高分!#小学二年级试卷分享 #二年级第六单考试数学 #第六单考试#二年级数学下册.pdf
10.00金币
0下载
二年级数学下册必背顺口溜口诀汇总二年级数学下册必背顺口溜口诀汇总#二年级#二年级数学下册 #知识分享 #家长收藏孩子受益 #关注我持续更新小学知识.pdf
10.00金币
0下载
二年级数学下册《重点难点思维题》两大问题解决技巧和方法巧算星期几解决周期问题还原问题强化思维训练老师精心整理家长可以打印出来给孩子练习#家长收藏孩子受益 #学霸秘籍 #思维训练 #二年级 #知识点总结.pdf
10.00金币
0下载
二年级数学下册 必背公式大全寒假提前背一背开学更轻松#二年级 #二年级数学 #二年级数学下册 #寒假充电计划 #公式.pdf
10.00金币
0下载
蜗牛文库+ 关注
实名认证
内容提供者

提供各种专业文档内容

确认删除?
QQ
  • QQ点击这里给我发消息
微信客服
  • 微信客服
回到顶部