电脑桌面
添加蜗牛文库到电脑桌面
安装后可以在桌面快捷访问

4.1.10.4.54 砖面层工程检验批质量验收记录(地面).docVIP免费

4.1.10.4.54 砖面层工程检验批质量验收记录(地面).doc_第1页
4.1.10.4.54 砖面层工程检验批质量验收记录(地面).doc_第2页
4.1.10.4.54 砖面层工程检验批质量验收记录(地面).doc_第3页
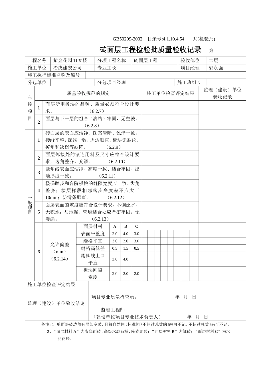
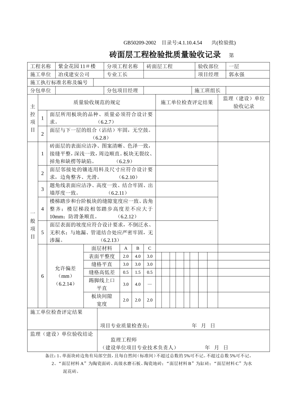
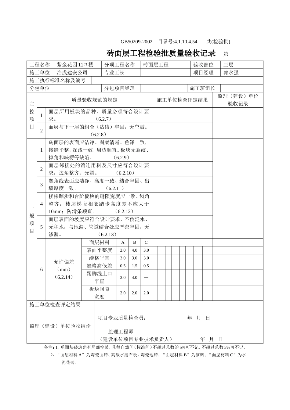
GB50209-2002目录号:4.1.10.4.54共(检验批)砖面层工程检验批质量验收记录第工程名称紫金花园11#楼分项工程名称砖面层工程验收部位一层施工单位冶戌建安公司专业工长项目经理郭永强施工执行标准名称及编号分包单位分包项目经理施工班组长主控项目质量验收规范的规定施工单位检查评定结果监理(建设)单位验收记录1面层所用板块的品种、质量必须符合设计要求。(6.2.7)2面层与下一层的组合(沾结)牢固,无空鼓。(6.2.8)一般项目1砖面层的表面应洁净、图案清晰、色泽一致,接缝平整,深浅一致,周边顺直。板块无裂纹、掉角和缺楞等缺陷。(6.2.9)2面层邻接处的镶连用料及尺寸应符合设计要求,边角整齐、光滑。(6.2.10)3题角线表面应洁净、高度一致、结合牢固、出墙厚度一致。(6.2.11)4楼梯踏步和台阶板块的缝隙宽度应一致、齿角整齐;楼层梯段相邻踏步高度差不应大于10mm;防滑条顺直。(6.2.12)5面层表面的坡度应符合设计要求,不倒泛水、无积水;与地漏、管道结合处应严密牢固,无渗漏。(6.2.13)6允许偏差(mm)(6.2.14)面层材料ABC表面平整度2.04.03.0缝格平直3.03.03.0缝格高低差0.51.50.5踢脚线上口平直3.04.0—板块间隙宽度2.02.02.0施工单位检查评定结果项目专业质量检查员:年月日监理(建设)单位验收结论监理工程师(建设单位项目专业技术负责人)年月日备注:1、单面块砖边角有局部空鼓,且每自然间(标准间)不超过总数的5%可不记。不超过总数5%可不记。2、“面层材料A”为陶瓷面砖、高级水磨石板、陶瓷地砖;“面层材料B”为缸砖;“面层材料C”为水泥花砖。GB50209-2002目录号:4.1.10.4.54共(检验批)砖面层工程检验批质量验收记录第工程名称紫金花园11#楼分项工程名称砖面层工程验收部位二层施工单位冶戌建安公司专业工长项目经理郭永强施工执行标准名称及编号分包单位分包项目经理施工班组长主控项目质量验收规范的规定施工单位检查评定结果监理(建设)单位验收记录1面层所用板块的品种、质量必须符合设计要求。(6.2.7)2面层与下一层的组合(沾结)牢固,无空鼓。(6.2.8)一般项目1砖面层的表面应洁净、图案清晰、色泽一致,接缝平整,深浅一致,周边顺直。板块无裂纹、掉角和缺楞等缺陷。(6.2.9)2面层邻接处的镶连用料及尺寸应符合设计要求,边角整齐、光滑。(6.2.10)3题角线表面应洁净、高度一致、结合牢固、出墙厚度一致。(6.2.11)4楼梯踏步和台阶板块的缝隙宽度应一致、齿角整齐;楼层梯段相邻踏步高度...

1、当您付费下载文档后,您只拥有了使用权限,并不意味着购买了版权,文档只能用于自身使用,不得用于其他商业用途(如 [转卖]进行直接盈利或[编辑后售卖]进行间接盈利)。
2、本站所有内容均由合作方或网友上传,本站不对文档的完整性、权威性及其观点立场正确性做任何保证或承诺!文档内容仅供研究参考,付费前请自行鉴别。
3、如文档内容存在违规,或者侵犯商业秘密、侵犯著作权等,请点击“违规举报”。

碎片内容

蜗牛文库的最新文档

二年级数学下册其中检测卷二年级数学下册其中检测卷附答案#期中测试卷.pdf
10.00金币
0下载
二年级数学下册期末质检卷(苏教版)二年级数学下册期末质检卷(苏教版)#期末复习 #期末测试卷 #二年级数学 #二年级数学下册#关注我持续更新小学知识.pdf
10.00金币
0下载
二年级数学下册期末混合运算专项练习二年级数学下册期末混合运算专项练习#二年级#二年级数学下册#关注我持续更新小学知识 #知识分享 #家长收藏孩子受益.pdf
10.00金币
1下载
二年级数学下册年月日三类周期问题解题方法二年级数学下册年月日三类周期问题解题方法#二年级#二年级数学下册#知识分享 #关注我持续更新小学知识 #家长收藏孩子受益.pdf
10.00金币
0下载
二年级数学下册解决问题专项训练二年级数学下册解决问题专项训练#专项训练#解决问题#二年级#二年级数学下册#知识分享.pdf
10.00金币
1下载
二年级数学下册还原问题二年级数学下册还原问题#二年级#二年级数学#关注我持续更新小学知识 #知识分享 #家长收藏孩子受益.pdf
10.00金币
1下载
二年级数学下册第六单元考试卷家长打印出来给孩子测试测试争取拿到高分!#小学二年级试卷分享 #二年级第六单考试数学 #第六单考试#二年级数学下册.pdf
10.00金币
0下载
二年级数学下册必背顺口溜口诀汇总二年级数学下册必背顺口溜口诀汇总#二年级#二年级数学下册 #知识分享 #家长收藏孩子受益 #关注我持续更新小学知识.pdf
10.00金币
0下载
二年级数学下册《重点难点思维题》两大问题解决技巧和方法巧算星期几解决周期问题还原问题强化思维训练老师精心整理家长可以打印出来给孩子练习#家长收藏孩子受益 #学霸秘籍 #思维训练 #二年级 #知识点总结.pdf
10.00金币
0下载
二年级数学下册 必背公式大全寒假提前背一背开学更轻松#二年级 #二年级数学 #二年级数学下册 #寒假充电计划 #公式.pdf
10.00金币
0下载
蜗牛文库+ 关注
实名认证
内容提供者

提供各种专业文档内容

确认删除?
QQ
  • QQ点击这里给我发消息
微信客服
  • 微信客服
回到顶部