电脑桌面
添加蜗牛文库到电脑桌面
安装后可以在桌面快捷访问

4.1.10.4.22 钢筋安装检验批质量验收记录.docVIP免费

4.1.10.4.22 钢筋安装检验批质量验收记录.doc_第1页
4.1.10.4.22 钢筋安装检验批质量验收记录.doc_第2页
4.1.10.4.22 钢筋安装检验批质量验收记录.doc_第3页
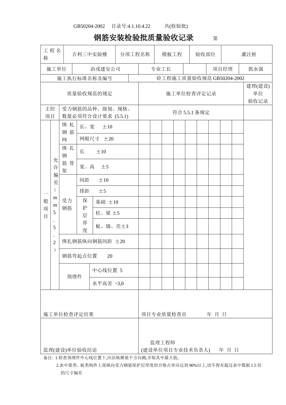
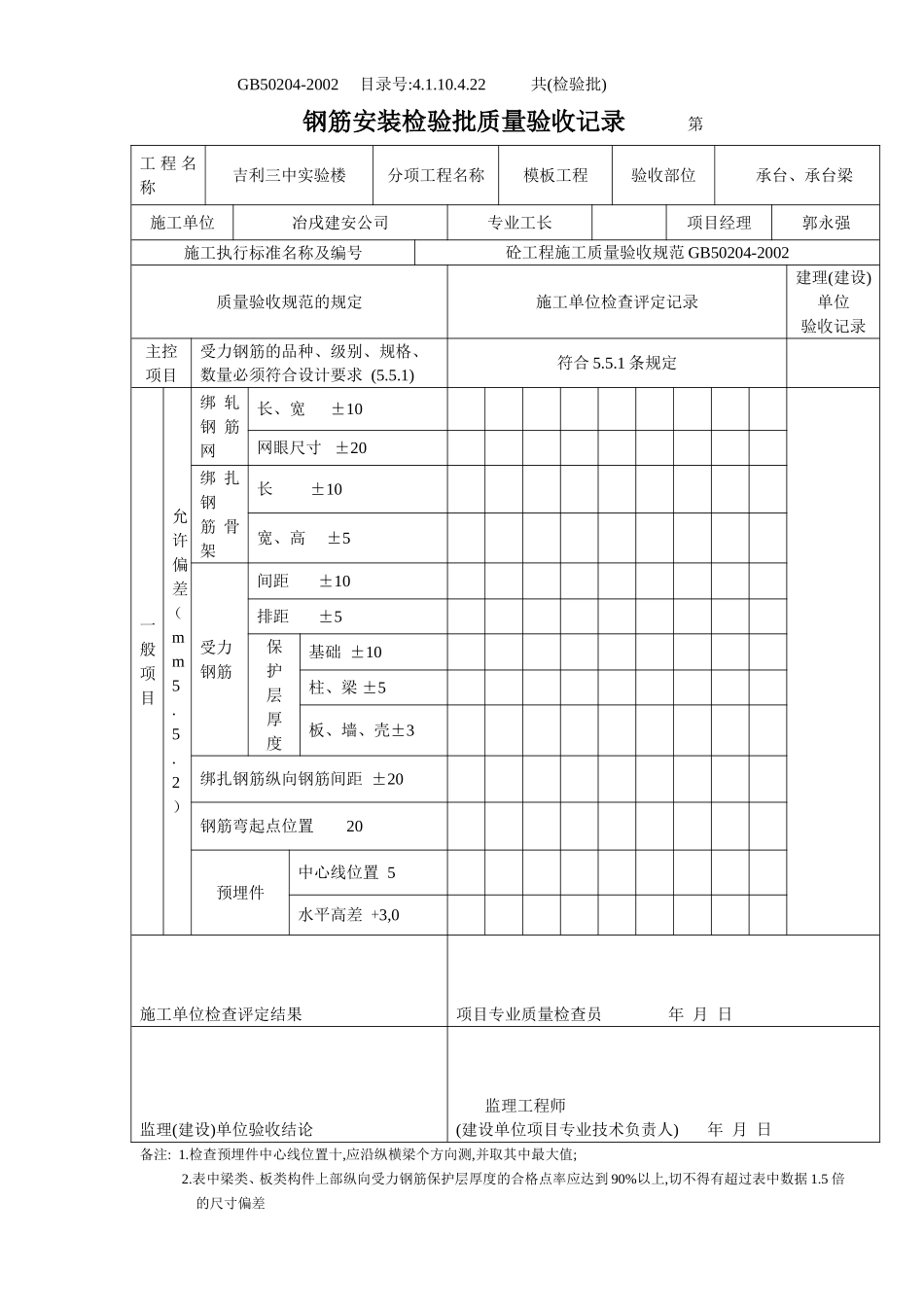
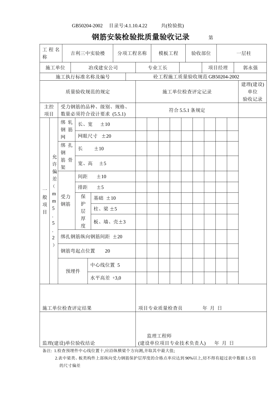
GB50204-2002目录号:4.1.10.4.22共(检验批)钢筋安装检验批质量验收记录第工程名称吉利三中实验楼分项工程名称模板工程验收部位灌注桩施工单位冶戌建安公司专业工长项目经理郭永强施工执行标准名称及编号砼工程施工质量验收规范GB50204-2002质量验收规范的规定施工单位检查评定记录建理(建设)单位验收记录主控项目受力钢筋的品种、级别、规格、数量必须符合设计要求(5.5.1)符合5.5.1条规定一般项目允许偏差(mm5.5.2)绑轧钢筋网长、宽±10网眼尺寸±20绑扎钢筋骨架长±10宽、高±5受力钢筋间距±10排距±5保护层厚度基础±10柱、梁±5板、墙、壳±3绑扎钢筋纵向钢筋间距±20钢筋弯起点位置20预埋件中心线位置5水平高差+3,0施工单位检查评定结果项目专业质量检查员年月日监理(建设)单位验收结论监理工程师(建设单位项目专业技术负责人)年月日备注:1.检查预埋件中心线位置十,应沿纵横梁个方向测,并取其中最大值;2.表中梁类、板类构件上部纵向受力钢筋保护层厚度的合格点率应达到90%以上,切不得有超过表中数据1.5倍的尺寸偏差GB50204-2002目录号:4.1.10.4.22共(检验批)钢筋安装检验批质量验收记录第工程名称吉利三中实验楼分项工程名称模板工程验收部位承台、承台梁施工单位冶戌建安公司专业工长项目经理郭永强施工执行标准名称及编号砼工程施工质量验收规范GB50204-2002质量验收规范的规定施工单位检查评定记录建理(建设)单位验收记录主控项目受力钢筋的品种、级别、规格、数量必须符合设计要求(5.5.1)符合5.5.1条规定一般项目允许偏差(mm5.5.2)绑轧钢筋网长、宽±10网眼尺寸±20绑扎钢筋骨架长±10宽、高±5受力钢筋间距±10排距±5保护层厚度基础±10柱、梁±5板、墙、壳±3绑扎钢筋纵向钢筋间距±20钢筋弯起点位置20预埋件中心线位置5水平高差+3,0施工单位检查评定结果项目专业质量检查员年月日监理(建设)单位验收结论监理工程师(建设单位项目专业技术负责人)年月日备注:1.检查预埋件中心线位置十,应沿纵横梁个方向测,并取其中最大值;2.表中梁类、板类构件上部纵向受力钢筋保护层厚度的合格点率应达到90%以上,切不得有超过表中数据1.5倍的尺寸偏差GB50204-2002目录号:4.1.10.4.22共(检验批)钢筋安装检验批质量验收记录第工程名称吉利三中实验楼分项工程名称模板工程验收部位一层柱施工单位冶戌建安公司专业工长项目经理郭永强施工执行标准名称及编号砼工程施工质量验收规范GB50204-2002质量验收规范的规定施工单位检查评定记录建理(建设)单位验...

1、当您付费下载文档后,您只拥有了使用权限,并不意味着购买了版权,文档只能用于自身使用,不得用于其他商业用途(如 [转卖]进行直接盈利或[编辑后售卖]进行间接盈利)。
2、本站所有内容均由合作方或网友上传,本站不对文档的完整性、权威性及其观点立场正确性做任何保证或承诺!文档内容仅供研究参考,付费前请自行鉴别。
3、如文档内容存在违规,或者侵犯商业秘密、侵犯著作权等,请点击“违规举报”。

碎片内容

蜗牛文库的最新文档

二年级数学下册其中检测卷二年级数学下册其中检测卷附答案#期中测试卷.pdf
10.00金币
0下载
二年级数学下册期末质检卷(苏教版)二年级数学下册期末质检卷(苏教版)#期末复习 #期末测试卷 #二年级数学 #二年级数学下册#关注我持续更新小学知识.pdf
10.00金币
0下载
二年级数学下册期末混合运算专项练习二年级数学下册期末混合运算专项练习#二年级#二年级数学下册#关注我持续更新小学知识 #知识分享 #家长收藏孩子受益.pdf
10.00金币
1下载
二年级数学下册年月日三类周期问题解题方法二年级数学下册年月日三类周期问题解题方法#二年级#二年级数学下册#知识分享 #关注我持续更新小学知识 #家长收藏孩子受益.pdf
10.00金币
0下载
二年级数学下册解决问题专项训练二年级数学下册解决问题专项训练#专项训练#解决问题#二年级#二年级数学下册#知识分享.pdf
10.00金币
1下载
二年级数学下册还原问题二年级数学下册还原问题#二年级#二年级数学#关注我持续更新小学知识 #知识分享 #家长收藏孩子受益.pdf
10.00金币
1下载
二年级数学下册第六单元考试卷家长打印出来给孩子测试测试争取拿到高分!#小学二年级试卷分享 #二年级第六单考试数学 #第六单考试#二年级数学下册.pdf
10.00金币
0下载
二年级数学下册必背顺口溜口诀汇总二年级数学下册必背顺口溜口诀汇总#二年级#二年级数学下册 #知识分享 #家长收藏孩子受益 #关注我持续更新小学知识.pdf
10.00金币
0下载
二年级数学下册《重点难点思维题》两大问题解决技巧和方法巧算星期几解决周期问题还原问题强化思维训练老师精心整理家长可以打印出来给孩子练习#家长收藏孩子受益 #学霸秘籍 #思维训练 #二年级 #知识点总结.pdf
10.00金币
0下载
二年级数学下册 必背公式大全寒假提前背一背开学更轻松#二年级 #二年级数学 #二年级数学下册 #寒假充电计划 #公式.pdf
10.00金币
0下载
蜗牛文库+ 关注
实名认证
内容提供者

提供各种专业文档内容

确认删除?
QQ
  • QQ点击这里给我发消息
微信客服
  • 微信客服
回到顶部