电脑桌面
添加蜗牛文库到电脑桌面
安装后可以在桌面快捷访问

2.1 施工现场质量管理检查记录.docVIP免费

2.1 施工现场质量管理检查记录.doc_第1页
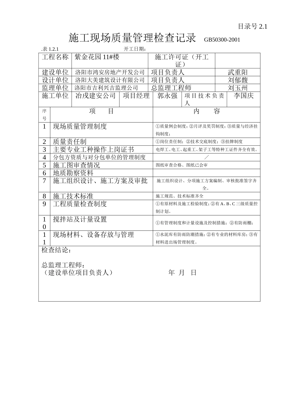
目录号2.1施工现场质量管理检查记录GB50300-2001.表1.2.1开工日期:工程名称紫金花园11#楼施工许可证(开工证)建设单位洛阳市鸿安房地产开发公司项目负责人武重阳设计单位洛阳大美建筑设计有限公司项目负责人刘郁馥监理单位洛阳市吉利兴吉监理公司总监理工程师刘玉州施工单位冶戌建安公司项目经理郭永强项目技术负责人李国庆序号项目内容1现场质量管理制度①质量例会制度;②月评及奖罚制度;③质量与经济挂钩制度;2质量责任制①岗位责任制;②技术交底制度;③挂牌制度3主要专业工种操作上岗证书电焊工、电工、起重工、架子工等特种工证件齐全有效。4分包方资质与对分包单位的管理制度╱5施工图审查情况图纸审查合格、图纸已会审6地质勘察资料7施工组织设计、施工方案及审批施工组织设计、分项施工方案编制、审核批准签字齐全。8施工技术标准施工规范、技术标准齐全9工程质量检查制度①有原材料及施工检验制度;②有A、B、C三级质量控制计划。10搅拌站及计量设置①有管理制度和计量设施及控制措施;②有防雨棚;11现场材料、设备存放与管理①水泥库有防雨防潮措施;②有专业的材料库房;③有材料进出场管理制度。检查结论:总监理工程师:(建设单位项目负责人)年月日

1、当您付费下载文档后,您只拥有了使用权限,并不意味着购买了版权,文档只能用于自身使用,不得用于其他商业用途(如 [转卖]进行直接盈利或[编辑后售卖]进行间接盈利)。
2、本站所有内容均由合作方或网友上传,本站不对文档的完整性、权威性及其观点立场正确性做任何保证或承诺!文档内容仅供研究参考,付费前请自行鉴别。
3、如文档内容存在违规,或者侵犯商业秘密、侵犯著作权等,请点击“违规举报”。

碎片内容

蜗牛文库的最新文档

二年级数学下册其中检测卷二年级数学下册其中检测卷附答案#期中测试卷.pdf
10.00金币
0下载
二年级数学下册期末质检卷(苏教版)二年级数学下册期末质检卷(苏教版)#期末复习 #期末测试卷 #二年级数学 #二年级数学下册#关注我持续更新小学知识.pdf
10.00金币
0下载
二年级数学下册期末混合运算专项练习二年级数学下册期末混合运算专项练习#二年级#二年级数学下册#关注我持续更新小学知识 #知识分享 #家长收藏孩子受益.pdf
10.00金币
1下载
二年级数学下册年月日三类周期问题解题方法二年级数学下册年月日三类周期问题解题方法#二年级#二年级数学下册#知识分享 #关注我持续更新小学知识 #家长收藏孩子受益.pdf
10.00金币
0下载
二年级数学下册解决问题专项训练二年级数学下册解决问题专项训练#专项训练#解决问题#二年级#二年级数学下册#知识分享.pdf
10.00金币
1下载
二年级数学下册还原问题二年级数学下册还原问题#二年级#二年级数学#关注我持续更新小学知识 #知识分享 #家长收藏孩子受益.pdf
10.00金币
1下载
二年级数学下册第六单元考试卷家长打印出来给孩子测试测试争取拿到高分!#小学二年级试卷分享 #二年级第六单考试数学 #第六单考试#二年级数学下册.pdf
10.00金币
0下载
二年级数学下册必背顺口溜口诀汇总二年级数学下册必背顺口溜口诀汇总#二年级#二年级数学下册 #知识分享 #家长收藏孩子受益 #关注我持续更新小学知识.pdf
10.00金币
0下载
二年级数学下册《重点难点思维题》两大问题解决技巧和方法巧算星期几解决周期问题还原问题强化思维训练老师精心整理家长可以打印出来给孩子练习#家长收藏孩子受益 #学霸秘籍 #思维训练 #二年级 #知识点总结.pdf
10.00金币
0下载
二年级数学下册 必背公式大全寒假提前背一背开学更轻松#二年级 #二年级数学 #二年级数学下册 #寒假充电计划 #公式.pdf
10.00金币
0下载
蜗牛文库+ 关注
实名认证
内容提供者

提供各种专业文档内容

确认删除?
QQ
  • QQ点击这里给我发消息
微信客服
  • 微信客服
回到顶部