电脑桌面
添加蜗牛文库到电脑桌面
安装后可以在桌面快捷访问

093 钢筋分项工程(原材料、钢筋加工)检验批质量验收记录 TJ4-2-04.docVIP免费

093 钢筋分项工程(原材料、钢筋加工)检验批质量验收记录 TJ4-2-04.doc_第1页
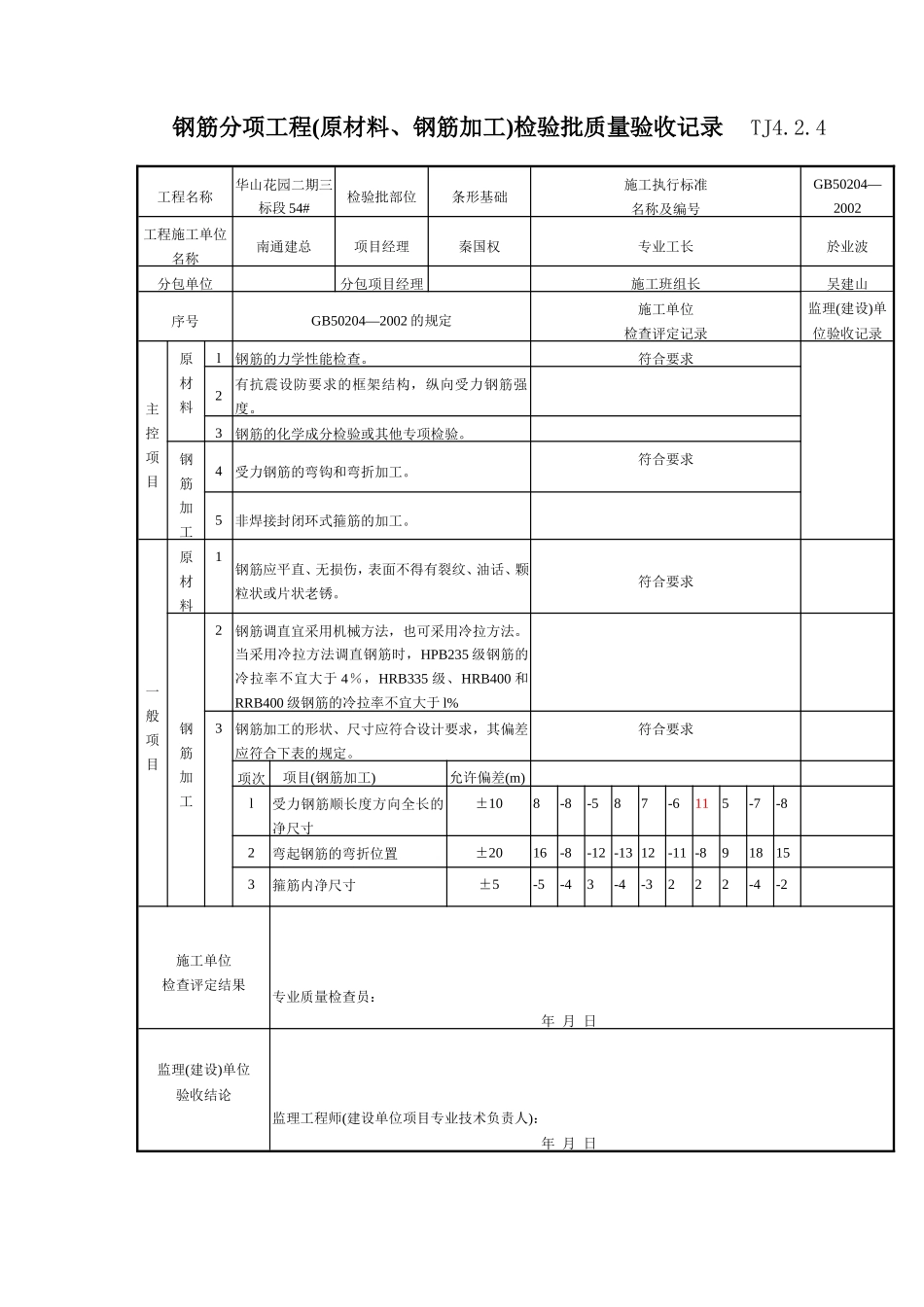
钢筋分项工程(原材料、钢筋加工)检验批质量验收记录TJ4.2.4工程名称华山花园二期三标段54#检验批部位条形基础施工执行标准名称及编号GB50204—2002工程施工单位名称南通建总项目经理秦国权专业工长於业波分包单位分包项目经理施工班组长吴建山序号GB50204—2002的规定施工单位检查评定记录监理(建设)单位验收记录主控项目原材料l钢筋的力学性能检查。符合要求2有抗震设防要求的框架结构,纵向受力钢筋强度。3钢筋的化学成分检验或其他专项检验。钢筋加工4受力钢筋的弯钩和弯折加工。符合要求5非焊接封闭环式箍筋的加工。一般项目原材料1钢筋应平直、无损伤,表面不得有裂纹、油话、颗粒状或片状老锈。符合要求钢筋加工2钢筋调直宜采用机械方法,也可采用冷拉方法。当采用冷拉方法调直钢筋时,HPB235级钢筋的冷拉率不宜大于4%,HRB335级、HRB400和RRB400级钢筋的冷拉率不宜大于l%3钢筋加工的形状、尺寸应符合设计要求,其偏差应符合下表的规定。符合要求项次项目(钢筋加工)允许偏差(m)l受力钢筋顺长度方向全长的净尺寸±108-8-587-6115-7-82弯起钢筋的弯折位置±2016-8-12-1312-11-8918153箍筋内净尺寸±5-5-43-4-3222-4-2施工单位检查评定结果专业质量检查员:年月日监理(建设)单位验收结论监理工程师(建设单位项目专业技术负责人):年月日

1、当您付费下载文档后,您只拥有了使用权限,并不意味着购买了版权,文档只能用于自身使用,不得用于其他商业用途(如 [转卖]进行直接盈利或[编辑后售卖]进行间接盈利)。
2、本站所有内容均由合作方或网友上传,本站不对文档的完整性、权威性及其观点立场正确性做任何保证或承诺!文档内容仅供研究参考,付费前请自行鉴别。
3、如文档内容存在违规,或者侵犯商业秘密、侵犯著作权等,请点击“违规举报”。

碎片内容

蜗牛文库的最新文档

二年级数学下册其中检测卷二年级数学下册其中检测卷附答案#期中测试卷.pdf
10.00金币
0下载
二年级数学下册期末质检卷(苏教版)二年级数学下册期末质检卷(苏教版)#期末复习 #期末测试卷 #二年级数学 #二年级数学下册#关注我持续更新小学知识.pdf
10.00金币
0下载
二年级数学下册期末混合运算专项练习二年级数学下册期末混合运算专项练习#二年级#二年级数学下册#关注我持续更新小学知识 #知识分享 #家长收藏孩子受益.pdf
10.00金币
1下载
二年级数学下册年月日三类周期问题解题方法二年级数学下册年月日三类周期问题解题方法#二年级#二年级数学下册#知识分享 #关注我持续更新小学知识 #家长收藏孩子受益.pdf
10.00金币
0下载
二年级数学下册解决问题专项训练二年级数学下册解决问题专项训练#专项训练#解决问题#二年级#二年级数学下册#知识分享.pdf
10.00金币
1下载
二年级数学下册还原问题二年级数学下册还原问题#二年级#二年级数学#关注我持续更新小学知识 #知识分享 #家长收藏孩子受益.pdf
10.00金币
1下载
二年级数学下册第六单元考试卷家长打印出来给孩子测试测试争取拿到高分!#小学二年级试卷分享 #二年级第六单考试数学 #第六单考试#二年级数学下册.pdf
10.00金币
0下载
二年级数学下册必背顺口溜口诀汇总二年级数学下册必背顺口溜口诀汇总#二年级#二年级数学下册 #知识分享 #家长收藏孩子受益 #关注我持续更新小学知识.pdf
10.00金币
0下载
二年级数学下册《重点难点思维题》两大问题解决技巧和方法巧算星期几解决周期问题还原问题强化思维训练老师精心整理家长可以打印出来给孩子练习#家长收藏孩子受益 #学霸秘籍 #思维训练 #二年级 #知识点总结.pdf
10.00金币
0下载
二年级数学下册 必背公式大全寒假提前背一背开学更轻松#二年级 #二年级数学 #二年级数学下册 #寒假充电计划 #公式.pdf
10.00金币
0下载
蜗牛文库+ 关注
实名认证
内容提供者

提供各种专业文档内容

确认删除?
QQ
  • QQ点击这里给我发消息
微信客服
  • 微信客服
回到顶部