电脑桌面
添加蜗牛文库到电脑桌面
安装后可以在桌面快捷访问

2004年国赛B题(1).docVIP免费

2004年国赛B题(1).doc_第1页
2004年国赛B题(1).doc_第2页
2004年国赛B题(1).doc_第3页
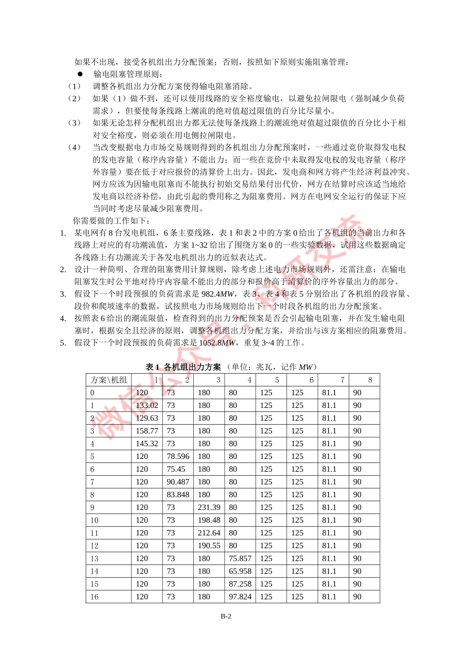
2004高教社杯全国大学生数学建模竞赛题目(请先阅读“对论文格式的统一要求”)B题电力市场的输电阻塞管理我国电力系统的市场化改革正在积极、稳步地进行。2003年3月国家电力监管委员会成立,2003年6月该委员会发文列出了组建东北区域电力市场和进行华东区域电力市场试点的时间表,标志着电力市场化改革已经进入实质性阶段。可以预计,随着我国用电紧张的缓解,电力市场化将进入新一轮的发展,这给有关产业和研究部门带来了可预期的机遇和挑战。电力从生产到使用的四大环节——发电、输电、配电和用电是瞬间完成的。我国电力市场初期是发电侧电力市场,采取交易与调度一体化的模式。电网公司在组织交易、调度和配送时,必须遵循电网“安全第一”的原则,同时要制订一个电力市场交易规则,按照购电费用最小的经济目标来运作。市场交易-调度中心根据负荷预报和交易规则制订满足电网安全运行的调度计划――各发电机组的出力(发电功率)分配方案;在执行调度计划的过程中,还需实时调度承担AGC(自动发电控制)辅助服务的机组出力,以跟踪电网中实时变化的负荷。设某电网有若干台发电机组和若干条主要线路,每条线路上的有功潮流(输电功率和方向)取决于电网结构和各发电机组的出力。电网每条线路上的有功潮流的绝对值有一安全限值,限值还具有一定的相对安全裕度(即在应急情况下潮流绝对值可以超过限值的百分比的上限)。如果各机组出力分配方案使某条线路上的有功潮流的绝对值超出限值,称为输电阻塞。当发生输电阻塞时,需要研究如何制订既安全又经济的调度计划。电力市场交易规则:1.以15分钟为一个时段组织交易,每台机组在当前时段开始时刻前给出下一个时段的报价。各机组将可用出力由低到高分成至多10段报价,每个段的长度称为段容量,每个段容量报一个价(称为段价),段价按段序数单调不减。在最低技术出力以下的报价一般为负值,表示愿意付费维持发电以避免停机带来更大的损失。2.在当前时段内,市场交易-调度中心根据下一个时段的负荷预报,每台机组的报价、当前出力和出力改变速率,按段价从低到高选取各机组的段容量或其部分(见下面注释),直到它们之和等于预报的负荷,这时每个机组被选入的段容量或其部分之和形成该时段该机组的出力分配预案(初始交易结果)。最后一个被选入的段价(最高段价)称为该时段的清算价,该时段全部机组的所有出力均按清算价结算。注释:(a)每个时段的负荷预报和机组出力分配计划的参照时刻均为该时...

1、当您付费下载文档后,您只拥有了使用权限,并不意味着购买了版权,文档只能用于自身使用,不得用于其他商业用途(如 [转卖]进行直接盈利或[编辑后售卖]进行间接盈利)。
2、本站所有内容均由合作方或网友上传,本站不对文档的完整性、权威性及其观点立场正确性做任何保证或承诺!文档内容仅供研究参考,付费前请自行鉴别。
3、如文档内容存在违规,或者侵犯商业秘密、侵犯著作权等,请点击“违规举报”。

碎片内容

蜗牛文库的最新文档

二年级数学下册其中检测卷二年级数学下册其中检测卷附答案#期中测试卷.pdf
10.00金币
0下载
二年级数学下册期末质检卷(苏教版)二年级数学下册期末质检卷(苏教版)#期末复习 #期末测试卷 #二年级数学 #二年级数学下册#关注我持续更新小学知识.pdf
10.00金币
0下载
二年级数学下册期末混合运算专项练习二年级数学下册期末混合运算专项练习#二年级#二年级数学下册#关注我持续更新小学知识 #知识分享 #家长收藏孩子受益.pdf
10.00金币
1下载
二年级数学下册年月日三类周期问题解题方法二年级数学下册年月日三类周期问题解题方法#二年级#二年级数学下册#知识分享 #关注我持续更新小学知识 #家长收藏孩子受益.pdf
10.00金币
0下载
二年级数学下册解决问题专项训练二年级数学下册解决问题专项训练#专项训练#解决问题#二年级#二年级数学下册#知识分享.pdf
10.00金币
1下载
二年级数学下册还原问题二年级数学下册还原问题#二年级#二年级数学#关注我持续更新小学知识 #知识分享 #家长收藏孩子受益.pdf
10.00金币
1下载
二年级数学下册第六单元考试卷家长打印出来给孩子测试测试争取拿到高分!#小学二年级试卷分享 #二年级第六单考试数学 #第六单考试#二年级数学下册.pdf
10.00金币
0下载
二年级数学下册必背顺口溜口诀汇总二年级数学下册必背顺口溜口诀汇总#二年级#二年级数学下册 #知识分享 #家长收藏孩子受益 #关注我持续更新小学知识.pdf
10.00金币
0下载
二年级数学下册《重点难点思维题》两大问题解决技巧和方法巧算星期几解决周期问题还原问题强化思维训练老师精心整理家长可以打印出来给孩子练习#家长收藏孩子受益 #学霸秘籍 #思维训练 #二年级 #知识点总结.pdf
10.00金币
0下载
二年级数学下册 必背公式大全寒假提前背一背开学更轻松#二年级 #二年级数学 #二年级数学下册 #寒假充电计划 #公式.pdf
10.00金币
0下载
蜗牛文库+ 关注
实名认证
内容提供者

提供各种专业文档内容

确认删除?
QQ
  • QQ点击这里给我发消息
微信客服
  • 微信客服
回到顶部