电脑桌面
添加蜗牛文库到电脑桌面
安装后可以在桌面快捷访问

车身及后背门耐久性问题的分析与解决_胡钊.pdfVIP免费

车身及后背门耐久性问题的分析与解决_胡钊.pdf_第1页
车身及后背门耐久性问题的分析与解决_胡钊.pdf_第2页
车身及后背门耐久性问题的分析与解决_胡钊.pdf_第3页
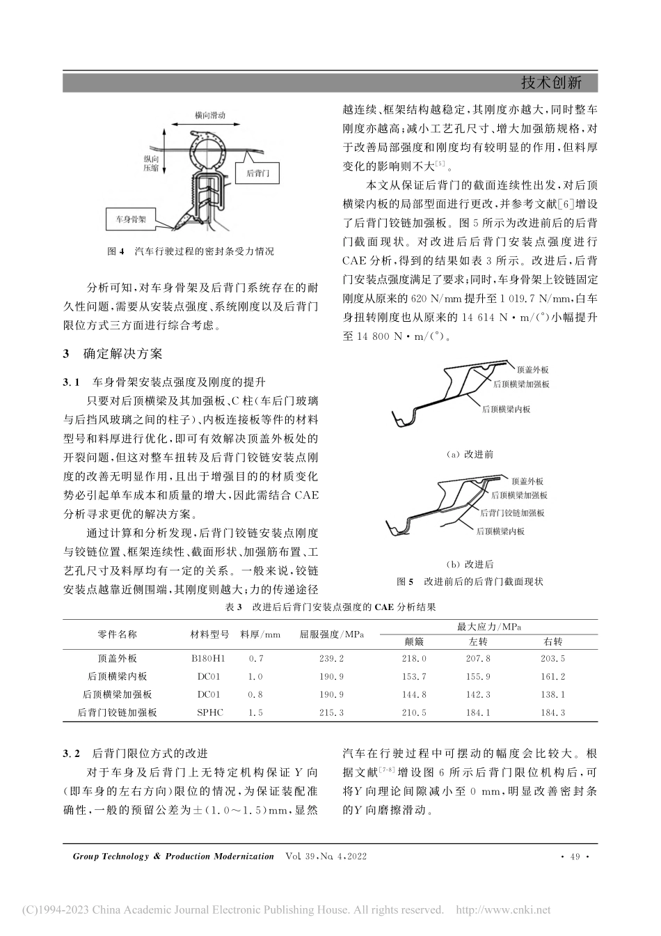
技术创新GroupTechnology&ProductionModernizationVol.39,No.4,2022收稿日期:2022-09-01作者简介:胡钊(1983-),男,安徽宿州人,工程师,主要研究方向为汽车设计与开发。文章编号:1006-3269(2022)04-0047-04车身及后背门耐久性问题的分析与解决胡钊,陈艳华,谢德艳(奇瑞汽车股份有限公司汽车工程研发总院,安徽芜湖241000)摘要:针对年型车改款开发验证过程中,某运动型多功能汽车(SportsUtilityVehicle,SUV)出现的后背门门洞密封条异常磨损及车身骨架侧后背门铰链安装点顶盖钣金开裂问题,进行了计算机辅助工程(ComputeAidedEngineering,CAE)分析,通过提升车身骨架安装点强度和刚度并改进后背门限位方式,有效减小了行车过程中后背门的摆动量,成功地消除了该位置的疲劳开裂及密封条磨损现象。关键词:车身骨架;后背门铰链;疲劳开裂;安装点刚度;密封条的磨损中图分类号:U463.82文献标识码:Adoi:10.3969/j.issn.1006-3269.2022.04.008为满足客户和市场需求,各大主机厂都会对一些车型进行外观、配置及性能等方面的升级改造,以便延长车型的生命周期。在改款设计中,为缩短开发周期,降低开发成本,车身的主体结构一般是不变的,但偶尔会出现一些沿用件与新开发件在质量及性能方面的不匹配情况,进而影响整车的耐久性和可靠性[1]。本文将针对年型车改款开发验证过程中,某运动型多功能汽车(SportsUtilityVehicle,SUV)出现的后背门门洞密封条异常磨损及车身骨架侧后背门铰链安装点顶盖钣金开裂问题,在进行计算机辅助工程(ComputeAidedEngineering,CAE)分析的基础上加以解决。1问题排查某SUV车型改款设计后,在进行强化路试的时候出现了后背门门洞密封条异常磨损及车身骨架侧后背门铰链安装点顶盖钣金开裂的现象。其中,密封条异常磨损位置(图1)集中在门洞两侧中间靠下端部位;顶盖钣金开裂位置(图2)在沿焊点延伸约5mm处,且左右对称。图1密封条异常磨损位置图2顶盖钣金开裂位置对故障模式整车的后背门、密封条及车身骨架进行现场实物对比,发现钣金开裂处焊点平整,型面匹配良好;后背门内板与后背门门洞止口边间隙(内间隙)稳定,符...

1、当您付费下载文档后,您只拥有了使用权限,并不意味着购买了版权,文档只能用于自身使用,不得用于其他商业用途(如 [转卖]进行直接盈利或[编辑后售卖]进行间接盈利)。
2、本站所有内容均由合作方或网友上传,本站不对文档的完整性、权威性及其观点立场正确性做任何保证或承诺!文档内容仅供研究参考,付费前请自行鉴别。
3、如文档内容存在违规,或者侵犯商业秘密、侵犯著作权等,请点击“违规举报”。

碎片内容

蜗牛文库的最新文档

二年级数学下册其中检测卷二年级数学下册其中检测卷附答案#期中测试卷.pdf
10.00金币
0下载
二年级数学下册期末质检卷(苏教版)二年级数学下册期末质检卷(苏教版)#期末复习 #期末测试卷 #二年级数学 #二年级数学下册#关注我持续更新小学知识.pdf
10.00金币
0下载
二年级数学下册期末混合运算专项练习二年级数学下册期末混合运算专项练习#二年级#二年级数学下册#关注我持续更新小学知识 #知识分享 #家长收藏孩子受益.pdf
10.00金币
1下载
二年级数学下册年月日三类周期问题解题方法二年级数学下册年月日三类周期问题解题方法#二年级#二年级数学下册#知识分享 #关注我持续更新小学知识 #家长收藏孩子受益.pdf
10.00金币
0下载
二年级数学下册解决问题专项训练二年级数学下册解决问题专项训练#专项训练#解决问题#二年级#二年级数学下册#知识分享.pdf
10.00金币
1下载
二年级数学下册还原问题二年级数学下册还原问题#二年级#二年级数学#关注我持续更新小学知识 #知识分享 #家长收藏孩子受益.pdf
10.00金币
1下载
二年级数学下册第六单元考试卷家长打印出来给孩子测试测试争取拿到高分!#小学二年级试卷分享 #二年级第六单考试数学 #第六单考试#二年级数学下册.pdf
10.00金币
0下载
二年级数学下册必背顺口溜口诀汇总二年级数学下册必背顺口溜口诀汇总#二年级#二年级数学下册 #知识分享 #家长收藏孩子受益 #关注我持续更新小学知识.pdf
10.00金币
0下载
二年级数学下册《重点难点思维题》两大问题解决技巧和方法巧算星期几解决周期问题还原问题强化思维训练老师精心整理家长可以打印出来给孩子练习#家长收藏孩子受益 #学霸秘籍 #思维训练 #二年级 #知识点总结.pdf
10.00金币
0下载
二年级数学下册 必背公式大全寒假提前背一背开学更轻松#二年级 #二年级数学 #二年级数学下册 #寒假充电计划 #公式.pdf
10.00金币
0下载
蜗牛文库+ 关注
实名认证
内容提供者

提供各种专业文档内容

确认删除?
QQ
  • QQ点击这里给我发消息
微信客服
  • 微信客服
回到顶部