电脑桌面
添加蜗牛文库到电脑桌面
安装后可以在桌面快捷访问

电子元器件综合知识大全.docVIP免费

电子元器件综合知识大全.doc_第1页
电子元器件综合知识大全.doc_第2页
电子元器件综合知识大全.doc_第3页
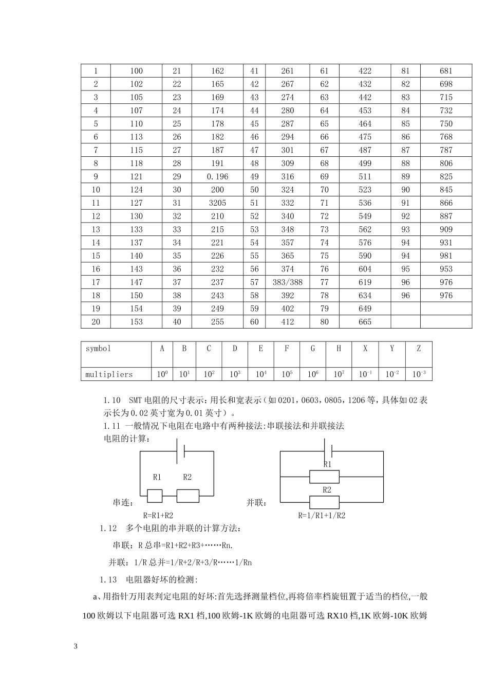
第一章电子元器件第一节、电阻器1.1电阻器的含义:在电路中对电流有阻碍作用并且造成能量消耗的部分叫电阻.1.2电阻器的英文缩写:R(Resistor)及排阻RN1.3电阻器在电路符号:R或WWW1.4电阻器的常见单位:千欧姆(KΩ),兆欧姆(MΩ)1.5电阻器的单位换算:1兆欧=103千欧=106欧1.6电阻器的特性:电阻为线性原件,即电阻两端电压与流过电阻的电流成正比,通过这段导体的电流强度与这段导体的电阻成反比。即欧姆定律:I=U/R。表1.7电阻的作用为分流、限流、分压、偏置、滤波(与电容器组合使用)和阻抗匹配等。1.8电阻器在电路中用“R”加数字表示,如:R15表示编号为15的电阻器。1.9电阻器的在电路中的参数标注方法有3种,即直标法、色标法和数标法。a、直标法是将电阻器的标称值用数字和文字符号直接标在电阻体上,其允许偏差则用百分数表示,未标偏差值的即为±20%.b、数码标示法主要用于贴片等小体积的电路,在三为数码中,从左至右第一,二位数表示有效数字,第三位表示10的倍幂或者用R表示(R表示0.)如:472表示47×102Ω(即4.7KΩ);104则表示100KΩ、;R22表示0.22Ω、122=1200Ω=1.2KΩ、1402=14000Ω=14KΩ、R22=0.22Ω、50C=324*100=32.4KΩ、17R8=17.8Ω、000=0Ω、0=0Ω.c、色环标注法使用最多,普通的色环电阻器用4环表示,精密电阻器用5环表示,紧靠电阻体一端头的色环为第一环,露着电阻体本色较多的另一端头为末环.现举例如下:如果色环电阻器用四环表示,前面两位数字是有效数字,第三位是10的倍幂,第四环是色环电阻器的误差范围(见图一)四色环电阻器(普通电阻)标称值第一位有效数字标称值第二位有效数字标称值有效数字后0的个数(10的倍幂)允许误差颜色第一位有效值第二位有效值倍率允许偏差黑00棕11±1%红22±2%橙33黄44绿55±0.5%1蓝66±0.25%紫77±0.1%灰88白99―20%~+50%金5%银10%无色20%图1-1两位有效数字阻值的色环表示法如果色环电阻器用五环表示,前面三位数字是有效数字,第四位是10的倍幂.第五环是色环电阻器的误差范围.(见图二)五色环电阻器(精密电阻)标称值第一位有效数字标称值第二位有效数字标称值第三位有效数字标称值有效数字后0的个数(10的倍幂)允许误差颜色第一位有效值第二位有效值第三位有效值倍率允许偏差黑000棕1111%红2222%橙333黄444绿5550.5%蓝6660.25紫7770.1%灰888白999-20%~+50%金±5%银±10%图1-2三位有效数字阻值的色环表示法d、SMT精密电阻的表示法,通常也是用3位标示。一般是2位数字和1位字母表示,两个数字...

1、当您付费下载文档后,您只拥有了使用权限,并不意味着购买了版权,文档只能用于自身使用,不得用于其他商业用途(如 [转卖]进行直接盈利或[编辑后售卖]进行间接盈利)。
2、本站所有内容均由合作方或网友上传,本站不对文档的完整性、权威性及其观点立场正确性做任何保证或承诺!文档内容仅供研究参考,付费前请自行鉴别。
3、如文档内容存在违规,或者侵犯商业秘密、侵犯著作权等,请点击“违规举报”。

碎片内容

蜗牛文库的最新文档

二年级数学下册其中检测卷二年级数学下册其中检测卷附答案#期中测试卷.pdf
10.00金币
0下载
二年级数学下册期末质检卷(苏教版)二年级数学下册期末质检卷(苏教版)#期末复习 #期末测试卷 #二年级数学 #二年级数学下册#关注我持续更新小学知识.pdf
10.00金币
0下载
二年级数学下册期末混合运算专项练习二年级数学下册期末混合运算专项练习#二年级#二年级数学下册#关注我持续更新小学知识 #知识分享 #家长收藏孩子受益.pdf
10.00金币
1下载
二年级数学下册年月日三类周期问题解题方法二年级数学下册年月日三类周期问题解题方法#二年级#二年级数学下册#知识分享 #关注我持续更新小学知识 #家长收藏孩子受益.pdf
10.00金币
0下载
二年级数学下册解决问题专项训练二年级数学下册解决问题专项训练#专项训练#解决问题#二年级#二年级数学下册#知识分享.pdf
10.00金币
1下载
二年级数学下册还原问题二年级数学下册还原问题#二年级#二年级数学#关注我持续更新小学知识 #知识分享 #家长收藏孩子受益.pdf
10.00金币
1下载
二年级数学下册第六单元考试卷家长打印出来给孩子测试测试争取拿到高分!#小学二年级试卷分享 #二年级第六单考试数学 #第六单考试#二年级数学下册.pdf
10.00金币
0下载
二年级数学下册必背顺口溜口诀汇总二年级数学下册必背顺口溜口诀汇总#二年级#二年级数学下册 #知识分享 #家长收藏孩子受益 #关注我持续更新小学知识.pdf
10.00金币
0下载
二年级数学下册《重点难点思维题》两大问题解决技巧和方法巧算星期几解决周期问题还原问题强化思维训练老师精心整理家长可以打印出来给孩子练习#家长收藏孩子受益 #学霸秘籍 #思维训练 #二年级 #知识点总结.pdf
10.00金币
0下载
二年级数学下册 必背公式大全寒假提前背一背开学更轻松#二年级 #二年级数学 #二年级数学下册 #寒假充电计划 #公式.pdf
10.00金币
0下载
蜗牛文库+ 关注
实名认证
内容提供者

提供各种专业文档内容

确认删除?
QQ
  • QQ点击这里给我发消息
微信客服
  • 微信客服
回到顶部