电脑桌面
添加蜗牛文库到电脑桌面
安装后可以在桌面快捷访问

成品入库数据分析报告.docVIP免费

成品入库数据分析报告.doc_第1页
成品入库数据分析报告.doc_第2页
成品入库数据分析报告.doc_第3页
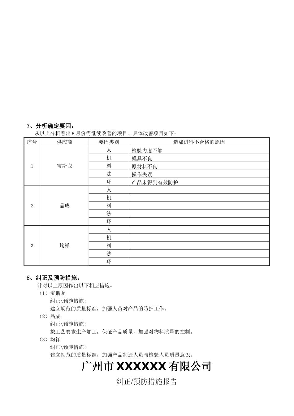
广州市XXXXXX有限公司成品入库数据分析报告部门:品管部月份:8月日期:2008年9月5日1、统计分析的目标项目:成品入库一次检验合格率为98%以上2、目标统计:统计依据来源于8月份《成品检验报告》和《数据分析应用程序》,成品检验报告统计见附页。成品入库一次检验合格率=×100%=×100%=95.3%由上式可得8月份的成品进仓抽检一次检验合格率为95.3%。3、不合格的统计与分层:8月份的成品进仓检验合格率为95.3%,根据不合格批数的不合格项目与产品型号进行统计分层,按产品主要不良项目进行分层。合计合计4、制作柏拉表按来料不良批数较为严重的前10项,制成柏拉表:序号不良项目不良数不良比率(%)累计不良比率(%)1%%2%%3%%4%%5%%6%%10%100.00%合计93100.00%5、制作柏拉图:月入库产品-一次抽检合格数月入库产品交验总数2000-9320000246810121416宝斯龙晶成均祥松野宏骏科力宝薪源源兴隆港泰启伟辉宝斯龙晶成均祥松野宏骏科力宝薪源源兴隆港泰启伟辉12.90%13.97%16.12%不不量原良因良数规格型号6、制作鱼骨图由以上柏拉图可知,宝斯龙、晶成、均祥三个供应商的来料批不合格批次为前三项,现对前三个供应商通过鱼骨图进行分析:一、宝斯龙二、晶成三、均祥5.37%6.45%7.52%9.67%11.82%6.45%9.67%漏底变形漏底变形机器人员材料方法环境检验力度不够模具不良操作失误模具不良原材料不良产品未得到有效防护印刷不良印刷不良机器人员材料方法环境检验力度不够模具不良操作失误模具不良原材料不良产品未得到有效防护沙粒结晶物沙粒结晶物机器人员材料方法环境检验力度不够模具不良操作失误模具不良原材料不良产品未得到有效防护7、分析确定要因:从以上分析看出8月份需继续改善的项目。具体改善项目如下:序号供应商要因类别造成进料不合格的原因1宝斯龙人检验力度不够机模具不良料原材料不良法操作失误环产品未得到有效防护2晶成人机料法环3均祥人机料法环8、纠正及预防措施:针对以上原因作出以下相应措施。(1)宝斯龙纠正\预施措施:建立规范的质量标准,加强人员对产品的防护工作。(2)晶成纠正\预施措施:按工艺要求生产加工,保证产品质量,加强对物料质量的控制。(3)均祥纠正\预施措施:建立规范的质量标准,加强产品制造人员与检验人员质量意识。广州市XXXXXX有限公司纠正/预防措施报告TO:FROM:CC:日期:年月日不合格品描述:提出人:时间:月日时分品保部主管审核:原因分析:纠正措施:预防措施:制...

1、当您付费下载文档后,您只拥有了使用权限,并不意味着购买了版权,文档只能用于自身使用,不得用于其他商业用途(如 [转卖]进行直接盈利或[编辑后售卖]进行间接盈利)。
2、本站所有内容均由合作方或网友上传,本站不对文档的完整性、权威性及其观点立场正确性做任何保证或承诺!文档内容仅供研究参考,付费前请自行鉴别。
3、如文档内容存在违规,或者侵犯商业秘密、侵犯著作权等,请点击“违规举报”。

碎片内容

蜗牛文库的最新文档

二年级数学下册其中检测卷二年级数学下册其中检测卷附答案#期中测试卷.pdf
10.00金币
0下载
二年级数学下册期末质检卷(苏教版)二年级数学下册期末质检卷(苏教版)#期末复习 #期末测试卷 #二年级数学 #二年级数学下册#关注我持续更新小学知识.pdf
10.00金币
0下载
二年级数学下册期末混合运算专项练习二年级数学下册期末混合运算专项练习#二年级#二年级数学下册#关注我持续更新小学知识 #知识分享 #家长收藏孩子受益.pdf
10.00金币
1下载
二年级数学下册年月日三类周期问题解题方法二年级数学下册年月日三类周期问题解题方法#二年级#二年级数学下册#知识分享 #关注我持续更新小学知识 #家长收藏孩子受益.pdf
10.00金币
0下载
二年级数学下册解决问题专项训练二年级数学下册解决问题专项训练#专项训练#解决问题#二年级#二年级数学下册#知识分享.pdf
10.00金币
1下载
二年级数学下册还原问题二年级数学下册还原问题#二年级#二年级数学#关注我持续更新小学知识 #知识分享 #家长收藏孩子受益.pdf
10.00金币
1下载
二年级数学下册第六单元考试卷家长打印出来给孩子测试测试争取拿到高分!#小学二年级试卷分享 #二年级第六单考试数学 #第六单考试#二年级数学下册.pdf
10.00金币
0下载
二年级数学下册必背顺口溜口诀汇总二年级数学下册必背顺口溜口诀汇总#二年级#二年级数学下册 #知识分享 #家长收藏孩子受益 #关注我持续更新小学知识.pdf
10.00金币
0下载
二年级数学下册《重点难点思维题》两大问题解决技巧和方法巧算星期几解决周期问题还原问题强化思维训练老师精心整理家长可以打印出来给孩子练习#家长收藏孩子受益 #学霸秘籍 #思维训练 #二年级 #知识点总结.pdf
10.00金币
0下载
二年级数学下册 必背公式大全寒假提前背一背开学更轻松#二年级 #二年级数学 #二年级数学下册 #寒假充电计划 #公式.pdf
10.00金币
0下载
蜗牛文库+ 关注
实名认证
内容提供者

提供各种专业文档内容

确认删除?
QQ
  • QQ点击这里给我发消息
微信客服
  • 微信客服
回到顶部